Huber René, Hummert Christian, Gausmann Ulrike, Pohlers Dirk, Koczan Dirk, Guthke Reinhard, Kinne Raimund W
Department of Orthopedics, Experimental Rheumatology Unit, University Hospital Jena, Waldkrankenhaus Rudolf Elle, Eisenberg, Germany.
Arthritis Res Ther. 2008;10(4):R98. doi: 10.1186/ar2485. Epub 2008 Aug 22.
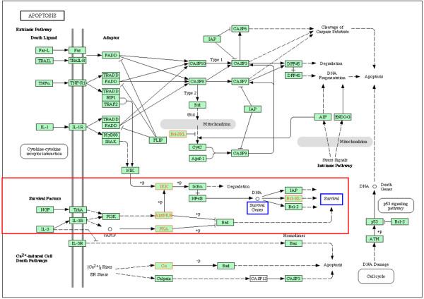
Rheumatoid arthritis (RA) is a chronic inflammatory and destructive joint disease characterized by overexpression of pro-inflammatory/pro-destructive genes and other activating genes (for example, proto-oncogenes) in the synovial membrane (SM). The gene expression in disease is often characterized by significant inter-individual variances via specific synchronization/desynchronization of gene expression. To elucidate the contribution of the variance to the pathogenesis of disease, expression variances were tested in SM samples of RA patients, osteoarthritis (OA) patients, and normal controls (NCs).
Analysis of gene expression in RA, OA, and NC samples was carried out using Affymetrix U133A/B oligonucleotide arrays, and the results were validated by real-time reverse transcription-polymerase chain reaction. For the comparison between RA and NC, 568 genes with significantly different variances in the two groups (P <or= 0.05; Bonferroni/Holm corrected Brown-Forsythe version of the Levene test) were selected. For the comparison between RA and OA, 333 genes were selected. By means of the Kyoto Encyclopedia of Genes and Genomes, the pathways/complexes significantly affected by higher gene expression variances were identified in each group.
Ten pathways/complexes significantly affected by higher gene expression variances were identified in RA compared with NC, including cytokine-cytokine receptor interactions, the transforming growth factor-beta pathway, and anti-apoptosis. Compared with OA, three pathways with significantly higher variances were identified in RA (for example, B-cell receptor signaling and vascular endothelial growth factor signaling). Functionally, the majority of the identified pathways are involved in the regulation of inflammation, proliferation, cell survival, and angiogenesis.
In RA, a number of disease-relevant or even disease-specific pathways/complexes are characterized by broad intra-group inter-individual expression variances. Thus, RA pathogenesis in different individuals may depend to a lesser extent on common alterations of the expression of specific key genes, and rather on individual-specific alterations of different genes resulting in common disturbances of key pathways.
类风湿性关节炎(RA)是一种慢性炎症性和破坏性关节疾病,其特征在于滑膜(SM)中促炎/促破坏基因和其他激活基因(例如原癌基因)的过度表达。疾病中的基因表达通常通过基因表达的特定同步/不同步表现出显著的个体间差异。为了阐明这种差异对疾病发病机制的影响,我们在类风湿性关节炎患者、骨关节炎(OA)患者和正常对照(NC)的滑膜样本中测试了表达差异。
使用Affymetrix U133A/B寡核苷酸阵列对RA、OA和NC样本中的基因表达进行分析,并通过实时逆转录-聚合酶链反应验证结果。在RA和NC之间的比较中,选择了两组中差异显著的568个基因(P≤0.05;经Bonferroni/Holm校正的Levene检验的Brown-Forsythe版本)。在RA和OA之间的比较中,选择了333个基因。通过京都基因与基因组百科全书,确定了每组中受较高基因表达差异显著影响的途径/复合物。
与NC相比,在RA中确定了10条受较高基因表达差异显著影响的途径/复合物,包括细胞因子-细胞因子受体相互作用、转化生长因子-β途径和抗凋亡。与OA相比,在RA中确定了三条差异显著更高的途径(例如,B细胞受体信号传导和血管内皮生长因子信号传导)。在功能上,大多数已确定的途径参与炎症调节、增殖、细胞存活和血管生成。
在RA中,许多与疾病相关甚至疾病特异性的途径/复合物具有广泛的组内个体间表达差异。因此,不同个体的RA发病机制可能在较小程度上取决于特定关键基因表达的共同改变,而更多地取决于不同基因的个体特异性改变导致关键途径的共同紊乱。