Suppr超能文献

用于M序列雷达应用的超宽带差分放大器的设计与实现

Design and Realization of Ultra-Wideband Differential Amplifiers for M-Sequence Radar Applications.

作者信息

Sokol Miroslav, Galajda Pavol, Jurik Patrik

机构信息

Department of Electronics and Multimedia Telecommunications, Technical University of Košice, 042 00 Kosice, Slovakia.

出版信息

Sensors (Basel). 2024 Mar 27;24(7):2143. doi: 10.3390/s24072143.

Abstract

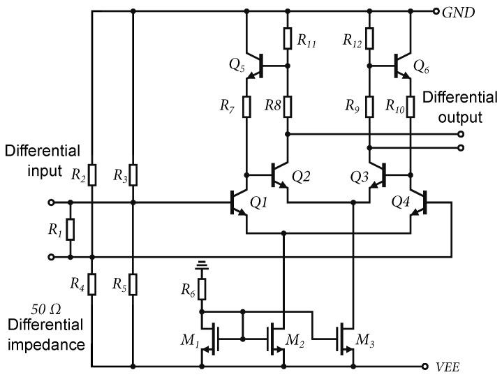
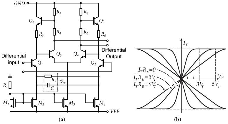
Amplification of wideband high-frequency and microwave signals is a fundamental element within every high-frequency circuit and device. Ultra-wideband (UWB) sensor applications use circuits designed for their specific application. The article presents the analysis, design, and implementation of ultra-wideband differential amplifiers for M-sequence-based UWB applications. The designed differential amplifiers are based on the Cherry-Hooper structure and are implemented in a low-cost 0.35 µm SiGe BiCMOS semiconductor process. The article presents an analysis and realization of several designs focused on different modifications of the Cherry-Hooper amplifier structure. The proposed amplifier modifications are focused on achieving the best result in one main parameter's performance. Amplifier designs modified by capacitive peaking to achieve the largest bandwidth, amplifiers with the lowest possible noise figure, and designs focused on achieving the highest common mode rejection ratio (CMRR) are described. The layout of the differential amplifiers was created and the chip was manufactured and wire-bonded to the QFN package. For evaluation purposes, a high-frequency PCB board was designed. Schematic simulations, post-layout simulations, and measurements of the individual parameters of the designed amplifiers were performed. The designed and fabricated ultra-wideband differential amplifiers have the following parameters: a supply current of 100-160 mA at -3.3 V or 3.3 V, bandwidth from 6 to 12 GHz, gain (at 1 GHz) from 12 to 16 dB, noise figure from 7 to 13 dB, and a common mode rejection ratio of up to 70 dB.

摘要

宽带高频和微波信号放大是每个高频电路和设备中的基本要素。超宽带(UWB)传感器应用使用针对其特定应用设计的电路。本文介绍了用于基于M序列的UWB应用的超宽带差分放大器的分析、设计和实现。所设计的差分放大器基于Cherry-Hooper结构,并采用低成本的0.35 µm SiGe BiCMOS半导体工艺实现。本文介绍了几种针对Cherry-Hooper放大器结构不同修改的设计的分析和实现。所提出的放大器修改旨在在一个主要参数的性能上取得最佳结果。描述了通过电容峰值实现最大带宽的放大器修改、具有尽可能低噪声系数的放大器以及专注于实现最高共模抑制比(CMRR)的设计。创建了差分放大器的布局,制造了芯片并将其引线键合到QFN封装。为了进行评估,设计了一个高频PCB板。对所设计放大器的各个参数进行了原理图仿真、布局后仿真和测量。所设计和制造的超宽带差分放大器具有以下参数:在-3.3 V或3.3 V时的电源电流为100 - 160 mA,带宽为6至12 GHz,增益(在1 GHz时)为12至16 dB,噪声系数为7至13 dB,共模抑制比高达70 dB。

https://cdn.ncbi.nlm.nih.gov/pmc/blobs/80c3/11014217/ab65366a0753/sensors-24-02143-g001.jpg

文献AI研究员

20分钟写一篇综述,助力文献阅读效率提升50倍。

立即体验

用中文搜PubMed

大模型驱动的PubMed中文搜索引擎

马上搜索

文档翻译

学术文献翻译模型,支持多种主流文档格式。

立即体验