Suppr超能文献

基于动态小波包变换和优化支持向量机的开关电源故障诊断

Fault Diagnosis of Switching Power Supplies Using Dynamic Wavelet Packet Transform and Optimized SVM.

作者信息

Xu Jie, Zhu Jingjing, Wang Zhifeng

机构信息

School of Intelligent Manufacturing and Control Engineering, Shanghai Polytechnic University, Shanghai 201209, China.

出版信息

Sensors (Basel). 2025 May 21;25(10):3236. doi: 10.3390/s25103236.

Abstract

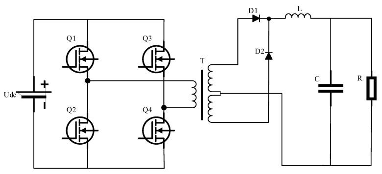
Switch mode power supplies (SMPSs) are prone to various faults under complex operating environments and variable load conditions. To improve the accuracy and reliability of fault diagnosis, this paper proposes an intelligent diagnosis method based on Dynamic Wavelet Packet Transform (DWPT) and Improved Artificial Bee Colony Optimized Support Vector Machine (APABC-SVM). First, an adaptive wavelet packet decomposition mechanism is used to refine the time-frequency feature extraction of the signal to improve the feature differentiation. Then, a dynamic window statistics method is introduced to construct comprehensive dynamic feature vectors to capture the transient changes in fault signals. Finally, the APABC is used to optimize the SVM classifier parameters to improve the classification performance and avoid the local optimum problem. The experimental results show that the method achieves an average accuracy of 99.091% in the complex fault diagnosis of switching power supplies, which is 21.8 percentage points higher than that of the traditional spectrum analysis method (77.273%). This study provides an efficient solution for the accurate diagnosis of complex fault modes in switching power supplies.

摘要

开关模式电源(SMPS)在复杂的运行环境和可变负载条件下容易出现各种故障。为了提高故障诊断的准确性和可靠性,本文提出了一种基于动态小波包变换(DWPT)和改进的人工蜂群优化支持向量机(APABC-SVM)的智能诊断方法。首先,采用自适应小波包分解机制对信号进行时频特征提取的细化,以提高特征区分度。然后,引入动态窗口统计方法构建综合动态特征向量,以捕捉故障信号的瞬态变化。最后,利用APABC对支持向量机分类器参数进行优化,以提高分类性能并避免局部最优问题。实验结果表明,该方法在开关电源复杂故障诊断中平均准确率达到99.091%,比传统频谱分析方法(77.273%)高出21.8个百分点。本研究为开关电源复杂故障模式的准确诊断提供了一种有效的解决方案。

https://cdn.ncbi.nlm.nih.gov/pmc/blobs/49d5/12115910/c5c6e3f69058/sensors-25-03236-g001.jpg

文献AI研究员

20分钟写一篇综述,助力文献阅读效率提升50倍。

立即体验

用中文搜PubMed

大模型驱动的PubMed中文搜索引擎

马上搜索

文档翻译

学术文献翻译模型,支持多种主流文档格式。

立即体验