Bernat J L, Sadowsky C H, Vincent F M, Nordgren R E, Margolis G
J Neurol Neurosurg Psychiatry. 1976 Nov;39(11):1124-8. doi: 10.1136/jnnp.39.11.1124.
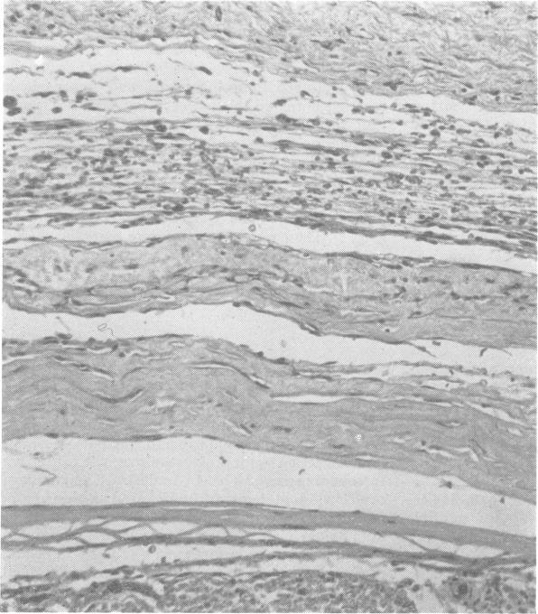
Reported complications of intrathecal steroid therapy include aseptic meningitis, infectious meningitis, and arachnoiditis. We report a case of sclerosing spinal pachymeningitis complicating the attempted intrathecal administration of Depo-Medrol for multiple sclerosis. The lesion is characterised by concentric laminar proliferation of neomembranes within the subdural space of the entire spinal cord and cauda equina, resulting from repeated episodes of injury and repair to the spinal dura mater by Depo-Medrol. There is clinical and laboratory evidence that Depo-Medrol produces meningeal irritation and that the vehicle is the necrotising fraction.