Suppr超能文献

基于虚拟传感器的监测与控制接口。

Monitoring and control interface based on virtual sensors.

作者信息

Escobar Ricardo F, Adam-Medina Manuel, García-Beltrán Carlos D, Olivares-Peregrino Víctor H, Juárez-Romero David, Guerrero-Ramírez Gerardo V

机构信息

Centro Nacional de Investigación y Desarrollo Tecnológico, Tecnológico Nacional de México, Int. Internado Palmira S/N, Palmira, C.P. 62490 Cuernavaca, Morelos, Mexico.

Centro de Investigación en Ingeniería y Ciencias Aplicadas, Universidad Autónoma del Estado de Morelos, Av. Universidad 1001, Col. Chamilpa, C.P. 62209 Cuernavaca, Morelos, Mexico.

出版信息

Sensors (Basel). 2014 Oct 31;14(11):20645-66. doi: 10.3390/s141120645.

Abstract

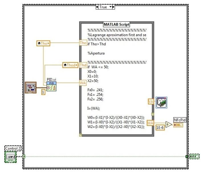
In this article, a toolbox based on a monitoring and control interface (MCI) is presented and applied in a heat exchanger. The MCI was programed in order to realize sensor fault detection and isolation and fault tolerance using virtual sensors. The virtual sensors were designed from model-based high-gain observers. To develop the control task, different kinds of control laws were included in the monitoring and control interface. These control laws are PID, MPC and a non-linear model-based control law. The MCI helps to maintain the heat exchanger under operation, even if a temperature outlet sensor fault occurs; in the case of outlet temperature sensor failure, the MCI will display an alarm. The monitoring and control interface is used as a practical tool to support electronic engineering students with heat transfer and control concepts to be applied in a double-pipe heat exchanger pilot plant. The method aims to teach the students through the observation and manipulation of the main variables of the process and by the interaction with the monitoring and control interface (MCI) developed in LabVIEW©. The MCI provides the electronic engineering students with the knowledge of heat exchanger behavior, since the interface is provided with a thermodynamic model that approximates the temperatures and the physical properties of the fluid (density and heat capacity). An advantage of the interface is the easy manipulation of the actuator for an automatic or manual operation. Another advantage of the monitoring and control interface is that all algorithms can be manipulated and modified by the users.

摘要

本文介绍了一种基于监控接口(MCI)的工具箱,并将其应用于热交换器。对MCI进行了编程,以利用虚拟传感器实现传感器故障检测与隔离以及容错功能。虚拟传感器由基于模型的高增益观测器设计而成。为了开展控制任务,监控接口中包含了不同类型的控制律。这些控制律包括PID、MPC和基于非线性模型的控制律。即使发生出口温度传感器故障,MCI也有助于维持热交换器的运行;在出口温度传感器出现故障的情况下,MCI会显示警报。监控接口用作一种实用工具,帮助电子工程专业的学生理解传热和控制概念,并将其应用于双管热交换器试验装置。该方法旨在通过观察和操纵过程的主要变量以及与在LabVIEW©中开发的监控接口(MCI)进行交互来教导学生。MCI为电子工程专业的学生提供了热交换器行为的知识,因为该接口配备了一个近似流体温度和物理性质(密度和热容量)的热力学模型。该接口的一个优点是易于操纵执行器以进行自动或手动操作。监控接口的另一个优点是所有算法都可以由用户进行操纵和修改。

https://cdn.ncbi.nlm.nih.gov/pmc/blobs/85bc/4279504/c361ced88de7/sensors-14-20645f1.jpg

文献AI研究员

20分钟写一篇综述,助力文献阅读效率提升50倍。

立即体验

用中文搜PubMed

大模型驱动的PubMed中文搜索引擎

马上搜索

文档翻译

学术文献翻译模型,支持多种主流文档格式。

立即体验