Suppr超能文献

用于读出电阻式传感器阵列的具有电容反馈的改进电路。

Improved Circuits with Capacitive Feedback for Readout Resistive Sensor Arrays.

作者信息

Oballe-Peinado Óscar, Vidal-Verdú Fernando, Sánchez-Durán José A, Castellanos-Ramos Julián, Hidalgo-López José A

机构信息

Departamento de Electrónica, Universidad de Málaga, Andalucía Tech, Campus de Teatinos, Málaga 29071, Spain.

Instituto de Investigación Biomédica de Málaga (IBIMA), Málaga 29010, Spain.

出版信息

Sensors (Basel). 2016 Jan 25;16(2):149. doi: 10.3390/s16020149.

Abstract

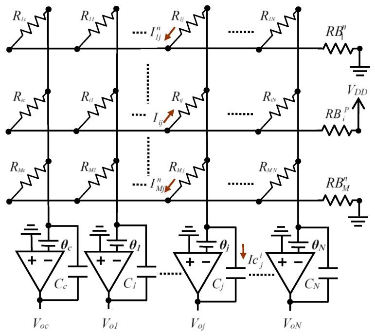
One of the most suitable ways of distributing a resistive sensor array for reading is an array with M rows and N columns. This allows reduced wiring and a certain degree of parallelism in the implementation, although it also introduces crosstalk effects. Several types of circuits can carry out the analogue-digital conversion of this type of sensors. This article focuses on the use of operational amplifiers with capacitive feedback and FPGAs for this task. Specifically, modifications of a previously reported circuit are proposed to reduce the errors due to the non-idealities of the amplifiers and the I/O drivers of the FPGA. Moreover, calibration algorithms are derived from the analysis of the proposed circuitry to reduce the crosstalk error and improve the accuracy. Finally, the performances of the proposals is evaluated experimentally on an array of resistors and for different ranges.

摘要

用于读取的电阻式传感器阵列最合适的分布方式之一是具有M行和N列的阵列。这可以减少布线,并在实现过程中实现一定程度的并行性,尽管它也会引入串扰效应。有几种类型的电路可以对这类传感器进行模数转换。本文重点介绍使用具有电容性反馈的运算放大器和FPGA来完成这项任务。具体而言,提出了对先前报道的电路进行修改,以减少由于放大器和FPGA的I/O驱动器的非理想性而产生的误差。此外,通过对所提出电路的分析得出校准算法,以减少串扰误差并提高精度。最后,在电阻阵列上并针对不同范围对所提方案的性能进行了实验评估。

https://cdn.ncbi.nlm.nih.gov/pmc/blobs/a2d8/4801527/a34fefa7a9eb/sensors-16-00149-g001.jpg

文献检索

告别复杂PubMed语法,用中文像聊天一样搜索,搜遍4000万医学文献。AI智能推荐,让科研检索更轻松。

立即免费搜索

文件翻译

保留排版,准确专业,支持PDF/Word/PPT等文件格式,支持 12+语言互译。

免费翻译文档

深度研究

AI帮你快速写综述,25分钟生成高质量综述,智能提取关键信息,辅助科研写作。

立即免费体验