Suppr超能文献

一种用于混凝土湿度监测的新型无源无线传感器。

A Novel Passive Wireless Sensor for Concrete Humidity Monitoring.

作者信息

Zhou Shuangxi, Deng Fangming, Yu Lehua, Li Bing, Wu Xiang, Yin Baiqiang

机构信息

School of Civil Engineering and Architecture, East China Jiaotong University, Nanchang 330013, China.

School of Electrical and Automation Engineering, East China Jiaotong University, Nanchang 330013, China.

出版信息

Sensors (Basel). 2016 Sep 20;16(9):1535. doi: 10.3390/s16091535.

Abstract

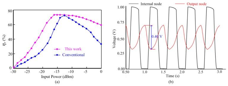
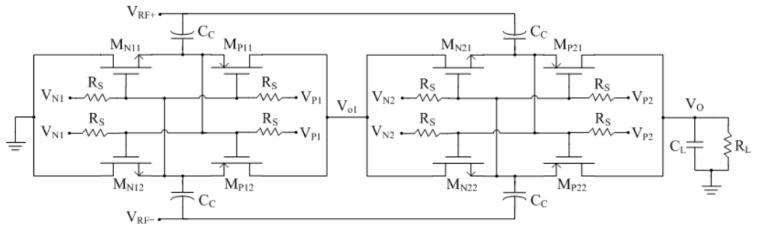
This paper presents a passive wireless humidity sensor for concrete monitoring. After discussing the transmission of electromagnetic wave in concrete, a novel architecture of wireless humidity sensor, based on Ultra-High Frequency (UHF) Radio Frequency Identification (RFID) technology, is proposed for low-power application. The humidity sensor utilizes the top metal layer to form the interdigitated electrodes, which were then filled with polyimide as the humidity sensing layer. The sensor interface converts the humidity capacitance into a digital signal in the frequency domain. A two-stage rectifier adopts a dynamic bias-voltage generator to boost the effective gate-source voltage of the switches in differential-drive architecture. The clock generator employs a novel structure to reduce the internal voltage swing. The measurement results show that our proposed wireless humidity can achieve a high linearity with a normalized sensitivity of 0.55% %RH at 20 °C. Despite the high losses of concrete, the proposed wireless humidity sensor achieves reliable communication performances in passive mode. The maximum operating distance is 0.52 m when the proposed wireless sensor is embedded into the concrete at the depth of 8 cm. The measured results are highly consistent with the results measured by traditional methods.

摘要

本文提出了一种用于混凝土监测的无源无线湿度传感器。在讨论了电磁波在混凝土中的传播之后,提出了一种基于超高频(UHF)射频识别(RFID)技术的新型无线湿度传感器架构,用于低功耗应用。湿度传感器利用顶部金属层形成叉指电极,然后用聚酰亚胺填充作为湿度传感层。传感器接口将湿度电容在频域中转换为数字信号。两级整流器采用动态偏置电压发生器来提高差分驱动架构中开关的有效栅源电压。时钟发生器采用新颖的结构来降低内部电压摆幅。测量结果表明,我们提出的无线湿度传感器在20°C时可实现高线性度,归一化灵敏度为0.55% %RH。尽管混凝土损耗较高,但所提出的无线湿度传感器在无源模式下仍能实现可靠的通信性能。当所提出的无线传感器嵌入到深度为8 cm的混凝土中时,最大工作距离为0.52 m。测量结果与传统方法测量的结果高度一致。

https://cdn.ncbi.nlm.nih.gov/pmc/blobs/c719/5038808/b43dae080f14/sensors-16-01535-g001.jpg

文献AI研究员

20分钟写一篇综述,助力文献阅读效率提升50倍。

立即体验

用中文搜PubMed

大模型驱动的PubMed中文搜索引擎

马上搜索

文档翻译

学术文献翻译模型,支持多种主流文档格式。

立即体验