Suppr超能文献

纤维素纳米晶体在乳酸胆碱离子液体中的功能化

Functionalization of Cellulose Nanocrystals in Choline Lactate Ionic Liquid.

作者信息

Montes Sarah, Azcune Itxaso, Cabañero Germán, Grande Hans-Jürgen, Odriozola Ibon, Labidi Jalel

机构信息

Materials Division, IK4-CIDETEC Research Centre, Paseo de Miramón 196, 20009 San Sebastián, Spain.

Chemical and Environmental Engineering Department, University of the Basque Country, Plaza Europa 1, 20018 San Sebastian, Spain.

出版信息

Materials (Basel). 2016 Jun 23;9(7):499. doi: 10.3390/ma9070499.

Abstract

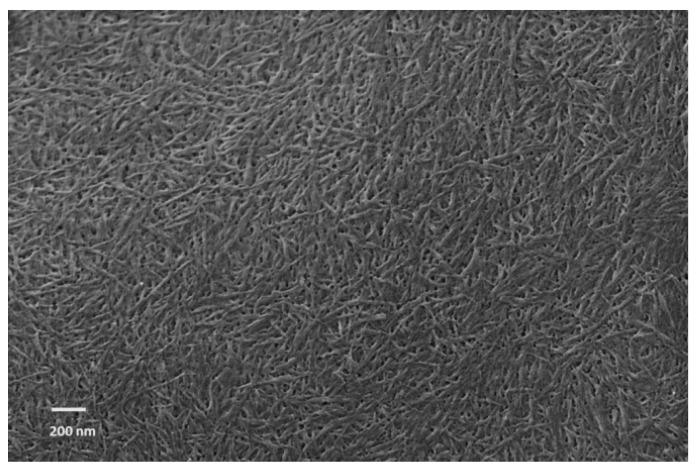
Cellulose nanocrystals (CNCs) are valuable nanomaterials obtained from renewable resources. Their properties make them suitable for a wide range of applications, including polymer reinforcement. However, due to their highly hydrophilic character, it is necessary to modify their surface with non-polar functional groups before their incorporation into a hydrophobic polymer matrix. In this work, cellulose nanocrystals were modified using a silane coupling agent and choline lactate, an ionic liquid derived from renewable resources, as a reaction medium. Modified cellulose nanocrystals were characterized by infrared spectroscopy, showing new peaks associated to the modification performed. X-ray diffraction was used to analyze the crystalline structure of functionalized cellulose nanocrystals and to optimize the amount of silane for functionalization. Poly(lactic acid) (PLA) nanocomposites containing 1 wt % of functionalized cellulose nanocrystals were prepared. They were characterized by field-emission scanning electron microscopy (FE-SEM) and mechanical tests. The use of choline lactate as reaction media has been shown to be an alternative method for the dispersion and silanization of the cellulose nanocrystals without the addition of an external catalyst.

摘要

纤维素纳米晶体(CNCs)是从可再生资源中获得的有价值的纳米材料。它们的特性使其适用于广泛的应用,包括聚合物增强。然而,由于其高度亲水性,在将它们掺入疏水聚合物基体之前,有必要用非极性官能团对其表面进行改性。在这项工作中,使用硅烷偶联剂和胆碱乳酸盐(一种源自可再生资源的离子液体)作为反应介质对纤维素纳米晶体进行改性。通过红外光谱对改性纤维素纳米晶体进行表征,显示出与所进行的改性相关的新峰。利用X射线衍射分析功能化纤维素纳米晶体的晶体结构,并优化硅烷的功能化用量。制备了含有1 wt%功能化纤维素纳米晶体的聚乳酸(PLA)纳米复合材料。通过场发射扫描电子显微镜(FE-SEM)和力学测试对它们进行表征。已表明使用胆碱乳酸盐作为反应介质是在不添加外部催化剂的情况下对纤维素纳米晶体进行分散和硅烷化的一种替代方法。

https://cdn.ncbi.nlm.nih.gov/pmc/blobs/1a20/5456852/9bcd0422afd4/materials-09-00499-g001.jpg

文献AI研究员

20分钟写一篇综述,助力文献阅读效率提升50倍。

立即体验

用中文搜PubMed

大模型驱动的PubMed中文搜索引擎

马上搜索

文档翻译

学术文献翻译模型,支持多种主流文档格式。

立即体验