Suppr超能文献

通过框架干扰观测器对控制力矩陀螺的转子动不平衡进行间接测量。

Indirect Measurement of Rotor Dynamic Imbalance for Control Moment Gyroscopes via Gimbal Disturbance Observer.

机构信息

School of Instrumentation Science and Optoelectronics Engineering, Beihang University, Beijing 100191, China.

出版信息

Sensors (Basel). 2018 Jun 7;18(6):1873. doi: 10.3390/s18061873.

Abstract

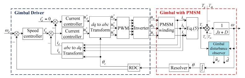
The high-precision speed control of gimbal servo systems is the key to generating high-precision torque for control moment gyroscopes (CMGs) in spacecrafts. However, the control performance of gimbal servo systems may be degraded significantly by disturbances, especially a dynamic imbalance disturbance with the same frequency as the high-speed rotor. For assembled CMGs, it is very difficult to measure the rotor imbalance directly by using a dynamic balancing machine. In this paper, a gimbal disturbance observer is proposed to estimate the dynamic imbalance of the rotor assembled in the CMG. First, a third-order dynamical system is established to describe the disturbance dynamics of the gimbal servo system, in which the rotor dynamic imbalance torque along the gimbal axis and the other disturbances are modeled to be periodic and bounded, respectively. Then, the gimbal disturbance observer is designed for the third-order dynamical system by using the total disturbance as a virtual measurement. Since the virtual measurement is derived from the inverse dynamics of the gimbal servo system, the information of the rotor dynamic imbalance can be obtained indirectly only using the measurements of gimbal speed and three-phase currents. Semi-physical experimental results demonstrate the effectiveness of the observer by using a CMG simulator.

摘要

框架伺服系统的高精度速度控制是为航天器控制力矩陀螺(CMG)产生高精度力矩的关键。然而,框架伺服系统的控制性能可能会因干扰而显著降低,特别是与高速转子同频的动态不平衡干扰。对于组装好的 CMG,使用动平衡机直接测量转子不平衡非常困难。本文提出了一种框架干扰观测器来估计组装在 CMG 中的转子的动态不平衡。首先,建立了一个三阶动力学系统来描述框架伺服系统的干扰动力学,其中框架轴上的转子动不平衡转矩和其他干扰分别被建模为周期性和有界的。然后,通过将总干扰作为虚拟测量,为三阶动力学系统设计了框架干扰观测器。由于虚拟测量是从框架伺服系统的逆动力学中导出的,因此只能通过测量框架速度和三相电流来间接获得转子动不平衡的信息。使用 CMG 模拟器的半物理实验结果证明了该观测器的有效性。

https://cdn.ncbi.nlm.nih.gov/pmc/blobs/3ac4/6021844/fc3dee7708e0/sensors-18-01873-g001.jpg

文献AI研究员

20分钟写一篇综述,助力文献阅读效率提升50倍。

立即体验

用中文搜PubMed

大模型驱动的PubMed中文搜索引擎

马上搜索

文档翻译

学术文献翻译模型,支持多种主流文档格式。

立即体验