Suppr超能文献

稀土成核剂改性聚丙烯结晶的空间电荷特性

Space Charge Characteristics of Polypropylene Modified by Rare Earth Nucleating Agent for Crystallization.

作者信息

Yang Jiaming, Gao Mingze, Zhao Hong, Liu Shilin, Hu Ming, Xie Shuhong

机构信息

Key Laboratory of Engineering Dielectric and its Application, Ministry of Education, Harbin University of Science and Technology, Harbin 150080, China.

Zhongtian Technology Submarine Cable Co., Ltd., Nantong 226000, China.

出版信息

Materials (Basel). 2018 Dec 24;12(1):42. doi: 10.3390/ma12010042.

Abstract

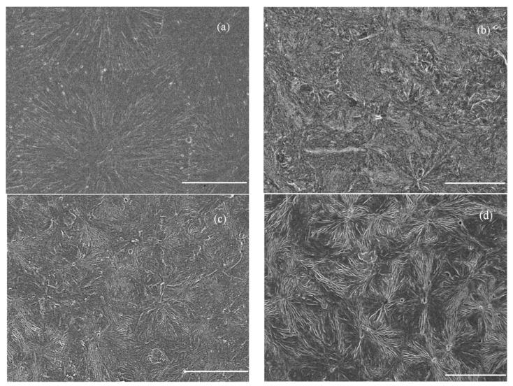
Compared to cross-linked polyethylene, polypropylene has a thermoplastic property and the advantage of recycling. However, the poor impact resistance at low temperature and the corresponding space charge problem restrict the application of polypropylene with the extruded high voltage direct current (HVDC) cable. Sufficient introduction of the form of the polypropylene crystal can significantly improve impact resistance at low temperatures. Although it has been widely applied in insulation engineering, the effect of -crystal on the space charge characteristics of polypropylene has rarely been researched until now. In this paper, a rare earth nucleating agent of -crystal is employed to modify the performance of polypropylene to investigate the effects of nucleating agent content on -crystalline, mechanical relaxation, trap, and space charge characteristics of polypropylene. The results of differential scanning calorimeter (DSC) and X-ray diffraction (XRD) tests indicate that the relative content of -crystal in modified polypropylene increases gradually with the increasing concentration of the nucleating agent, approaching 43.5% when the nucleating agent content has been raised to 0.2 wt %, suggesting appreciable efficiency of the nucleating agent utilized in our research. Scanning electron microscopy (SEM) is utilized to characterize the morphology of -crystal spherulites, which illustrates that the -spherulites are in bunchy shape, and the lamellar crystals are parallel to each other without an obvious boundary between them. The results of the space charge test demonstrate that the modified polypropylene can substantially suppress space charge accumulation, which is attributed to an increment of -crystal content by adopting a rare earth nucleating agent. It is indicated from dynamic mechanical analysis (DMA) measurements that the enhancement of -crystalline in modified polypropylene can distinctly increase and decrease the and relaxation losses, respectively, which proves that the defects in -crystal and amorphous regions are reduced and increased respectively. Thermally stimulated depolarization current tests further confirm that the number of traps caused by defects in the -form of polypropylene crystal declines definitely, which dominantly accounts for the suppression of space charge accumulation.

摘要

与交联聚乙烯相比,聚丙烯具有热塑性和可回收利用的优点。然而,其低温下较差的抗冲击性以及相应的空间电荷问题限制了聚丙烯在挤出高压直流(HVDC)电缆中的应用。充分引入聚丙烯晶体的形态可以显著提高低温下的抗冲击性。尽管它已在绝缘工程中广泛应用,但迄今为止,β - 晶体对聚丙烯空间电荷特性的影响鲜有研究。本文采用β - 晶体的稀土成核剂来改性聚丙烯的性能,以研究成核剂含量对聚丙烯的β - 结晶、力学松弛、陷阱和空间电荷特性的影响。差示扫描量热法(DSC)和X射线衍射(XRD)测试结果表明,改性聚丙烯中β - 晶体的相对含量随着成核剂浓度的增加而逐渐增加,当成核剂含量提高到0.2 wt%时接近43.5%,表明我们研究中使用的成核剂具有显著效果。扫描电子显微镜(SEM)用于表征β - 晶体球晶的形态,结果表明β - 球晶呈束状,片晶相互平行且它们之间没有明显边界。空间电荷测试结果表明,改性聚丙烯可以显著抑制空间电荷积累,这归因于采用稀土成核剂使β - 晶体含量增加。动态力学分析(DMA)测量结果表明,改性聚丙烯中β - 结晶的增强分别能明显增加和降低α和β松弛损耗,这证明β - 晶体和非晶区中的缺陷分别减少和增加。热刺激去极化电流测试进一步证实,聚丙烯晶体β - 形态中缺陷引起的陷阱数量明显减少,这主要是抑制空间电荷积累的原因。

https://cdn.ncbi.nlm.nih.gov/pmc/blobs/1e33/6337190/a30eb1948dbf/materials-12-00042-g001.jpg

文献AI研究员

20分钟写一篇综述,助力文献阅读效率提升50倍。

立即体验

用中文搜PubMed

大模型驱动的PubMed中文搜索引擎

马上搜索

文档翻译

学术文献翻译模型,支持多种主流文档格式。

立即体验