Suppr超能文献

在较低重整温度下,重石脑油在磷-ZSM-5催化剂上催化转化为重整产物。

Catalytic conversion of heavy naphtha to reformate over the phosphorus-ZSM-5 catalyst at a lower reforming temperature.

作者信息

Al-Shafei Emad N, Albahar Mohammed Z, Aljishi Mohammad F, Akah Aaron, Aljishi Ali N, Alasseel Ahmed

机构信息

Research and Development Center Saudi Aramco Dhahran 31311 Saudi Arabia

出版信息

RSC Adv. 2022 Sep 7;12(39):25465-25477. doi: 10.1039/d2ra04092a. eCollection 2022 Sep 5.

Abstract

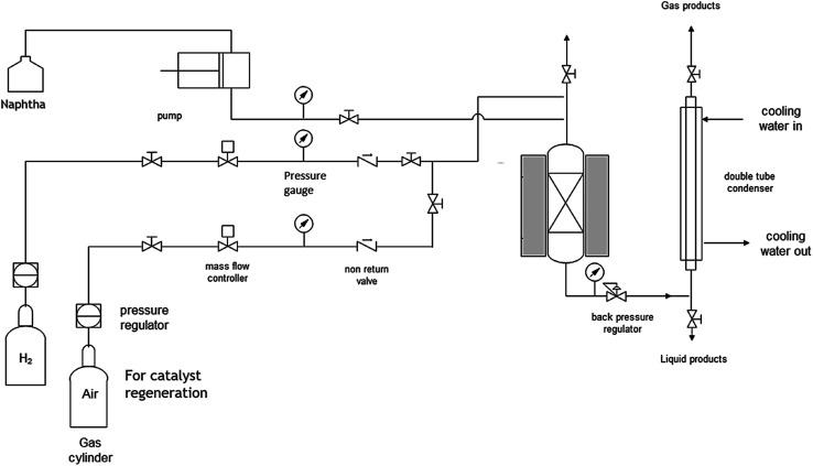
Naphtha reforming to aromatics, naphthenes, and iso-paraffins is an essential process to increase the octane number of gasoline through the utilization of middle naphtha (whole). A ZSM-5 zeolite catalyst with modified medium pores was developed to comprehend the existing limitation of catalytic reforming to the unutilized refinery feedstock of heavy naphtha. The study applied a lower reforming conversion temperature (350 °C) than a conventional reformer without noble metal addition in an effort to lower the carbon footprint of the process and catalyst cost. The modified zeolite catalyst was impregnated with phosphorus oxide and spray-dried, followed by a hydrothermal treatment with steam. The parent and modified catalysts were characterized by NH-TPD, SEM, XRD, NMR, FTIR, and N physisorption. Steam treatment was conducted to reduce the original zeolite acidity, mainly in the form of Brønsted acid sites, which resulted in the formation of phosphorus-aluminum species in the framework. The modified catalyst consisting of 40% ZSM-5 and 60% binder delivered high conversion of dodecane, and the reforming reaction selectivity favored the formation of carbonium ions through β-scission. Therefore, monomolecular cracking took place, resulting in the production of olefins and paraffin alongside iso-paraffins, aromatics, and naphthenes, which are associated with the bimolecular pathway. The reforming of heavy naphtha was different; the free radicals from β-scission were affected by the surrounding molecules of feedstock, and the bimolecular reactions were more dominant through zeolite pores. The study demonstrated that the addition of 10% steam during the reaction of heavy naphtha suppressed coke formation. Furthermore, high conversion and steady selectivity were maintained during the reaction, which resulted in gasoline reformate with a high research octane number (RON).

摘要

石脑油重整为芳烃、环烷烃和异构烷烃是通过利用中间石脑油(全馏分)提高汽油辛烷值的重要过程。开发了一种具有改性中孔的ZSM-5沸石催化剂,以理解催化重整对重石脑油这种未充分利用的炼油原料的现有局限性。该研究采用了比传统重整器更低的重整转化温度(350℃),且未添加贵金属,以降低该过程的碳足迹和催化剂成本。将改性沸石催化剂用氧化磷浸渍并喷雾干燥,然后用蒸汽进行水热处理。通过NH-TPD、SEM、XRD、NMR、FTIR和N物理吸附对母体催化剂和改性催化剂进行了表征。进行蒸汽处理以降低原始沸石的酸度,主要是以布朗斯台德酸中心的形式,这导致在骨架中形成磷铝物种。由40%ZSM-5和60%粘结剂组成的改性催化剂实现了十二烷的高转化率,并且重整反应选择性有利于通过β-断裂形成碳正离子。因此,发生了单分子裂化,除了与双分子途径相关的异构烷烃、芳烃和环烷烃外,还生成了烯烃和石蜡。重石脑油的重整有所不同;β-断裂产生的自由基受到原料周围分子的影响,并且双分子反应通过沸石孔更为占主导地位。该研究表明,在重石脑油反应过程中添加10%的蒸汽可抑制焦炭形成。此外,在反应过程中保持了高转化率和稳定的选择性,从而得到了具有高研究法辛烷值(RON)的汽油重整产物。

https://cdn.ncbi.nlm.nih.gov/pmc/blobs/13a6/9450848/685e9fd3797d/d2ra04092a-f1.jpg

文献AI研究员

20分钟写一篇综述,助力文献阅读效率提升50倍。

立即体验

用中文搜PubMed

大模型驱动的PubMed中文搜索引擎

马上搜索

文档翻译

学术文献翻译模型,支持多种主流文档格式。

立即体验