Suppr超能文献

关于线圈 LC 并联谐振对电感式磨损颗粒传感器检测效果影响的研究。

Research on the Influence of Coil LC Parallel Resonance on Detection Effect of Inductive Wear Debris Sensor.

机构信息

Guangzhou Mechanical Engineering Research Institute Co., Ltd., Guangzhou 510535, China.

School of Mechanical & Automotive Engineering, South China University of Technology, Guangzhou 510640, China.

出版信息

Sensors (Basel). 2022 Oct 2;22(19):7493. doi: 10.3390/s22197493.

Abstract

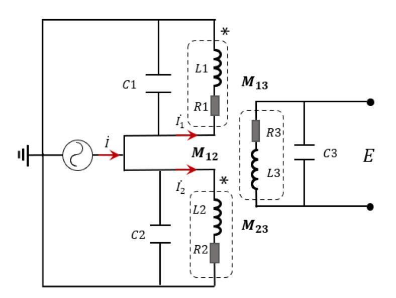
The coil structure of the inductive wear debris sensor plays a significant role in the effect of wear debris detection. According to the characteristics of LC parallel resonance, the capacitor and coil are connected in parallel to make sensor coils in the LC parallel resonance state, which is beneficial to improve the ability to detect wear particles. In this paper, the mathematical model of output-induced electromotance of the detection coil is established to analyze the influence of the structure on the detection sensitivity and enhance the sensor's current rate of change to the disturbance magnetic field, which is essential to resist noise interference. Based on the coherent demodulation principle, the AD630 lock-in amplifier is applied to the test platform to amplify and identify weak signals. In addition, experiments are designed to test the output signals of debris under the condition of different original output voltages of the sensor with a parallel structure. Meanwhile, the near-resonance state of the detection coil with LC parallel circuit is tested by output signal information. Results show that the sensor detection sensitivity will be effectively improved with the LC parallel coil structure. For the sensor structure parameters designed in this paper, the optimal raw output amplification voltage for abrasive particle detection is 4.49 V. The detection performance of ferromagnetic particles and non-ferromagnetic particles is tested under this condition, realizing the detection ability of 103.33 μm ferromagnetic abrasive particles and 320.74 μm non-ferromagnetic abrasive particles.

摘要

电感式磨屑传感器的线圈结构对磨屑检测效果起着重要作用。根据 LC 并联谐振的特点,将电容和线圈并联,使传感器线圈处于 LC 并联谐振状态,有利于提高对磨粒的检测能力。本文建立了检测线圈感应电动势的数学模型,分析了结构对检测灵敏度的影响,增强了传感器对干扰磁场的电流变化率,有效抵抗噪声干扰。基于相干解调原理,采用 AD630 锁相放大器应用于测试平台,对弱信号进行放大和识别。此外,还设计了实验,在传感器具有并联结构的不同原始输出电压条件下,测试磨屑的输出信号。同时,通过输出信号信息测试检测线圈的近谐振状态。结果表明,采用 LC 并联线圈结构可以有效提高传感器的检测灵敏度。对于本文设计的传感器结构参数,磨粒检测的最佳原始输出放大电压为 4.49V。在此条件下测试了铁磁性颗粒和非铁磁性颗粒的检测性能,实现了对 103.33μm 铁磁性磨粒和 320.74μm 非铁磁性磨粒的检测能力。

https://cdn.ncbi.nlm.nih.gov/pmc/blobs/3c8f/9571287/ef5ac6cf3723/sensors-22-07493-g001.jpg

相似文献

2
Improving the Detection Ability of Inductive Micro-Sensor for Non-Ferromagnetic Wear Debris.
Micromachines (Basel). 2020 Dec 15;11(12):1108. doi: 10.3390/mi11121108.
3
Inductive Magnetic Nanoparticle Sensor based on Microfluidic Chip Oil Detection Technology.
Micromachines (Basel). 2020 Feb 10;11(2):183. doi: 10.3390/mi11020183.
4
A Novel Method for Detecting Ferromagnetic Wear Debris with High Flow Velocity.
Sensors (Basel). 2022 Jun 29;22(13):4912. doi: 10.3390/s22134912.
10
On the Investigation of Frequency Characteristics of a Novel Inductive Debris Sensor.
Micromachines (Basel). 2023 Mar 17;14(3):669. doi: 10.3390/mi14030669.

引用本文的文献

本文引用的文献

1
Tunable signal processing through modular control of transcription factor translocation.
Science. 2013 Jan 25;339(6118):460-4. doi: 10.1126/science.1227299.

文献AI研究员

20分钟写一篇综述,助力文献阅读效率提升50倍。

立即体验

用中文搜PubMed

大模型驱动的PubMed中文搜索引擎

马上搜索

文档翻译

学术文献翻译模型,支持多种主流文档格式。

立即体验