Suppr超能文献

拼接连接中拓扑优化腹板盖板的剪切试验——实验设计与结果

Shear Testing of Topologically Optimised Web Cover Plates in Splice Connections-Experiment Design and Results.

作者信息

Ribeiro Tiago, Bernardo Luís, Nepomuceno Miguel C S, Maugeri Natale Antonio, Longo Paolo, De Domenico Dario

机构信息

Department of Civil Engineering and Architecture, University of Beira Interior, 6201-001 Covilhã, Portugal.

Centre of Materials and Building Technologies, Department of Civil Engineering and Architecture, University of Beira Interior, 6201-001 Covilhã, Portugal.

出版信息

Materials (Basel). 2023 Nov 8;16(22):7077. doi: 10.3390/ma16227077.

Abstract

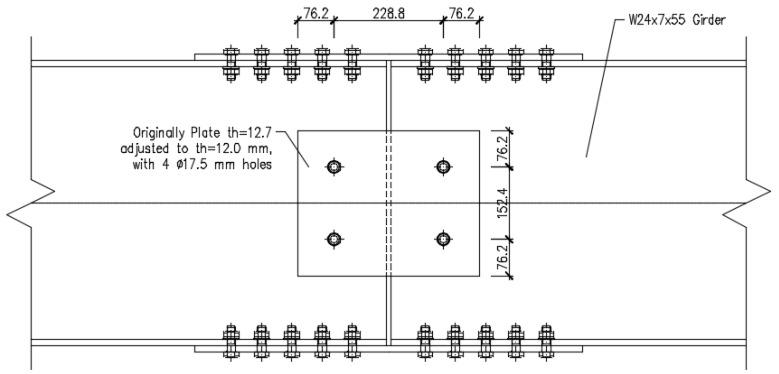
Testing shear-resisting plates in steel connections is one of the most challenging laboratory undertakings in steel construction, as the most common experimental layout design includes simulating the connection with its adjoining members. This significant hindrance gained particular magnitude as the need to test prototypes of topologically optimised shear cover plates became more pressing. Indeed, new code-compliant topology optimisation approaches for steel construction have recently been offered, and physically non-linear analyses have been demonstrated to be vital for assessing these elements. Hence, a rapid and reliable experimental process has become a fundamental necessity. To answer this need, a novel layout is herein proposed, in which topologically optimised and previously numerically examined bolted shear plates of a well-known steel joint were tested. The results allowed for the definition of the material trilinear model for use in subsequent numerical analysis, as well as the validation of the numerical simulation results. The discrepancy between the previously mathematically anticipated and empirically determined ultimate resistance did not exceed 1.7%.

摘要

测试钢结构连接中的抗剪板是钢结构建筑中最具挑战性的实验室工作之一,因为最常见的实验布局设计包括模拟连接件与其相邻构件。随着测试拓扑优化抗剪盖板原型的需求变得更加紧迫,这一重大障碍的影响尤为显著。事实上,最近已经提出了符合新规范的钢结构拓扑优化方法,并且已经证明物理非线性分析对于评估这些构件至关重要。因此,快速可靠的实验过程已成为基本需求。为满足这一需求,本文提出了一种新颖的布局,其中对一个知名钢节点的拓扑优化且先前经过数值研究的螺栓抗剪板进行了测试。结果可用于定义后续数值分析中使用的材料三线性模型,以及验证数值模拟结果。先前数学预期的极限抗力与经验确定的极限抗力之间的差异不超过1.7%。

https://cdn.ncbi.nlm.nih.gov/pmc/blobs/7eb7/10672298/661a604ca914/materials-16-07077-g001.jpg

文献AI研究员

20分钟写一篇综述,助力文献阅读效率提升50倍。

立即体验

用中文搜PubMed

大模型驱动的PubMed中文搜索引擎

马上搜索

文档翻译

学术文献翻译模型,支持多种主流文档格式。

立即体验