Suppr超能文献

一种用于受电磁干扰影响的闭环控制系统的组合控制器。

A Combined Controller for Closed-Loop Control Systems Affected by Electromagnetic Interference.

作者信息

Baskys Algirdas

机构信息

Faculty of Electronics, Vilnius Gediminas Technical University, Plytines Str. 25, 10105 Vilnius, Lithuania.

Department of Functional Materials and Electronics, Center for Physical Sciences and Technology, Sauletekio Ave. 3, 10257 Vilnius, Lithuania.

出版信息

Sensors (Basel). 2024 Feb 24;24(5):1466. doi: 10.3390/s24051466.

Abstract

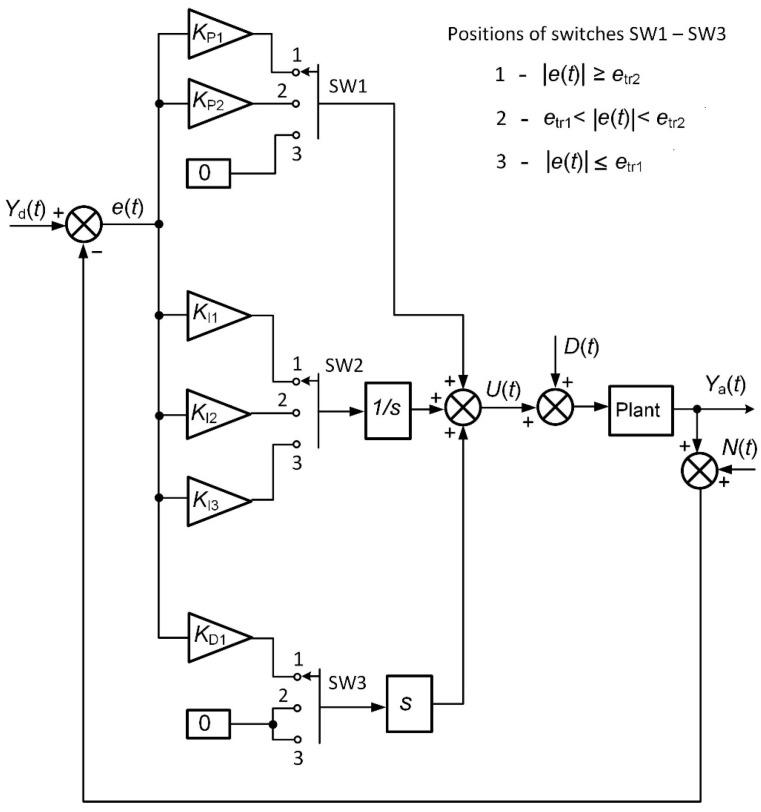
In this paper, a new approach for the solution of the electromagnetic interference impact problem in closed-loop control systems with proportional-integral-derivative (PID) controllers is proposed. The approach is based on the application of a combined controller that consists of three controllers: PID, PI and I, when only one of them is operating at a time, and which one is operating determines the control error value. The proposed combined controller allows for achieving better resistance of the control system to the noise signals produced by electromagnetic interference compared to PID and PID with low-pass filters in derivative term controllers without deteriorating the dynamic performance of the control system. The operation of the controller has been analysed using simulation and experiments with plants, the dynamics of which are described by first-order plus dead-time transfer functions.

摘要

本文提出了一种解决具有比例积分微分(PID)控制器的闭环控制系统中电磁干扰影响问题的新方法。该方法基于一种组合控制器的应用,该组合控制器由三个控制器组成:PID、PI和I,它们每次只有一个在运行,运行的控制器决定控制误差值。与PID以及在微分项控制器中带有低通滤波器的PID相比,所提出的组合控制器能够使控制系统对电磁干扰产生的噪声信号具有更好的抗性,同时不会降低控制系统的动态性能。已通过仿真和对对象进行实验来分析该控制器的运行情况,对象的动态特性由一阶加纯滞后传递函数描述。

https://cdn.ncbi.nlm.nih.gov/pmc/blobs/96b0/10933741/6c8643030b23/sensors-24-01466-g001.jpg

文献AI研究员

20分钟写一篇综述,助力文献阅读效率提升50倍。

立即体验

用中文搜PubMed

大模型驱动的PubMed中文搜索引擎

马上搜索

文档翻译

学术文献翻译模型,支持多种主流文档格式。

立即体验