Suppr超能文献

基于人工智能和频域阻抗谱的高压电缆缓冲层烧蚀故障识别

High-Voltage Cable Buffer Layer Ablation Fault Identification Based on Artificial Intelligence and Frequency Domain Impedance Spectroscopy.

作者信息

Liu Jiajun, Ma Mingchao, Liu Xin, Xu Haokun

机构信息

School of Electrical Engineering, Xi'an University of Technology, Xi'an 710054, China.

出版信息

Sensors (Basel). 2024 May 11;24(10):3067. doi: 10.3390/s24103067.

Abstract

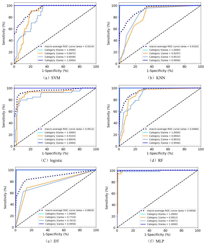
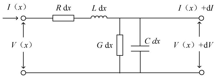
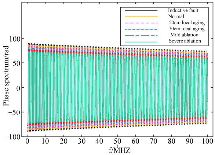
In recent years, the occurrence of high-voltage cable buffer layer ablation faults has become frequent, posing a serious threat to the safe and stable operation of cables. Failure to promptly detect and address such faults may lead to cable breakdowns, impacting the normal operation of the power system. To overcome the limitations of existing methods for identifying buffer layer ablation faults in high-voltage cables, a method for identifying buffer layer ablation faults based on frequency domain impedance spectroscopy and artificial intelligence is proposed. Firstly, based on the cable distributed parameter model and frequency domain impedance spectroscopy, a mathematical model of the input impedance of a cable containing buffer layer ablation faults is derived. Through a simulation, the input impedance spectroscopy at the first end of the cables under normal conditions, buffer layer ablation, local aging, and inductive faults is performed, enabling the identification of inductive and capacitive faults through a comparative analysis. Secondly, the frequency domain amplitude spectroscopy of the buffer layer ablation and local aging faults are used as datasets and are input into a neural network model for training and validation to identify buffer layer ablation and local aging faults. Finally, using multiple evaluation metrics to assess the neural network model validates the superiority of the MLP neural network in cable fault identification models and experimentally confirms the effectiveness of the proposed method.

摘要

近年来,高压电缆缓冲层烧蚀故障的发生日益频繁,对电缆的安全稳定运行构成了严重威胁。未能及时检测和处理此类故障可能导致电缆击穿,影响电力系统的正常运行。为克服现有高压电缆缓冲层烧蚀故障识别方法的局限性,提出了一种基于频域阻抗谱和人工智能的缓冲层烧蚀故障识别方法。首先,基于电缆分布参数模型和频域阻抗谱,推导了含缓冲层烧蚀故障电缆输入阻抗的数学模型。通过仿真,对正常情况下、缓冲层烧蚀、局部老化和电感故障时电缆首端的输入阻抗谱进行了分析,通过对比分析实现了对电感和电容性故障的识别。其次,将缓冲层烧蚀和局部老化故障的频域幅值谱作为数据集,输入神经网络模型进行训练和验证,以识别缓冲层烧蚀和局部老化故障。最后,使用多个评估指标对神经网络模型进行评估,验证了多层感知器神经网络在电缆故障识别模型中的优越性,并通过实验证实了所提方法的有效性。

https://cdn.ncbi.nlm.nih.gov/pmc/blobs/8626/11124936/5224f0171dec/sensors-24-03067-g001.jpg

文献AI研究员

20分钟写一篇综述,助力文献阅读效率提升50倍。

立即体验

用中文搜PubMed

大模型驱动的PubMed中文搜索引擎

马上搜索

文档翻译

学术文献翻译模型,支持多种主流文档格式。

立即体验