• 文献检索
  • 文档翻译
  • 深度研究
  • 学术资讯
  • Suppr Zotero 插件Zotero 插件
  • 邀请有礼
  • 套餐&价格
  • 历史记录
应用&插件
Suppr Zotero 插件Zotero 插件浏览器插件Mac 客户端Windows 客户端微信小程序
定价
高级版会员购买积分包购买API积分包
服务
文献检索文档翻译深度研究API 文档MCP 服务
关于我们
关于 Suppr公司介绍联系我们用户协议隐私条款
关注我们

Suppr 超能文献

核心技术专利:CN118964589B侵权必究
粤ICP备2023148730 号-1Suppr @ 2026

文献检索

告别复杂PubMed语法,用中文像聊天一样搜索,搜遍4000万医学文献。AI智能推荐,让科研检索更轻松。

立即免费搜索

文件翻译

保留排版,准确专业,支持PDF/Word/PPT等文件格式,支持 12+语言互译。

免费翻译文档

深度研究

AI帮你快速写综述,25分钟生成高质量综述,智能提取关键信息,辅助科研写作。

立即免费体验

风力发电混合储能系统的火用经济分析与优化

Exergoeconomic analysis and optimization of wind power hybrid energy storage system.

作者信息

Wen Caifeng, Lyu Yalin, Du Qian, Zhang Boxin, Lian Xuhui, Wang Qiang, Hao Hongliang

机构信息

College of Energy and Power Engineering, Inner Mongolia University of Technology, Hohhot, China.

Key Laboratory of Wind Energy and Solar Energy Technology, Ministry of Education of China, Hohhot, China.

出版信息

Sci Rep. 2024 May 31;14(1):12501. doi: 10.1038/s41598-024-63247-w.

DOI:10.1038/s41598-024-63247-w
PMID:38822091
原文链接:https://pmc.ncbi.nlm.nih.gov/articles/PMC11637032/
Abstract

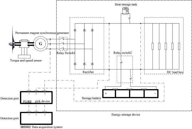
The hybrid energy storage system of wind power involves the deep coupling of heterogeneous energy such as electricity and heat. Exergy as a dual physical quantity that takes into account both 'quantity' and 'quality, plays an important guiding role in the unification of heterogeneous energy. In this paper, the operation characteristics of the system are related to the energy quality, and the operation strategy of the wind power hybrid energy storage system is proposed based on the exergoeconomics. First, the mathematical model of wind power hybrid energy storage system is established based on exergoeconomics. Then, wind power experiments of three forms of thermal-electric hybrid energy storage are carried out, and RSM is used to analyze the power quality and exergoeconomic characteristics of the system, and the optimal working conditions of the experiment are obtained. Finally, an optimization strategy is proposed by combining experiment and simulation. The system efficiency, unit exergy cost and current harmonic distortion rate are multi-objective optimization functions. The three algorithms evaluate the optimal solution based on standard deviation. The results show that the exergoeconomics can effectively judge the production-storage-use characteristics of the new system of ' wind power + energy storage'. The thermal-electric hybrid energy storage system can absorb the internal exergy loss of the battery, increase the exergy efficiency by 10%, reduce the unit exergy cost by 0.03 yuan/KJ, and reduce the current harmonic distortion rate by 8%. It provides guidance for improving the power quality of wind power system, improving the exergy efficiency of thermal-electric hybrid energy storage wind power system and reducing the unit cost.

摘要

风力发电混合储能系统涉及电、热等异质能源的深度耦合。㶲作为一种兼顾“量”与“质”的双重物理量,在异质能源的统一中起着重要的指导作用。本文从能源品质的角度研究系统的运行特性,并基于㶲经济学提出了风力发电混合储能系统的运行策略。首先,基于㶲经济学建立了风力发电混合储能系统的数学模型。然后,开展了三种热电混合储能形式的风力发电实验,运用响应曲面法分析系统的电能质量和㶲经济特性,得到实验的最优工况。最后,结合实验与仿真提出优化策略。将系统效率、单位㶲成本和电流谐波畸变率作为多目标优化函数,三种算法基于标准差对最优解进行评估。结果表明,㶲经济学能够有效评判“风电+储能”新系统的产-储-用特性。热电混合储能系统能够吸收电池内部的㶲损失,使㶲效率提高10%,单位㶲成本降低0.03元/kJ,电流谐波畸变率降低8%。为提高风电系统电能质量、提升热电混合储能风力发电系统的㶲效率、降低单位成本提供了指导。

https://cdn.ncbi.nlm.nih.gov/pmc/blobs/4889/11637032/1a3ed14bb101/41598_2024_63247_Fig17_HTML.jpg
https://cdn.ncbi.nlm.nih.gov/pmc/blobs/4889/11637032/71ab4715cf33/41598_2024_63247_Fig1_HTML.jpg
https://cdn.ncbi.nlm.nih.gov/pmc/blobs/4889/11637032/8194e9f5e12c/41598_2024_63247_Fig2_HTML.jpg
https://cdn.ncbi.nlm.nih.gov/pmc/blobs/4889/11637032/06893fa961ae/41598_2024_63247_Fig3_HTML.jpg
https://cdn.ncbi.nlm.nih.gov/pmc/blobs/4889/11637032/004a4da595c0/41598_2024_63247_Fig4_HTML.jpg
https://cdn.ncbi.nlm.nih.gov/pmc/blobs/4889/11637032/31fc2867a72c/41598_2024_63247_Fig5_HTML.jpg
https://cdn.ncbi.nlm.nih.gov/pmc/blobs/4889/11637032/1a8670a2a925/41598_2024_63247_Fig6_HTML.jpg
https://cdn.ncbi.nlm.nih.gov/pmc/blobs/4889/11637032/882dbf9ce67b/41598_2024_63247_Fig7_HTML.jpg
https://cdn.ncbi.nlm.nih.gov/pmc/blobs/4889/11637032/69ed55285707/41598_2024_63247_Fig8_HTML.jpg
https://cdn.ncbi.nlm.nih.gov/pmc/blobs/4889/11637032/c20c7f66e544/41598_2024_63247_Fig9_HTML.jpg
https://cdn.ncbi.nlm.nih.gov/pmc/blobs/4889/11637032/cfa265a4d79a/41598_2024_63247_Fig10_HTML.jpg
https://cdn.ncbi.nlm.nih.gov/pmc/blobs/4889/11637032/9584cbe63a05/41598_2024_63247_Fig11_HTML.jpg
https://cdn.ncbi.nlm.nih.gov/pmc/blobs/4889/11637032/cfeafc34811f/41598_2024_63247_Fig12_HTML.jpg
https://cdn.ncbi.nlm.nih.gov/pmc/blobs/4889/11637032/464f3e77c91e/41598_2024_63247_Fig13_HTML.jpg
https://cdn.ncbi.nlm.nih.gov/pmc/blobs/4889/11637032/c6f3771a562b/41598_2024_63247_Fig14_HTML.jpg
https://cdn.ncbi.nlm.nih.gov/pmc/blobs/4889/11637032/55de2f63a79c/41598_2024_63247_Fig15_HTML.jpg
https://cdn.ncbi.nlm.nih.gov/pmc/blobs/4889/11637032/f3a45950e181/41598_2024_63247_Fig16_HTML.jpg
https://cdn.ncbi.nlm.nih.gov/pmc/blobs/4889/11637032/1a3ed14bb101/41598_2024_63247_Fig17_HTML.jpg
https://cdn.ncbi.nlm.nih.gov/pmc/blobs/4889/11637032/71ab4715cf33/41598_2024_63247_Fig1_HTML.jpg
https://cdn.ncbi.nlm.nih.gov/pmc/blobs/4889/11637032/8194e9f5e12c/41598_2024_63247_Fig2_HTML.jpg
https://cdn.ncbi.nlm.nih.gov/pmc/blobs/4889/11637032/06893fa961ae/41598_2024_63247_Fig3_HTML.jpg
https://cdn.ncbi.nlm.nih.gov/pmc/blobs/4889/11637032/004a4da595c0/41598_2024_63247_Fig4_HTML.jpg
https://cdn.ncbi.nlm.nih.gov/pmc/blobs/4889/11637032/31fc2867a72c/41598_2024_63247_Fig5_HTML.jpg
https://cdn.ncbi.nlm.nih.gov/pmc/blobs/4889/11637032/1a8670a2a925/41598_2024_63247_Fig6_HTML.jpg
https://cdn.ncbi.nlm.nih.gov/pmc/blobs/4889/11637032/882dbf9ce67b/41598_2024_63247_Fig7_HTML.jpg
https://cdn.ncbi.nlm.nih.gov/pmc/blobs/4889/11637032/69ed55285707/41598_2024_63247_Fig8_HTML.jpg
https://cdn.ncbi.nlm.nih.gov/pmc/blobs/4889/11637032/c20c7f66e544/41598_2024_63247_Fig9_HTML.jpg
https://cdn.ncbi.nlm.nih.gov/pmc/blobs/4889/11637032/cfa265a4d79a/41598_2024_63247_Fig10_HTML.jpg
https://cdn.ncbi.nlm.nih.gov/pmc/blobs/4889/11637032/9584cbe63a05/41598_2024_63247_Fig11_HTML.jpg
https://cdn.ncbi.nlm.nih.gov/pmc/blobs/4889/11637032/cfeafc34811f/41598_2024_63247_Fig12_HTML.jpg
https://cdn.ncbi.nlm.nih.gov/pmc/blobs/4889/11637032/464f3e77c91e/41598_2024_63247_Fig13_HTML.jpg
https://cdn.ncbi.nlm.nih.gov/pmc/blobs/4889/11637032/c6f3771a562b/41598_2024_63247_Fig14_HTML.jpg
https://cdn.ncbi.nlm.nih.gov/pmc/blobs/4889/11637032/55de2f63a79c/41598_2024_63247_Fig15_HTML.jpg
https://cdn.ncbi.nlm.nih.gov/pmc/blobs/4889/11637032/f3a45950e181/41598_2024_63247_Fig16_HTML.jpg
https://cdn.ncbi.nlm.nih.gov/pmc/blobs/4889/11637032/1a3ed14bb101/41598_2024_63247_Fig17_HTML.jpg

相似文献

1
Exergoeconomic analysis and optimization of wind power hybrid energy storage system.风力发电混合储能系统的火用经济分析与优化
Sci Rep. 2024 May 31;14(1):12501. doi: 10.1038/s41598-024-63247-w.
2
Exergy, exergoeconomic optimization and exergoenvironmental analysis of a hybrid solar, wind, and marine energy power system: A strategy for carbon-free electrical production.太阳能、风能和海洋能混合发电系统的有效能、有效能经济优化及有效能环境分析:无碳电力生产策略
Heliyon. 2024 Aug 3;10(16):e35171. doi: 10.1016/j.heliyon.2024.e35171. eCollection 2024 Aug 30.
3
Coordinated power management strategy for reliable hybridization of multi-source systems using hybrid MPPT algorithms.基于混合最大功率点跟踪算法的多源系统可靠混合协调功率管理策略
Sci Rep. 2024 May 4;14(1):10267. doi: 10.1038/s41598-024-60116-4.
4
Exergoeconomic Analysis of a Mechanical Compression Refrigeration Unit Run by an ORC.由有机朗肯循环驱动的机械压缩制冷机组的火用经济分析
Entropy (Basel). 2023 Nov 10;25(11):1531. doi: 10.3390/e25111531.
5
An Exergoeconomic Analysis of a Gas-Type Industrial Drying System of Black Tea.一种燃气型红茶工业干燥系统的(火用)经济分析
Entropy (Basel). 2022 May 6;24(5):655. doi: 10.3390/e24050655.
6
Energy, Exergy, Exergoeconomic and Exergoenvironmental Impact Analyses and Optimization of Various Geothermal Power Cycle Configurations.各种地热发电循环配置的能量、㶲、㶲经济和㶲环境影响分析及优化
Entropy (Basel). 2021 Nov 9;23(11):1483. doi: 10.3390/e23111483.
7
Exergoeconomic analysis and multi-objective optimization of ORC configurations via Taguchi-Grey Relational Methods.基于田口-灰色关联法的有机朗肯循环(ORC)系统配置的(火用)经济分析与多目标优化
Heliyon. 2023 Mar 29;9(4):e15007. doi: 10.1016/j.heliyon.2023.e15007. eCollection 2023 Apr.
8
An Energy Storage Performance Improvement Model for Grid-Connected Wind-Solar Hybrid Energy Storage System.一种用于并网型风光混合储能系统的储能性能提升模型
Comput Intell Neurosci. 2020 Aug 28;2020:8887227. doi: 10.1155/2020/8887227. eCollection 2020.
9
Energy, Exergy, Exergoeconomic and Emergy-Based Exergoeconomic (Emergoeconomic) Analyses of a Biomass Combustion Waste Heat Recovery Organic Rankine Cycle.生物质燃烧余热回收有机朗肯循环的能量、㶲、㶲经济及基于能值的㶲经济(能值经济)分析
Entropy (Basel). 2022 Jan 28;24(2):209. doi: 10.3390/e24020209.
10
Multiobjective optimization of a hybrid electricity generation system based on waste energy of internal combustion engine and solar system for sustainable environment.基于内燃机和太阳能系统废能的混合发电系统的可持续环境的多目标优化。
Chemosphere. 2023 Sep;336:139269. doi: 10.1016/j.chemosphere.2023.139269. Epub 2023 Jun 18.

引用本文的文献

1
Optimal scheduling of integrated energy system with gas-liquid phase change carbon dioxide energy storage considering multi-layer low-carbon benefits.考虑多层低碳效益的气液相变二氧化碳储能综合能源系统优化调度
Sci Rep. 2025 Jul 1;15(1):22263. doi: 10.1038/s41598-025-05438-7.

本文引用的文献

1
Perception of power quality disturbances using Fourier, Short-Time Fourier, continuous and discrete wavelet transforms.使用傅里叶变换、短时傅里叶变换、连续小波变换和离散小波变换对电能质量扰动进行感知。
Sci Rep. 2024 Feb 11;14(1):3443. doi: 10.1038/s41598-024-53792-9.
2
Giant adiabatic temperature change and its direct measurement of a barocaloric effect in a charge-transfer solid.电荷转移固体中的巨大绝热温度变化及其对压热效应的直接测量。
Nat Commun. 2023 Dec 27;14(1):8466. doi: 10.1038/s41467-023-44350-4.
3
4-E analysis and multiple objective optimizations of a novel solar-powered cogeneration energy system for the simultaneous production of electrical power and heating.
一种用于同时发电和供热的新型太阳能热电联产能源系统的4-E分析与多目标优化
Sci Rep. 2023 Dec 14;13(1):22246. doi: 10.1038/s41598-023-49344-2.
4
Inherent spatiotemporal uncertainty of renewable power in China.中国可再生能源电力固有的时空不确定性。
Nat Commun. 2023 Sep 4;14(1):5379. doi: 10.1038/s41467-023-40670-7.
5
Multi-objective pathfinder algorithm for multi-objective optimal power flow problem with random renewable energy sources: wind, photovoltaic and tidal.多目标路径搜索算法在含随机可再生能源(风能、光电、潮汐能)的多目标最优潮流问题中的应用
Sci Rep. 2023 Jun 30;13(1):10647. doi: 10.1038/s41598-023-37635-7.
6
Accelerating deployment of offshore wind energy alter wind climate and reduce future power generation potentials.加速海上风能的部署会改变风气候并降低未来的发电潜力。
Sci Rep. 2021 Jun 3;11(1):11826. doi: 10.1038/s41598-021-91283-3.
7
Influence of wind energy utilization potential in urban suburbs: a case study of Hohhot.城郊风能利用潜力的影响:以呼和浩特市为例
Sci Rep. 2021 Jun 2;11(1):11567. doi: 10.1038/s41598-021-90499-7.