Suppr超能文献

有尾目幼虫红肌纤维和白肌纤维的组织发生及分布

Histogenesis and distribution of red and white muscle fibres of urodelan larvae.

作者信息

Watanabe K, Sasaki F, Takahama H, Iseki H

出版信息

J Anat. 1980 Jan;130(Pt 1):83-96.

Abstract

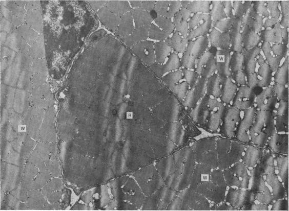
A histochemical and electron microscopical study has been made of the myotomal musculature of an urodelan (Hynobius tokyoensis) tadpole tail and trunk. In older larvae (stage 64) two main types of fibre (small red and large white) could be distinguished on the basis of differences in fibre size, succinic dehydrogenase and adenosine triphosphatase activities, and fine structural features. The red fibres were superficial to the white ones except at the level of the notochord, where red and white were mixed in mosaic fashion. The superficial and deep red fibres were similar in their histochemical and fine structural characteristics.

摘要

对一种有尾目动物(东京小鲵)蝌蚪的尾部和躯干的肌节肌肉组织进行了组织化学和电子显微镜研究。在较老的幼虫(第64阶段)中,根据纤维大小、琥珀酸脱氢酶和三磷酸腺苷酶活性以及精细结构特征的差异,可以区分出两种主要类型的纤维(小红纤维和大白纤维)。除了在脊索水平,红色纤维位于白色纤维的表面,在脊索水平,红色和白色以镶嵌的方式混合。表层和深层的红色纤维在组织化学和精细结构特征上相似。

https://cdn.ncbi.nlm.nih.gov/pmc/blobs/7281/1233112/ec661831914a/janat00233-0087-a.jpg

文献检索

告别复杂PubMed语法,用中文像聊天一样搜索,搜遍4000万医学文献。AI智能推荐,让科研检索更轻松。

立即免费搜索

文件翻译

保留排版,准确专业,支持PDF/Word/PPT等文件格式,支持 12+语言互译。

免费翻译文档

深度研究

AI帮你快速写综述,25分钟生成高质量综述,智能提取关键信息,辅助科研写作。

立即免费体验