Suppr超能文献

相似文献

3
4
[Experimental studies concerning the exact determination of the etiopathogenesis of pneumoconiosis of coal miners].
Rev Ig Bacteriol Virusol Parazitol Epidemiol Pneumoftiziol Pneumoftiziol. 1982 Jul-Sep;31(3):235-44.
6
9
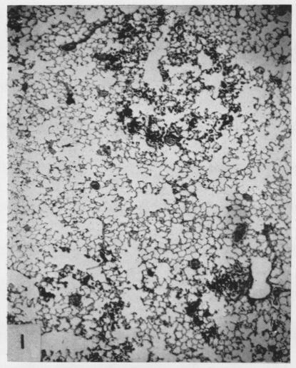
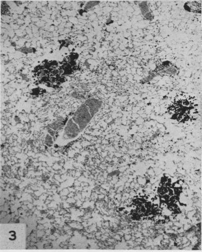
The effect of diamond dust alone and mixed with quartz on the lungs of rats.
Br J Ind Med. 1958 Apr;15(2):92-5. doi: 10.1136/oem.15.2.92.

本文引用的文献

文献AI研究员

20分钟写一篇综述,助力文献阅读效率提升50倍。

立即体验

用中文搜PubMed

大模型驱动的PubMed中文搜索引擎

马上搜索

文档翻译

学术文献翻译模型,支持多种主流文档格式。

立即体验