Suppr超能文献

STROMAL CHANGES IN LEUKAEMIC AND RELATED BONE MARROW PROLIFERATIONS.

作者信息

SANERKIN N G

出版信息

J Clin Pathol. 1964 Sep;17(5):541-7. doi: 10.1136/jcp.17.5.541.

Abstract

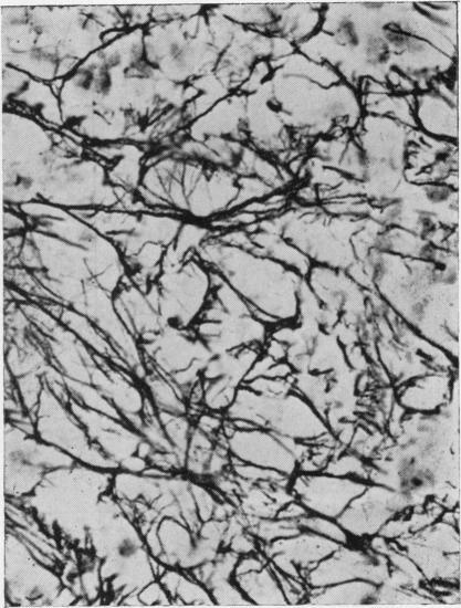
The stromal structure of the bone marrow was studied in 96 cases of leukaemia and related disorders. The reticulin stroma forms an integral component of any given marrow proliferation and may often be increased in amount, sometimes normal, and occasionally decreased. The pattern is often indeterminate but certain distinguishable patterns may be found, including a sinusoidal pattern in myelofibrotic chronic myeloses, a pattern characterized by an abundance of hyperplastic capillaries and arterioles often seen in lymphoid leukaemias, and one with irregular focal reticulin proliferation in many acute undifferentiated leukaemias.Adventitious collagen fibres are demonstrable in about half of all myeloses, acute and chronic, leukaemic and aleukaemic, and may be diffuse or focal. They apparently develop from thickening and collapse and condensation of the basic reticulin network, not from any primary fibroblastic proliferation. The development of fibrosis does not denote an aetiological relationship between the conditions in which it occurs, since it appears to be a non-specific sequel to marrow exhaustion and marrow necrosis. There is no justification for the diagnosis of acute or ;malignant' myelofibrosis as a disease entity in cases of acute leukaemia with marrow fibrosis.Osteolytic change due to resorption of bony trabeculae is a common event in all the conditions studied and may be accompanied by remoulding of the eroded trabeculae. Fibre bone formation is found in about 15% of cases, including acute lymphoblastic leukaemias and acute undifferentiated leukaemias, but is extensive and well-developed only in cases of primary myelofibrosis.

摘要
https://cdn.ncbi.nlm.nih.gov/pmc/blobs/4e93/480811/d7c60748e7da/jclinpath00082-0067-a.jpg

文献AI研究员

20分钟写一篇综述,助力文献阅读效率提升50倍。

立即体验

用中文搜PubMed

大模型驱动的PubMed中文搜索引擎

马上搜索

文档翻译

学术文献翻译模型,支持多种主流文档格式。

立即体验