Department of Agronomy and Range Science, University of California, Davis, California 95616.
Plant Physiol. 1979 Jun;63(6):1191-7. doi: 10.1104/pp.63.6.1191.
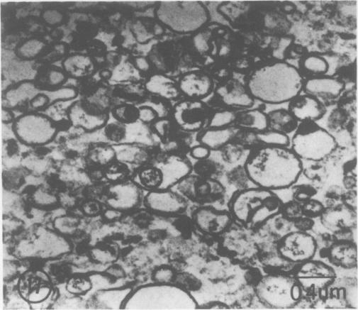
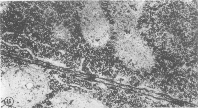
Plasma membrane vesicles were isolated from homogenates of meristematic and mature soybean root tissue by differential sucrose gradient centrifugation. Vesicles were positively identified by the phosphotungstic acid-chromic acid procedure (PACP). The two preparations were comparable in size class distribution, mitochondrial contamination, and per cent plasma membrane vesicles present. Purity levels were estimated to be greater than 75%. The specificity of PACP was observed for a variety of cell types from both regions. Some variability in PACP staining was offset by careful modulation of the stain protocol and was found to be independent of developmental stage in subcellular fractions. Patchy or discontinuous staining, observed in both intact tissue and in subcellular fractions from both regions, was found to be a function of stain time.
质膜小泡通过差速蔗糖梯度离心从分生组织和成熟大豆根组织的匀浆中分离得到。通过磷钨酸-重铬酸法(PACP)对小泡进行了阳性鉴定。这两种制剂在大小分布、线粒体污染和存在的质膜小泡百分比方面具有可比性。纯度水平估计大于 75%。PACP 对来自两个区域的各种细胞类型均具有特异性。通过仔细调整染色方案,可以抵消 PACP 染色的一些可变性,并且在亚细胞级分中发现与发育阶段无关。在完整组织和来自两个区域的亚细胞级分中观察到的斑驳或不连续染色是染色时间的函数。