Suppr超能文献

翻译诱导性骨重塑中的骨膜反应。

Periosteal response in translation-induced bone remodelling.

作者信息

Feik S A, Ellender G, Crowe D M, Ramm-Anderson S M

机构信息

School of Dental Science, University of Melbourne, Australia.

出版信息

J Anat. 1990 Aug;171:69-84.

Abstract

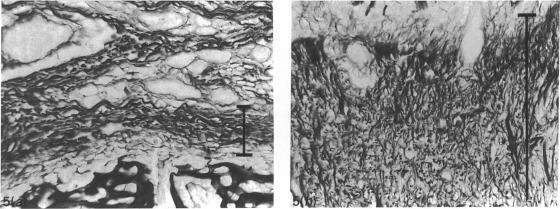
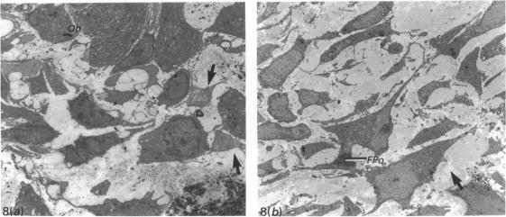
Translation of transplanted bones induces strain in the periosteum and subsequent bone remodelling. This study examines the periosteal response on the leading and trailing sides of translated bones using an in vivo model where internal bone strain is virtually eliminated. Caudal vertebrae from 4 days old rats were threaded onto the arms of pre-stressed helical torsion springs and transplanted subcutaneously. In the experimental rats, the appliances were activated seven days later causing the bones to translate. Tissues were examined both optically and by transmission electron microscopy. A connective tissue sheath or capsule forms around the bones and, as the arms of the appliance move apart, traction on the enveloping soft tissues produces compression of the periosteum on the leading side and tension on the trailing side with remodelling occurring in a direction opposite to translation. The control periosteum has an ordered structure with well-delineated osteogenic, mid- and fibrous zones. During translation the periosteum on the leading side is consistently narrower than on the trailing side and shows a gradual reduction in formative activity followed by resorption in select areas. Cells and fibres are aligned predominantly parallel to the bone surface. Accelerated formation characterises the trailing side during the translation phase with increased activity and widening of all three periosteal layers. The fibrous layer merges with the connective tissue sheath which frequently is oriented approximately perpendicular to the bone surface. The direction of remodelling is reversed when translation ceases with corresponding changes visible in the periosteum, the osteoblastic layer being the last to show changes. A normal periosteal structure and remodelling pattern is regained when equilibrium of the bones within the soft tissues is attained. This study shows that the enveloping soft tissues profoundly influence the nature and rate of bone remodelling. The changes are reflected in the periosteum which functions as an integrated unit modulating the signal transmitted to the osteoblasts which play a key role in events occurring at the bone surface. Changes are not attributable to internal bone strain.

摘要

移植骨的移位会在骨膜中引发应变并随后导致骨重塑。本研究使用一种体内模型来检测移位骨前后侧的骨膜反应,该模型可有效消除内部骨应变。将4日龄大鼠的尾椎骨穿在预应力螺旋扭转弹簧的臂上,并皮下移植。在实验大鼠中,7天后激活装置使骨移位。通过光学显微镜和透射电子显微镜对组织进行检查。骨周围形成结缔组织鞘或包膜,随着装置臂分开,对周围软组织的牵引导致骨膜在移位侧前方受压,在后方受拉,重塑方向与移位方向相反。对照骨膜具有有序结构,有成骨区、中间区和纤维区,界限清晰。在移位过程中,前方骨膜始终比后方骨膜窄,形成活性逐渐降低,随后在特定区域出现吸收。细胞和纤维主要与骨表面平行排列。在移位阶段,后方骨膜的特征是形成加速,所有三层骨膜层的活性增加且变宽。纤维层与结缔组织鞘融合,结缔组织鞘通常大致垂直于骨表面定向。当移位停止时,重塑方向逆转,骨膜出现相应变化,成骨细胞层最后出现变化。当软组织内的骨达到平衡时,恢复正常的骨膜结构和重塑模式。本研究表明,周围软组织对骨重塑的性质和速率有深远影响。这些变化反映在骨膜中,骨膜作为一个整合单元,调节传递给成骨细胞的信号,而成骨细胞在骨表面发生的事件中起关键作用。这些变化并非由内部骨应变引起。

https://cdn.ncbi.nlm.nih.gov/pmc/blobs/7d81/1257128/a7ccfa4100a8/janat00039-0075-a.jpg

文献AI研究员

20分钟写一篇综述,助力文献阅读效率提升50倍。

立即体验

用中文搜PubMed

大模型驱动的PubMed中文搜索引擎

马上搜索

文档翻译

学术文献翻译模型,支持多种主流文档格式。

立即体验