• 文献检索
  • 文档翻译
  • 深度研究
  • 学术资讯
  • Suppr Zotero 插件Zotero 插件
  • 邀请有礼
  • 套餐&价格
  • 历史记录
应用&插件
Suppr Zotero 插件Zotero 插件浏览器插件Mac 客户端Windows 客户端微信小程序
定价
高级版会员购买积分包购买API积分包
服务
文献检索文档翻译深度研究API 文档MCP 服务
关于我们
关于 Suppr公司介绍联系我们用户协议隐私条款
关注我们

Suppr 超能文献

核心技术专利:CN118964589B侵权必究
粤ICP备2023148730 号-1Suppr @ 2026

文献检索

告别复杂PubMed语法,用中文像聊天一样搜索,搜遍4000万医学文献。AI智能推荐,让科研检索更轻松。

立即免费搜索

文件翻译

保留排版,准确专业,支持PDF/Word/PPT等文件格式,支持 12+语言互译。

免费翻译文档

深度研究

AI帮你快速写综述,25分钟生成高质量综述,智能提取关键信息,辅助科研写作。

立即免费体验

基于观测器的状态反馈用于增强对 I 型糖尿病患者的胰岛素控制

Observer-based state feedback for enhanced insulin control of type 'i' diabetic patients.

作者信息

Hariri Ali, Wang Le Yi

机构信息

DTE Energy, One Energy Plaza, Detroit, Michigan, 48226.

出版信息

Open Biomed Eng J. 2011;5:98-109. doi: 10.2174/1874120701105010098. Epub 2011 Dec 30.

DOI:10.2174/1874120701105010098
PMID:22276077
原文链接:https://pmc.ncbi.nlm.nih.gov/articles/PMC3257839/
Abstract

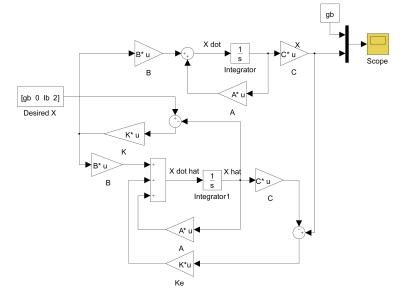
During the past few decades, biomedical modeling techniques have been applied to improve performance of a wide variety of medical systems that require monitoring and control. Diabetes is one of the most important medical problems. This paper focuses on designing a state feedback controller with observer to improve the performance of the insulin control for type 'I' diabetic patients. The dynamic model of glucose levels in diabetic patients is a nonlinear model. The system is a typical fourth-order single-input-single-output state space model. Using a linear time invariant controller based on an operating condition is a common method to simplify control design. On the other hand, adaptive control can potentially improve system performance. But it increases control complexity and may create further stability issues. This paper investigates patient models and presents a simplified control scheme using observer-based feedback controllers. By comparing different control schemes, it shows that a properly designed state feedback controller with observer can eliminate the adaptation strategy that the Proportional-Integral-Derivative (PID) controllers need to improve the control performance. Control strategies are simulated and their performance is evaluated in MATLAB and Simulink.

摘要

在过去几十年中,生物医学建模技术已被应用于提升各类需要监测与控制的医疗系统的性能。糖尿病是最为重要的医学问题之一。本文着重于设计一种带观测器的状态反馈控制器,以改善“I”型糖尿病患者的胰岛素控制性能。糖尿病患者体内血糖水平的动态模型是一个非线性模型。该系统是典型的四阶单输入单输出状态空间模型。基于运行条件使用线性时不变控制器是简化控制设计的常用方法。另一方面,自适应控制有可能提升系统性能。但这会增加控制复杂度,并可能引发更多稳定性问题。本文研究患者模型,并提出一种使用基于观测器的反馈控制器的简化控制方案。通过比较不同的控制方案,结果表明,精心设计的带观测器的状态反馈控制器能够摒弃比例积分微分(PID)控制器为提高控制性能所需的自适应策略。在MATLAB和Simulink中对控制策略进行了仿真,并评估了它们的性能。

https://cdn.ncbi.nlm.nih.gov/pmc/blobs/e850/3257839/9ae00a058136/TOBEJ-5-98_F9.jpg
https://cdn.ncbi.nlm.nih.gov/pmc/blobs/e850/3257839/630f57c038cd/TOBEJ-5-98_F1.jpg
https://cdn.ncbi.nlm.nih.gov/pmc/blobs/e850/3257839/3dbedd7a8a2c/TOBEJ-5-98_F2.jpg
https://cdn.ncbi.nlm.nih.gov/pmc/blobs/e850/3257839/1ec6dfc1ee29/TOBEJ-5-98_F3.jpg
https://cdn.ncbi.nlm.nih.gov/pmc/blobs/e850/3257839/7c4efa6bd8f5/TOBEJ-5-98_F4.jpg
https://cdn.ncbi.nlm.nih.gov/pmc/blobs/e850/3257839/59ee79ad8395/TOBEJ-5-98_F5.jpg
https://cdn.ncbi.nlm.nih.gov/pmc/blobs/e850/3257839/3d69cb76d7e5/TOBEJ-5-98_F6.jpg
https://cdn.ncbi.nlm.nih.gov/pmc/blobs/e850/3257839/0fd7ec94d40f/TOBEJ-5-98_F7.jpg
https://cdn.ncbi.nlm.nih.gov/pmc/blobs/e850/3257839/ce94ed20ed0a/TOBEJ-5-98_F8.jpg
https://cdn.ncbi.nlm.nih.gov/pmc/blobs/e850/3257839/9ae00a058136/TOBEJ-5-98_F9.jpg
https://cdn.ncbi.nlm.nih.gov/pmc/blobs/e850/3257839/630f57c038cd/TOBEJ-5-98_F1.jpg
https://cdn.ncbi.nlm.nih.gov/pmc/blobs/e850/3257839/3dbedd7a8a2c/TOBEJ-5-98_F2.jpg
https://cdn.ncbi.nlm.nih.gov/pmc/blobs/e850/3257839/1ec6dfc1ee29/TOBEJ-5-98_F3.jpg
https://cdn.ncbi.nlm.nih.gov/pmc/blobs/e850/3257839/7c4efa6bd8f5/TOBEJ-5-98_F4.jpg
https://cdn.ncbi.nlm.nih.gov/pmc/blobs/e850/3257839/59ee79ad8395/TOBEJ-5-98_F5.jpg
https://cdn.ncbi.nlm.nih.gov/pmc/blobs/e850/3257839/3d69cb76d7e5/TOBEJ-5-98_F6.jpg
https://cdn.ncbi.nlm.nih.gov/pmc/blobs/e850/3257839/0fd7ec94d40f/TOBEJ-5-98_F7.jpg
https://cdn.ncbi.nlm.nih.gov/pmc/blobs/e850/3257839/ce94ed20ed0a/TOBEJ-5-98_F8.jpg
https://cdn.ncbi.nlm.nih.gov/pmc/blobs/e850/3257839/9ae00a058136/TOBEJ-5-98_F9.jpg

相似文献

1
Observer-based state feedback for enhanced insulin control of type 'i' diabetic patients.基于观测器的状态反馈用于增强对 I 型糖尿病患者的胰岛素控制
Open Biomed Eng J. 2011;5:98-109. doi: 10.2174/1874120701105010098. Epub 2011 Dec 30.
2
Dynamics analysis of permanent magnet synchronous motor speed control with enhanced state feedback controller using a linear quadratic regulator.基于线性二次型调节器的增强型状态反馈控制器的永磁同步电动机速度控制动态分析
Heliyon. 2024 Feb 10;10(4):e26018. doi: 10.1016/j.heliyon.2024.e26018. eCollection 2024 Feb 29.
3
An adaptive technique based blood glucose control in type-1 diabetes mellitus patients.基于自适应技术的 1 型糖尿病患者血糖控制
Int J Numer Method Biomed Eng. 2020 Aug;36(8):e3371. doi: 10.1002/cnm.3371. Epub 2020 Jun 22.
4
A PI-fuzzy logic controller for the regulation of blood glucose level in diabetic patients.一种用于调节糖尿病患者血糖水平的PI模糊逻辑控制器。
J Med Eng Technol. 2006 Mar-Apr;30(2):83-92. doi: 10.1080/03091900500049528.
5
PD-Based Optimal ADRC with Improved Linear Extended State Observer.基于PD的具有改进型线性扩张状态观测器的最优自抗扰控制器
Entropy (Basel). 2021 Jul 13;23(7):888. doi: 10.3390/e23070888.
6
Output-Feedback Adaptive Neural Controller for Uncertain Pure-Feedback Nonlinear Systems Using a High-Order Sliding Mode Observer.基于高阶滑模观测器的不确定纯反馈非线性系统输出反馈自适应神经控制器
IEEE Trans Neural Netw Learn Syst. 2019 May;30(5):1596-1601. doi: 10.1109/TNNLS.2018.2861942. Epub 2018 Oct 1.
7
Fractional active disturbance rejection control.分数阶自抗扰控制
ISA Trans. 2016 May;62:109-19. doi: 10.1016/j.isatra.2016.01.022. Epub 2016 Feb 28.
8
Globally linearized control on diabatic continuous stirred tank reactor: a case study.绝热连续搅拌釜式反应器的全局线性化控制:一个案例研究
ISA Trans. 2005 Jul;44(3):423-44.
9
Performance Analysis of Fuzzy-PID Controller for Blood Glucose Regulation in Type-1 Diabetic Patients.1型糖尿病患者血糖调节的模糊PID控制器性能分析
J Med Syst. 2016 Dec;40(12):254. doi: 10.1007/s10916-016-0602-6. Epub 2016 Oct 6.
10
Data-based approach for feedback-feedforward controller design using closed-loop plant data.基于数据的方法,使用闭环植物数据进行反馈-前馈控制器设计。
ISA Trans. 2018 Sep;80:244-256. doi: 10.1016/j.isatra.2018.07.013. Epub 2018 Jul 21.

引用本文的文献

1
Adaptive fractional-order blood glucose regulator based on high-order sliding mode observer.基于高阶滑模观测器的自适应分数阶血糖调节器
IET Syst Biol. 2019 Apr;13(2):43-54. doi: 10.1049/iet-syb.2018.5016.

本文引用的文献

1
Dynamic sensitivity and control analyses of metabolic insulin signalling pathways.代谢胰岛素信号通路的动态灵敏度和控制分析。
IET Syst Biol. 2010 Jan;4(1):64-81. doi: 10.1049/iet-syb.2008.0178.
2
Control oriented model of insulin and glucose dynamics in type 1 diabetics.1型糖尿病患者胰岛素与葡萄糖动力学的面向控制模型
Med Biol Eng Comput. 2006 Mar;44(1-2):69-78. doi: 10.1007/s11517-005-0012-2.
3
Model-based blood glucose control for Type 1 diabetes via parametric programming.通过参数规划实现1型糖尿病的基于模型的血糖控制。
IEEE Trans Biomed Eng. 2006 Aug;53(8):1478-91. doi: 10.1109/TBME.2006.878075.
4
Insulin control of glucose metabolism in man: a new kinetic analysis.胰岛素对人体葡萄糖代谢的控制:一项新的动力学分析。
J Clin Invest. 1975 May;55(5):1057-66. doi: 10.1172/JCI108006.
5
Nonlinear model predictive control of glucose concentration in subjects with type 1 diabetes.1型糖尿病患者血糖浓度的非线性模型预测控制
Physiol Meas. 2004 Aug;25(4):905-20. doi: 10.1088/0967-3334/25/4/010.
6
A semiclosed-loop optimal control system for blood glucose level in diabetics.一种用于糖尿病患者血糖水平的半闭环最优控制系统。
J Med Eng Technol. 2004 Sep-Oct;28(5):189-96. doi: 10.1080/03091900410001662332.
7
Excessive insulin response to glucose in obese subjects as measured by immunochemical assay.通过免疫化学测定法测得,肥胖受试者对葡萄糖的胰岛素反应过度。
Diabetes. 1963 May-Jun;12:197-204. doi: 10.2337/diab.12.3.197.
8
Coefficients of normal blood glucose regulation.正常血糖调节系数
J Appl Physiol. 1961 Sep;16:783-8. doi: 10.1152/jappl.1961.16.5.783.
9
Physiologic evaluation of factors controlling glucose tolerance in man: measurement of insulin sensitivity and beta-cell glucose sensitivity from the response to intravenous glucose.人体葡萄糖耐量控制因素的生理学评估:通过静脉注射葡萄糖反应测量胰岛素敏感性和β细胞葡萄糖敏感性
J Clin Invest. 1981 Dec;68(6):1456-67. doi: 10.1172/jci110398.
10
Insulin-independent diabetes mellitus: metabolic characteristics.非胰岛素依赖型糖尿病:代谢特征
Metabolism. 1980 May;29(5):445-54. doi: 10.1016/0026-0495(80)90170-5.