Suppr超能文献

将 NIST P-192/B-163 椭圆曲线的紧凑实现扩展到 IEEE 802.15.4 安全套件中。

Extending the IEEE 802.15.4 security suite with a compact implementation of the NIST P-192/B-163 elliptic curves.

机构信息

Department of Electronics and Informatics (ETRO), Faculty of Engineering Sciences, Vrije Universiteit Brussel (VUB), Brussels 1050, Belgium.

出版信息

Sensors (Basel). 2013 Jul 29;13(8):9704-28. doi: 10.3390/s130809704.

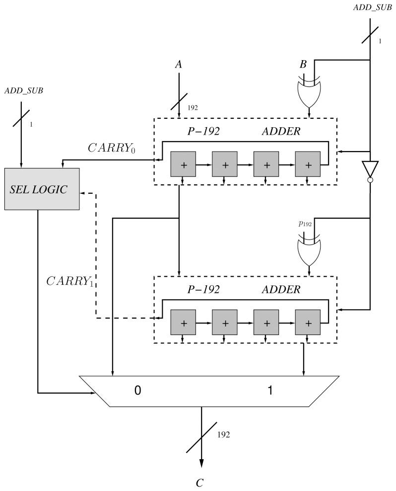
Abstract

Typically, commercial sensor nodes are equipped with MCUsclocked at a low-frequency (i.e., within the 4-12 MHz range). Consequently, executing cryptographic algorithms in those MCUs generally requires a huge amount of time. In this respect, the required energy consumption can be higher than using a separate accelerator based on a Field-programmable Gate Array (FPGA) that is switched on when needed. In this manuscript, we present the design of a cryptographic accelerator suitable for an FPGA-based sensor node and compliant with the IEEE802.15.4 standard. All the embedded resources of the target platform (Xilinx Artix-7) have been maximized in order to provide a cost-effective solution. Moreover, we have added key negotiation capabilities to the IEEE 802.15.4 security suite based on Elliptic Curve Cryptography (ECC). Our results suggest that tailored accelerators based on FPGA can behave better in terms of energy than contemporary software solutions for motes, such as the TinyECC and NanoECC libraries. In this regard, a point multiplication (PM) can be performed between 8.58- and 15.4-times faster, 3.40- to 23.59-times faster (Elliptic Curve Diffie-Hellman, ECDH) and between 5.45- and 34.26-times faster (Elliptic Curve Integrated Encryption Scheme, ECIES). Moreover, the energy consumption was also improved with a factor of 8.96 (PM).

摘要

通常,商业传感器节点配备的微控制器时钟频率较低(即,在 4-12MHz 范围内)。因此,在这些微控制器中执行加密算法通常需要大量的时间。在这方面,所需的能耗可能高于使用基于现场可编程门阵列(FPGA)的单独加速器,该加速器在需要时才会开启。在本文中,我们提出了一种适用于基于 FPGA 的传感器节点的加密加速器的设计,该加速器符合 IEEE802.15.4 标准。为了提供具有成本效益的解决方案,目标平台(Xilinx Artix-7)的所有嵌入式资源都得到了最大化利用。此外,我们还在 IEEE 802.15.4 安全套件中添加了基于椭圆曲线密码学(ECC)的密钥协商功能。我们的结果表明,基于 FPGA 的定制加速器在能源方面的表现可能优于当代针对 mote 的软件解决方案,例如 TinyECC 和 NanoECC 库。在这方面,点乘(PM)的执行速度可以提高 8.58 到 15.4 倍,椭圆曲线 Diffie-Hellman(ECDH)的执行速度可以提高 3.40 到 23.59 倍,椭圆曲线集成加密方案(ECIES)的执行速度可以提高 5.45 到 34.26 倍。此外,PM 的能量消耗也提高了 8.96 倍。

https://cdn.ncbi.nlm.nih.gov/pmc/blobs/8cfa/3812576/b25d0a3bbc52/sensors-13-09704f1.jpg

相似文献

4
Secure SCADA communication by using a modified key management scheme.
ISA Trans. 2013 Jul;52(4):517-24. doi: 10.1016/j.isatra.2013.02.005. Epub 2013 Mar 22.
5
Field test of a practical secure communication network with decoy-state quantum cryptography.
Opt Express. 2009 Apr 13;17(8):6540-9. doi: 10.1364/oe.17.006540.
6
A secured authentication protocol for wireless sensor networks using elliptic curves cryptography.
Sensors (Basel). 2011;11(5):4767-79. doi: 10.3390/s110504767. Epub 2011 May 2.
7
Building smart sensor nodes according to IEEE 1451.3 standard.
Annu Int Conf IEEE Eng Med Biol Soc. 2011;2011:2220-3. doi: 10.1109/IEMBS.2011.6090420.
8
Stego on FPGA: an IWT approach.
ScientificWorldJournal. 2014 Feb 26;2014:192512. doi: 10.1155/2014/192512. eCollection 2014.
9
Parallel point-multiplication architecture using combined group operations for high-speed cryptographic applications.
PLoS One. 2017 May 1;12(5):e0176214. doi: 10.1371/journal.pone.0176214. eCollection 2017.

引用本文的文献

1
Energy/Area-Efficient Scalar Multiplication with Binary Edwards Curves for the IoT.
Sensors (Basel). 2019 Feb 10;19(3):720. doi: 10.3390/s19030720.
2
Optimized ECC Implementation for Secure Communication between Heterogeneous IoT Devices.
Sensors (Basel). 2015 Aug 28;15(9):21478-99. doi: 10.3390/s150921478.

文献AI研究员

20分钟写一篇综述,助力文献阅读效率提升50倍。

立即体验

用中文搜PubMed

大模型驱动的PubMed中文搜索引擎

马上搜索

文档翻译

学术文献翻译模型,支持多种主流文档格式。

立即体验