Li Ruiwen, Mo Chuan, Liao Yichuan
Institute of Materials, China Academy of Engineering Physics, P.O. Box 9071-13, Mianyang 621907, Sichuan, China.
Materials (Basel). 2018 Nov 8;11(11):2215. doi: 10.3390/ma11112215.
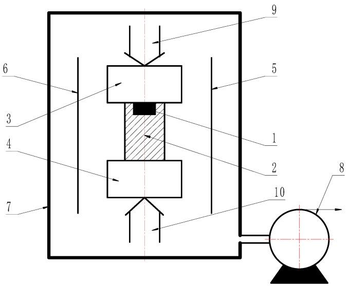
The physico-chemical properties of the Uranium intermetallic compound are of technological importance for improvement of the safety and compatibility of nuclear engineering systems. Diffusion couple samples with U and Cu were assembled and U-Cu intermetallic compounds were fabricated at interface by hot pressure diffusion method at a treatment temperature of 350 °C to 650 °C and at a pressure of 168 MPa in a vacuum furnace. The microstructure and element distribution of the compound phase have been studied by means of SEM, EDS, and XRD. The result showed that a new phase was developed to a thickness of approximately 10 μm with a ration of U:Cu with 1:5. Mechanical properties such as elastic moduli and hardness of the compound have been studied by means of nanoindentation. The nanoindentation testing on sample indicated that hardness of Uranium intermetallic compound are higher than that of metal U and Cu. Uranium intermetallic compound and U have a Young's moduli with 121 GPa, 160 GPa respectively. The elastic/plastic responses of U-Cu intermetallic compound and U under nanoindentation tests were also discussed in detail.
铀金属间化合物的物理化学性质对于提高核工程系统的安全性和兼容性具有重要的技术意义。组装了含铀和铜的扩散偶样品,并在真空炉中于350℃至650℃的处理温度和168MPa的压力下,通过热压扩散法在界面处制备了U-Cu金属间化合物。利用扫描电子显微镜(SEM)、能谱仪(EDS)和X射线衍射仪(XRD)研究了化合物相的微观结构和元素分布。结果表明,形成了一个厚度约为10μm的新相,其U:Cu比例为1:5。通过纳米压痕法研究了该化合物的弹性模量和硬度等力学性能。对样品的纳米压痕测试表明,铀金属间化合物的硬度高于金属铀和铜。铀金属间化合物和铀的杨氏模量分别为121GPa和160GPa。还详细讨论了U-Cu金属间化合物和铀在纳米压痕测试下的弹塑性响应。