Suppr超能文献

On the effect of pre-strain and pre-fatigue on the monotonic behaviour of ultra-high strength steels.

作者信息

Cockings H L, Cockings B J, Perkins K M

机构信息

Materials Research Centre, College of Engineering, Swansea University, SA1 8EN, UK.

Institute of Structural Materials, College of Engineering, Swansea University, SA1 8EN, UK.

出版信息

Heliyon. 2020 Jul 14;6(7):e04440. doi: 10.1016/j.heliyon.2020.e04440. eCollection 2020 Jul.

Abstract

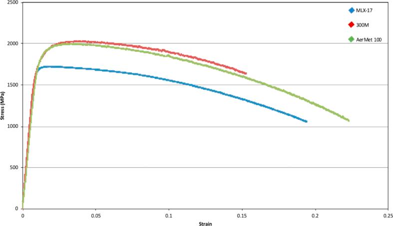
The mechanical behaviour of three ultra-high strength steels has been assessed; AerMet100, 300M and the recently developed corrosion resistant high strength steel, MLX-17. Material heat treatment profiles have been utilised to provide performance optimised for the aerospace industry and specimens have been tested to explore tensile and fatigue properties, in particular when combined with pre-strain to simulate the effects of overload. Testing of this kind has not been reported within the literature, particularly amongst ultra-high strength and corrosion-resistant steels. Baseline mechanical performance for all three materials in their heat-treated conditions has been established and properties such as yield strength and ultimate tensile strength have been assessed following a 75% and 95% pre-strain as well as fatigue in combination with a 75% and 95% pre-strain. Under all loading conditions, resultant tensile mechanical properties are not seen to witness a substantial degradation in performance, but an improvement in terms of yield strength and UTS, due to the role of work hardening. An alloy comparison has been carried out and responses are seen to vary slightly as a result of material microstructure. Correlation of pre-strain and pre-fatigue results with respect to baseline properties and microstructure has contributed to advancing the understanding of the mechanical behaviour of the aforementioned ultra-high strength steels.

摘要
https://cdn.ncbi.nlm.nih.gov/pmc/blobs/71bc/7360884/d8691100d649/gr1.jpg

文献AI研究员

20分钟写一篇综述,助力文献阅读效率提升50倍。

立即体验

用中文搜PubMed

大模型驱动的PubMed中文搜索引擎

马上搜索

文档翻译

学术文献翻译模型,支持多种主流文档格式。

立即体验