Suppr超能文献

通过内皮细胞去除抑制血管同种异体移植排斥反应。形态学和超微结构变化。

Inhibition of vessel allograft rejection by endothelial removal. Morphologic and ultrastructural changes.

作者信息

Galumbeck M A, Sanfilippo F P, Hagen P O, Seaber A V, Urbaniak J R

机构信息

Orthopaedic Research Laboratories, Duke University Medical Center, Durham, North Carolina 27710.

出版信息

Ann Surg. 1987 Dec;206(6):757-64. doi: 10.1097/00000658-198712000-00012.

Abstract

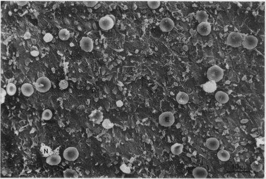
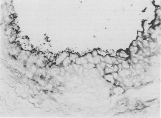
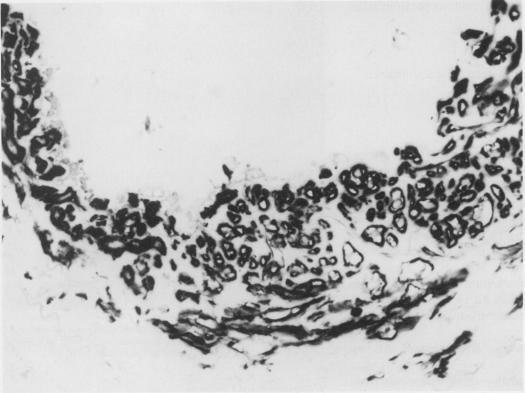
The vascular endothelium plays an important and complex role in vascular allograft rejection. Antigens expressed by the endothelium can act to promote and be the target of rejection reactions, which often lead to thrombosis and ischemic necrosis of the allograft. In this study, segments of femoral artery and femoral vein with or without endothelium were grafted between allogenic or autologous control rats. Immunocompetent Lewis (RT1(1] recipient rats were randomly selected for groups (N = 14 for each) receiving the following: ACI- (RT1a) allografts with intact endothelium, allografts with endothelium removed before operation, autografts with endothelium, and autografts with endothelium removed. Rejection was assessed by graft patency as well as morphologic and ultrastructural changes. At 5 days, the allografts with intact endothelium were totally occluded, whereas allografts without endothelium remained patent, as did autologous control grafts with or without endothelium. Two additional groups (N = 14 each) receiving the de-endothelialized allografts or autografts were examined at 120 days after operation, revealing that grafts in both groups were still patent and had been re-endothelialized. These findings indicate that physical removal of vascular endothelium may depress vessel allograft rejection without immunosuppressive therapy.

摘要

血管内皮在血管同种异体移植排斥反应中发挥着重要而复杂的作用。内皮表达的抗原可促进排斥反应并成为其靶标,这常常导致同种异体移植物的血栓形成和缺血性坏死。在本研究中,将有或无内皮的股动脉和股静脉段移植到同种异体或自体对照大鼠之间。随机选择具有免疫活性的Lewis(RT1(1]受体大鼠分为几组(每组N = 14),接受以下移植:具有完整内皮的ACI-(RT1a)同种异体移植物、术前去除内皮的同种异体移植物、具有内皮的自体移植物和去除内皮的自体移植物。通过移植物通畅情况以及形态学和超微结构变化评估排斥反应。在第5天时,具有完整内皮的同种异体移植物完全闭塞,而无内皮的同种异体移植物保持通畅,有或无内皮的自体对照移植物也是如此。另外两组(每组N = 14)接受去内皮同种异体移植物或自体移植物的大鼠在术后120天进行检查,结果显示两组移植物仍保持通畅且已重新内皮化。这些发现表明,在无免疫抑制治疗的情况下,物理去除血管内皮可能会抑制血管同种异体移植排斥反应。

https://cdn.ncbi.nlm.nih.gov/pmc/blobs/f6d9/1493339/2587f5a798e1/annsurg00202-0086-a.jpg

文献检索

告别复杂PubMed语法,用中文像聊天一样搜索,搜遍4000万医学文献。AI智能推荐,让科研检索更轻松。

立即免费搜索

文件翻译

保留排版,准确专业,支持PDF/Word/PPT等文件格式,支持 12+语言互译。

免费翻译文档

深度研究

AI帮你快速写综述,25分钟生成高质量综述,智能提取关键信息,辅助科研写作。

立即免费体验