• 文献检索
  • 文档翻译
  • 深度研究
  • 学术资讯
  • Suppr Zotero 插件Zotero 插件
  • 邀请有礼
  • 套餐&价格
  • 历史记录
应用&插件
Suppr Zotero 插件Zotero 插件浏览器插件Mac 客户端Windows 客户端微信小程序
定价
高级版会员购买积分包购买API积分包
服务
文献检索文档翻译深度研究API 文档MCP 服务
关于我们
关于 Suppr公司介绍联系我们用户协议隐私条款
关注我们

Suppr 超能文献

核心技术专利:CN118964589B侵权必究
粤ICP备2023148730 号-1Suppr @ 2026

文献检索

告别复杂PubMed语法,用中文像聊天一样搜索,搜遍4000万医学文献。AI智能推荐,让科研检索更轻松。

立即免费搜索

文件翻译

保留排版,准确专业,支持PDF/Word/PPT等文件格式,支持 12+语言互译。

免费翻译文档

深度研究

AI帮你快速写综述,25分钟生成高质量综述,智能提取关键信息,辅助科研写作。

立即免费体验

基于神经网络的独立光伏系统自适应全局滑模 MPPT 控制器设计。

Neural network-based adaptive global sliding mode MPPT controller design for stand-alone photovoltaic systems.

机构信息

Department of Electrical and Computer Engineering, COMSATS University, Islamabad, Pakistan.

Centre for Advanced Studies in Telecommunications (CAST), COMSATS University, Islamabad, Pakistan.

出版信息

PLoS One. 2022 Jan 20;17(1):e0260480. doi: 10.1371/journal.pone.0260480. eCollection 2022.

DOI:10.1371/journal.pone.0260480
PMID:35051183
原文链接:https://pmc.ncbi.nlm.nih.gov/articles/PMC8775327/
Abstract

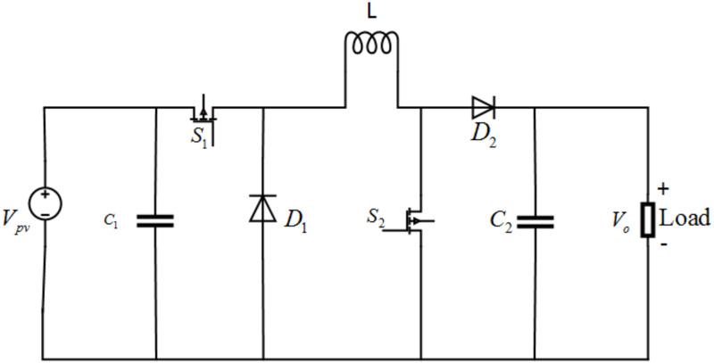
The increasing energy demand and the target to reduce environmental pollution make it essential to use efficient and environment-friendly renewable energy systems. One of these systems is the Photovoltaic (PV) system which generates energy subject to variation in environmental conditions such as temperature and solar radiations. In the presence of these variations, it is necessary to extract the maximum power via the maximum power point tracking (MPPT) controller. This paper presents a nonlinear generalized global sliding mode controller (GGSMC) to harvest maximum power from a PV array using a DC-DC buck-boost converter. A feed-forward neural network (FFNN) is used to provide a reference voltage. A GGSMC is designed to track the FFNN generated reference subject to varying temperature and sunlight. The proposed control strategy, along with a modified sliding mode control, eliminates the reaching phase so that the sliding mode exists throughout the time. The system response observes no chattering and harmonic distortions. Finally, the simulation results using MATLAB/Simulink environment demonstrate the effectiveness, accuracy, and rapid tracking of the proposed control strategy. The results are compared with standard results of the nonlinear backstepping controller under abrupt changes in environmental conditions for further validation.

摘要

日益增长的能源需求和减少环境污染的目标使得使用高效、环保的可再生能源系统变得至关重要。这些系统之一是光伏 (PV) 系统,它根据环境条件(如温度和太阳辐射)的变化产生能量。在存在这些变化的情况下,有必要通过最大功率点跟踪 (MPPT) 控制器来提取最大功率。本文提出了一种基于非线性广义全局滑模控制器 (GGSMC) 的方法,使用 DC-DC 降压-升压转换器从光伏阵列中获取最大功率。采用前馈神经网络 (FFNN) 提供参考电压。设计了一个 GGSCM 来跟踪 FFNN 生成的参考值,以适应不同的温度和阳光。所提出的控制策略与改进的滑模控制相结合,可以消除趋近阶段,从而使滑模在整个时间内存在。系统响应没有抖动和谐波失真。最后,使用 MATLAB/Simulink 环境进行的仿真结果表明,所提出的控制策略具有有效性、准确性和快速跟踪能力。结果与环境条件突然变化下非线性回溯控制器的标准结果进行了比较,以进一步验证。

https://cdn.ncbi.nlm.nih.gov/pmc/blobs/1faf/8775327/98aa6ec736c3/pone.0260480.g022.jpg
https://cdn.ncbi.nlm.nih.gov/pmc/blobs/1faf/8775327/4a88ade5713d/pone.0260480.g001.jpg
https://cdn.ncbi.nlm.nih.gov/pmc/blobs/1faf/8775327/bc8648e492e9/pone.0260480.g002.jpg
https://cdn.ncbi.nlm.nih.gov/pmc/blobs/1faf/8775327/3286c3d86c3c/pone.0260480.g003.jpg
https://cdn.ncbi.nlm.nih.gov/pmc/blobs/1faf/8775327/19baf388def9/pone.0260480.g004.jpg
https://cdn.ncbi.nlm.nih.gov/pmc/blobs/1faf/8775327/0650191f0745/pone.0260480.g005.jpg
https://cdn.ncbi.nlm.nih.gov/pmc/blobs/1faf/8775327/377cc5288078/pone.0260480.g006.jpg
https://cdn.ncbi.nlm.nih.gov/pmc/blobs/1faf/8775327/1bfab03ad9b8/pone.0260480.g007.jpg
https://cdn.ncbi.nlm.nih.gov/pmc/blobs/1faf/8775327/05bc2e1f035c/pone.0260480.g008.jpg
https://cdn.ncbi.nlm.nih.gov/pmc/blobs/1faf/8775327/130530d73f69/pone.0260480.g009.jpg
https://cdn.ncbi.nlm.nih.gov/pmc/blobs/1faf/8775327/86b9851ff220/pone.0260480.g010.jpg
https://cdn.ncbi.nlm.nih.gov/pmc/blobs/1faf/8775327/a2e08715a58d/pone.0260480.g011.jpg
https://cdn.ncbi.nlm.nih.gov/pmc/blobs/1faf/8775327/e9144960c74d/pone.0260480.g012.jpg
https://cdn.ncbi.nlm.nih.gov/pmc/blobs/1faf/8775327/26eb3f662cf7/pone.0260480.g013.jpg
https://cdn.ncbi.nlm.nih.gov/pmc/blobs/1faf/8775327/e6b32ad62d7d/pone.0260480.g014.jpg
https://cdn.ncbi.nlm.nih.gov/pmc/blobs/1faf/8775327/635b123b68fd/pone.0260480.g015.jpg
https://cdn.ncbi.nlm.nih.gov/pmc/blobs/1faf/8775327/bf9c7bada2cf/pone.0260480.g016.jpg
https://cdn.ncbi.nlm.nih.gov/pmc/blobs/1faf/8775327/6a8de9adbf88/pone.0260480.g017.jpg
https://cdn.ncbi.nlm.nih.gov/pmc/blobs/1faf/8775327/1339b9041a96/pone.0260480.g018.jpg
https://cdn.ncbi.nlm.nih.gov/pmc/blobs/1faf/8775327/b3e21b033672/pone.0260480.g019.jpg
https://cdn.ncbi.nlm.nih.gov/pmc/blobs/1faf/8775327/616dbaf9ab4b/pone.0260480.g020.jpg
https://cdn.ncbi.nlm.nih.gov/pmc/blobs/1faf/8775327/eb84ec4ec72b/pone.0260480.g021.jpg
https://cdn.ncbi.nlm.nih.gov/pmc/blobs/1faf/8775327/98aa6ec736c3/pone.0260480.g022.jpg
https://cdn.ncbi.nlm.nih.gov/pmc/blobs/1faf/8775327/4a88ade5713d/pone.0260480.g001.jpg
https://cdn.ncbi.nlm.nih.gov/pmc/blobs/1faf/8775327/bc8648e492e9/pone.0260480.g002.jpg
https://cdn.ncbi.nlm.nih.gov/pmc/blobs/1faf/8775327/3286c3d86c3c/pone.0260480.g003.jpg
https://cdn.ncbi.nlm.nih.gov/pmc/blobs/1faf/8775327/19baf388def9/pone.0260480.g004.jpg
https://cdn.ncbi.nlm.nih.gov/pmc/blobs/1faf/8775327/0650191f0745/pone.0260480.g005.jpg
https://cdn.ncbi.nlm.nih.gov/pmc/blobs/1faf/8775327/377cc5288078/pone.0260480.g006.jpg
https://cdn.ncbi.nlm.nih.gov/pmc/blobs/1faf/8775327/1bfab03ad9b8/pone.0260480.g007.jpg
https://cdn.ncbi.nlm.nih.gov/pmc/blobs/1faf/8775327/05bc2e1f035c/pone.0260480.g008.jpg
https://cdn.ncbi.nlm.nih.gov/pmc/blobs/1faf/8775327/130530d73f69/pone.0260480.g009.jpg
https://cdn.ncbi.nlm.nih.gov/pmc/blobs/1faf/8775327/86b9851ff220/pone.0260480.g010.jpg
https://cdn.ncbi.nlm.nih.gov/pmc/blobs/1faf/8775327/a2e08715a58d/pone.0260480.g011.jpg
https://cdn.ncbi.nlm.nih.gov/pmc/blobs/1faf/8775327/e9144960c74d/pone.0260480.g012.jpg
https://cdn.ncbi.nlm.nih.gov/pmc/blobs/1faf/8775327/26eb3f662cf7/pone.0260480.g013.jpg
https://cdn.ncbi.nlm.nih.gov/pmc/blobs/1faf/8775327/e6b32ad62d7d/pone.0260480.g014.jpg
https://cdn.ncbi.nlm.nih.gov/pmc/blobs/1faf/8775327/635b123b68fd/pone.0260480.g015.jpg
https://cdn.ncbi.nlm.nih.gov/pmc/blobs/1faf/8775327/bf9c7bada2cf/pone.0260480.g016.jpg
https://cdn.ncbi.nlm.nih.gov/pmc/blobs/1faf/8775327/6a8de9adbf88/pone.0260480.g017.jpg
https://cdn.ncbi.nlm.nih.gov/pmc/blobs/1faf/8775327/1339b9041a96/pone.0260480.g018.jpg
https://cdn.ncbi.nlm.nih.gov/pmc/blobs/1faf/8775327/b3e21b033672/pone.0260480.g019.jpg
https://cdn.ncbi.nlm.nih.gov/pmc/blobs/1faf/8775327/616dbaf9ab4b/pone.0260480.g020.jpg
https://cdn.ncbi.nlm.nih.gov/pmc/blobs/1faf/8775327/eb84ec4ec72b/pone.0260480.g021.jpg
https://cdn.ncbi.nlm.nih.gov/pmc/blobs/1faf/8775327/98aa6ec736c3/pone.0260480.g022.jpg

相似文献

1
Neural network-based adaptive global sliding mode MPPT controller design for stand-alone photovoltaic systems.基于神经网络的独立光伏系统自适应全局滑模 MPPT 控制器设计。
PLoS One. 2022 Jan 20;17(1):e0260480. doi: 10.1371/journal.pone.0260480. eCollection 2022.
2
RBF neural network based backstepping terminal sliding mode MPPT control technique for PV system.基于 RBF 神经网络的反推终端滑模 MPPT 控制技术在光伏系统中的应用。
PLoS One. 2021 Apr 8;16(4):e0249705. doi: 10.1371/journal.pone.0249705. eCollection 2021.
3
Nonlinear robust integral backstepping based MPPT control for stand-alone photovoltaic system.独立光伏系统的非线性鲁棒积分反步 MPPT 控制。
PLoS One. 2020 May 19;15(5):e0231749. doi: 10.1371/journal.pone.0231749. eCollection 2020.
4
Passivity-based Rieman Liouville fractional order sliding mode control of three phase inverter in a grid-connected photovoltaic system.基于被动的 Riemann-Liouville 分数阶滑模控制在光伏并网系统三相逆变器中的应用。
PLoS One. 2024 Feb 7;19(2):e0296797. doi: 10.1371/journal.pone.0296797. eCollection 2024.
5
PSO based PI controller design for a solar charger system.基于粒子群优化算法的太阳能充电系统PI控制器设计
ScientificWorldJournal. 2013 May 13;2013:815280. doi: 10.1155/2013/815280. Print 2013.
6
Recursive bit assignment with neural reference adaptive step (RNA) MPPT algorithm for photovoltaic system.递归位分配与神经参考自适应步长(RNA)MPPT 算法在光伏系统中的应用。
Sci Rep. 2023 Mar 14;13(1):4189. doi: 10.1038/s41598-023-28982-6.
7
Control Strategies for the DAB Based PV Interface System.基于DAB的光伏接口系统的控制策略
PLoS One. 2016 Aug 25;11(8):e0161856. doi: 10.1371/journal.pone.0161856. eCollection 2016.
8
Modeling, control, and simulation of grid connected intelligent hybrid battery/photovoltaic system using new hybrid fuzzy-neural method.采用新型混合模糊神经网络方法对并网智能混合电池/光伏系统进行建模、控制和仿真。
ISA Trans. 2016 Jul;63:448-460. doi: 10.1016/j.isatra.2016.02.013. Epub 2016 Mar 5.
9
MPPT efficiency enhancement of a grid connected solar PV system using Finite Control set model predictive controller.基于有限控制集模型预测控制器的并网太阳能光伏系统最大功率点跟踪效率提升
Heliyon. 2024 Mar 7;10(6):e27663. doi: 10.1016/j.heliyon.2024.e27663. eCollection 2024 Mar 30.
10
A new intelligently optimized model reference adaptive controller using GA and WOA-based MPPT techniques for photovoltaic systems.一种用于光伏系统的基于遗传算法(GA)和基于鲸鱼优化算法(WOA)的最大功率点跟踪(MPPT)技术的新型智能优化模型参考自适应控制器。
Sci Rep. 2024 Mar 21;14(1):6827. doi: 10.1038/s41598-024-57610-0.

引用本文的文献

1
Advancing energy integration: renewable sources, ancillary services, and stability.推进能源整合:可再生能源、辅助服务与稳定性。
PLoS One. 2025 Jun 2;20(6):e0324812. doi: 10.1371/journal.pone.0324812. eCollection 2025.
2
Fractional order tracking control of a disturbed differential mobile robot.受扰差分移动机器人的分数阶跟踪控制
PLoS One. 2025 May 27;20(5):e0321749. doi: 10.1371/journal.pone.0321749. eCollection 2025.
3
Trajectory tracking sliding mode control for vertical take-off and landing aircraft based on double loop and global Lipschitz stability.

本文引用的文献

1
Neuro-adaptive fast integral terminal sliding mode control design with variable gain robust exact differentiator for under-actuated quadcopter UAV.基于可变增益鲁棒精确微分器的神经自适应快速积分终端滑模控制设计用于欠驱动四旋翼无人机
ISA Trans. 2022 Jan;120:293-304. doi: 10.1016/j.isatra.2021.02.045. Epub 2021 Mar 9.
2
Nonlinear adaptive NeuroFuzzy feedback linearization based MPPT control schemes for photovoltaic system in microgrid.基于非线性自适应神经模糊反馈线性化的微电网光伏系统最大功率点跟踪控制方案。
PLoS One. 2020 Jun 30;15(6):e0234992. doi: 10.1371/journal.pone.0234992. eCollection 2020.
3
A summary of bird mortality at photovoltaic utility scale solar facilities in the Southwestern U.S.
基于双环和全局李普希茨稳定性的垂直起降飞机轨迹跟踪滑模控制
PLoS One. 2025 Feb 7;20(2):e0318294. doi: 10.1371/journal.pone.0318294. eCollection 2025.
4
Arithmetic optimization based MPPT for photovoltaic systems operating under nonuniform situations.基于算术优化的最大功率点跟踪算法在非均匀光照条件下光伏系统中的应用
PLoS One. 2024 Dec 30;19(12):e0311177. doi: 10.1371/journal.pone.0311177. eCollection 2024.
5
A novel strategy for the MPPT in a photovoltaic system via sliding modes control.
PLoS One. 2024 Dec 13;19(12):e0311831. doi: 10.1371/journal.pone.0311831. eCollection 2024.
6
An improved trajectory tracking control of quadcopter using a novel Sliding Mode Control with Fuzzy PID Surface.基于新型滑模控制和模糊 PID 面的四旋翼飞行器改进轨迹跟踪控制
PLoS One. 2024 Nov 21;19(11):e0308997. doi: 10.1371/journal.pone.0308997. eCollection 2024.
7
Control strategies for inverted pendulum: A comparative analysis of linear, nonlinear, and artificial intelligence approaches.倒立摆控制策略:线性、非线性和人工智能方法的比较分析。
PLoS One. 2024 Mar 7;19(3):e0298093. doi: 10.1371/journal.pone.0298093. eCollection 2024.
8
An efficient energy management scheme using rule-based swarm intelligence approach to support pulsed load via solar-powered battery-ultracapacitor hybrid energy system.一种使用基于规则的群体智能方法的高效能量管理方案,通过太阳能电池-超级电容器混合能源系统支持脉冲负载。
Sci Rep. 2024 Feb 17;14(1):3962. doi: 10.1038/s41598-024-53248-0.
9
An improved grasshopper-based MPPT approach to reduce tracking time and startup oscillations in photovoltaic system under partial shading conditions.一种改进的基于蚱蜢优化算法的最大功率点跟踪方法,可减少在部分阴影条件下的光伏系统的跟踪时间和启动振荡。
PLoS One. 2023 Aug 25;18(8):e0290669. doi: 10.1371/journal.pone.0290669. eCollection 2023.
美国西南部光伏公用规模太阳能设施鸟类死亡率汇总
PLoS One. 2020 Apr 24;15(4):e0232034. doi: 10.1371/journal.pone.0232034. eCollection 2020.
4
Smooth super-twisting sliding mode control for the class of underactuated systems.光滑超螺旋滑模控制在欠驱动系统中的应用。
PLoS One. 2018 Oct 3;13(10):e0203667. doi: 10.1371/journal.pone.0203667. eCollection 2018.