Suppr超能文献

Shape-Dependent Strength of Al Si9Cu3FeZn Die-Cast Alloy in Impact Zone of Conformal Cooling Core.

作者信息

Piekło Jarosław, Burbelko Andriy, Garbacz-Klempka Aldona

机构信息

Faculty of Foundry Engineering, AGH University of Science and Technology, Al. A. Mickiewicza 30, 30-059 Kraków, Poland.

出版信息

Materials (Basel). 2022 Jul 24;15(15):5133. doi: 10.3390/ma15155133.

Abstract

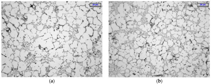
This article presents the results of shape-dependent strength analyses in die-castings from traditional (straight-drilled) and conformal core-cooling moulds. Cores with a traditional cooling layout were made of H13 steel using machining, and the working sections of the conformal cores were made using the selective laser melting method (SLM). Two series of casts were produced in the same mould. For Series A, the mould was fitted with traditional cooling cores, and for Series B, the same mould was fitted with conformal ones. The cast specimens were subjected to two weeks of natural ageing. The strength testing of the casts determined the levels of the destructive forces. The destructive forces in the core-cooling impact zones were approximately 28% higher in the B samples than they were in the A samples. The impact of the alloy's porosity, density, and microstructure on the strengths of the casts was demonstrated. The alloy densities in the central (broken-off) fragments of the casts from Series A were 2.6646 g/cm; these were 2.6791 g/cm in the cases of casts from Series B. The values of the secondary dendrite arm space (SDAS) ranged from 6 to 13 μm in the analysed cross-section of the set of the A casts, and between 3 and 12 μm in the same zone of the set of the B casts. The results of the experimental determinations of the casts porosity levels and SDAS parameters were compared with the results of numerical simulations that were carried out in ProCAST software.

摘要
https://cdn.ncbi.nlm.nih.gov/pmc/blobs/f88b/9331731/c4cf82532512/materials-15-05133-g001.jpg

文献检索

告别复杂PubMed语法,用中文像聊天一样搜索,搜遍4000万医学文献。AI智能推荐,让科研检索更轻松。

立即免费搜索

文件翻译

保留排版,准确专业,支持PDF/Word/PPT等文件格式,支持 12+语言互译。

免费翻译文档

深度研究

AI帮你快速写综述,25分钟生成高质量综述,智能提取关键信息,辅助科研写作。

立即免费体验