Suppr超能文献

机械和化学机械临时粘结剂清除方法对自粘结树脂粘结剂的剪切粘结强度的影响(体外研究)。

The effect of mechanical and chemo-mechanical temporary cement cleaning methods on shear bond strength with self-adhesive resin cement (an in-vitro study).

机构信息

Department of Fixed Prosthodontics, Faculty of Dentistry, Beni-Suef University, Beni-Suef, Egypt.

Department of Restorative Dentistry, Faculty of Dentistry, Egyptian Russian University, Cairo, Egypt.

出版信息

BMC Oral Health. 2022 Dec 28;22(1):648. doi: 10.1186/s12903-022-02672-7.

Abstract

BACKGROUND

Adhesive tooth-colored restorations are strongly dependent on the substrate surface cleanliness to allow intimate contact between resin cement and dentin surface, so several methods were adopted for the total cleaning of temporary cement residues. This study aimed to assess the effect of mechanical and chemo-mechanical cleaning methods of temporary cement on the immediate shear bond strength of self-adhesive resin cement to dentin surface.

METHODS

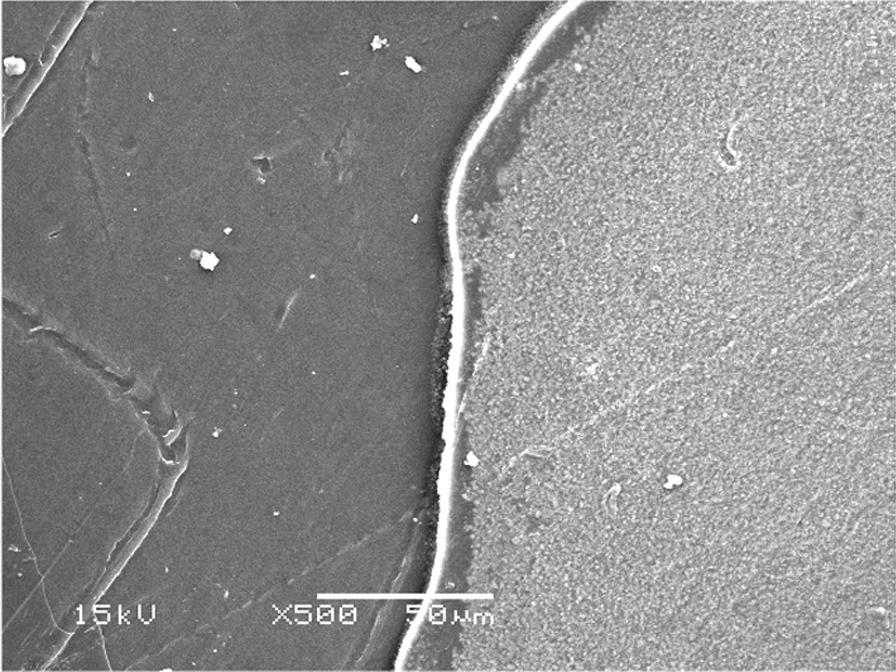
Forty freshly extracted lower first premolars were cut to expose a flat dentin surface. Discs of temporary crown composite resin material were constructed and cemented to the flat dentin surface using resin-based and non-eugenol temporary cement then stored at room temperature in distilled water. Dividing of samples into two groups according to the method of temporary cement cleaning. Group I (n = 20) mechanical cleaning using the rotary instrument, and group II (n = 20) chemo-mechanical cleaning using chlorhexidine-containing scrub. CAD/CAM reinforced Composite discs were bonded to the dentin surface using self-adhesive composite resin cement, then measurement of shear bond strength was done using a universal testing machine. Further analysis of failure mode after debonding was performed by Scanning electron microscope.

RESULTS

No statistically significant difference was found between the mean shear bond strength of the two cleaning methods (P-value = 0.636). Regardless of the cleaning method, the group cemented with resin-based temporary cement showed statistically significantly higher mean shear bond strength than non-eugenol temporary cement (P-value = 0.048).

CONCLUSION

Both cleaning methods (mechanical and chemo-mechanical) applied in this study were effective in cleaning temporary cement remnants from the dentin substrate surface with statistically significant differences between results of shear bond strength with significantly higher values recorded with resin-based temporary cement.

摘要

背景

黏结性牙色修复体强烈依赖于基底表面的清洁度,以确保树脂粘结剂与牙本质表面紧密接触,因此采用了几种方法来彻底清除临时粘结剂的残留。本研究旨在评估机械和化学机械清洁方法对自粘结树脂粘结剂与牙本质表面即刻剪切粘结强度的影响。

方法

40 颗新鲜离体下颌第一前磨牙被切割成暴露平坦的牙本质表面。将临时冠复合树脂材料制成圆盘并使用树脂基和非丁香酚临时粘结剂粘结到平坦的牙本质表面,然后在室温下储存在蒸馏水中。根据临时粘结剂清洁方法将样本分为两组。第 I 组(n=20)采用旋转器械进行机械清洁,第 II 组(n=20)采用含洗必泰的化学机械清洁。使用自粘结复合树脂粘结剂将 CAD/CAM 增强复合树脂圆盘粘结到牙本质表面,然后使用万能试验机测量剪切粘结强度。通过扫描电子显微镜对脱粘后的失效模式进行进一步分析。

结果

两种清洁方法的平均剪切粘结强度无统计学差异(P 值=0.636)。无论使用哪种清洁方法,用树脂基临时粘结剂粘结的组的平均剪切粘结强度均显著高于非丁香酚临时粘结剂组(P 值=0.048)。

结论

本研究中应用的两种清洁方法(机械和化学机械)都能有效清除牙本质基底表面的临时粘结剂残留,剪切粘结强度的结果存在统计学差异,树脂基临时粘结剂的记录值显著更高。

https://cdn.ncbi.nlm.nih.gov/pmc/blobs/e59c/9795761/67fa0575ce46/12903_2022_2672_Fig1_HTML.jpg

文献AI研究员

20分钟写一篇综述,助力文献阅读效率提升50倍。

立即体验

用中文搜PubMed

大模型驱动的PubMed中文搜索引擎

马上搜索

文档翻译

学术文献翻译模型,支持多种主流文档格式。

立即体验