Suppr超能文献

基于 UHF RFID 的肉品安全信息链追溯系统设计。

Design of Meat Product Safety Information Chain Traceability System Based on UHF RFID.

机构信息

College of Electrical & Power Engineering, Taiyuan University of Technology, Taiyuan 030024, China.

出版信息

Sensors (Basel). 2023 Mar 23;23(7):3372. doi: 10.3390/s23073372.

Abstract

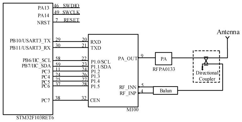
As a result of the current imperfection of the meat traceability system, there have been numerous food safety events with serious consequences. In this paper, a meat product information traceability system is designed to efficiently prevent such problems. This system develops an identification tag information reader based on ultra-high frequency (UHF) Radio Frequency Identification (RFID). It is compatible with LoRa wireless, USB serial port, RS485, and RJ45 Ethernet connection. Among them, the efficiency analysis of the Q-value algorithm finds that the recognition rate of the system reaches a maximum of about 0.367 when the number of tags n is about the frame length. The multi-tag anti-collision algorithm design based on the algorithm improves the efficiency of information collection in production and distribution links. The traceability code identification scheme is designed to effectively match various links, and the platform of system is built using LabVIEW2014 software, which has five sub-modules including user management, farm management, slaughter management, logistics management, and sales management. The system uses MySQL databases to store traceability information so that users can complete their queries by entering the traceability code on the system platform. The system not only has a low cost and a broad range of applications, but it also realizes the tracking record of meat product traceability information from breeding to selling, completes the function from information collection to information inquiry, and solves the problem of the incomplete traceability information chain. In addition, the system not only enhances the informational transparency of meat products in the product supply chain but also provides information for the regulatory authorities to effectively monitor safety.

摘要

由于当前肉类可追溯系统的不完善,已经发生了许多后果严重的食品安全事件。本文设计了一个肉类产品信息追溯系统,以有效地防止此类问题的发生。该系统基于超高频(UHF)射频识别(RFID)开发了一个标识标签信息读取器,它兼容 LoRa 无线、USB 串口、RS485 和 RJ45 以太网连接。其中,Q 值算法的效率分析发现,当标签数量 n 约为帧长度时,系统的识别率达到最大值约 0.367。基于该算法设计的多标签防碰撞算法提高了生产和配送环节的信息采集效率。追溯码识别方案的设计有效地匹配了各个环节,系统平台采用 LabVIEW2014 软件构建,包括用户管理、农场管理、屠宰管理、物流管理和销售管理五个子模块。系统使用 MySQL 数据库存储追溯信息,用户可以通过在系统平台上输入追溯码来完成查询。该系统不仅成本低、应用广泛,而且实现了从养殖到销售的肉类产品追溯信息的跟踪记录,完成了从信息采集到信息查询的功能,解决了追溯信息链不完整的问题。此外,该系统不仅增强了产品供应链中肉类产品的信息透明度,还为监管机构提供了有效监测安全的信息。

https://cdn.ncbi.nlm.nih.gov/pmc/blobs/d813/10098695/742b28acb6e6/sensors-23-03372-g001.jpg

文献AI研究员

20分钟写一篇综述,助力文献阅读效率提升50倍。

立即体验

用中文搜PubMed

大模型驱动的PubMed中文搜索引擎

马上搜索

文档翻译

学术文献翻译模型,支持多种主流文档格式。

立即体验