Suppr超能文献

用于厚度方向极化的薄晶圆压电换能器的频率相关动态机电网络:物理模型与实验验证

A Frequency-Dependent Dynamic Electric-Mechanical Network for Thin-Wafer Piezoelectric Transducers Polarized in the Thickness Direction: Physical Model and Experimental Confirmation.

作者信息

Fa Lin, Liu Dongning, Gong Hong, Chen Wenhui, Zhang Yandong, Wang Yimei, Liang Rui, Wang Baoni, Shi Guiquan, Fang Xiangrong, Li Yuxia, Zhao Meishan

机构信息

School of Information Engineering, Xi'an Fanyi University, Xi'an 710105, China.

School of Electronic Engineering, Xi'an University of Posts and Telecommunications, Xi'an 710121, China.

出版信息

Micromachines (Basel). 2023 Aug 20;14(8):1641. doi: 10.3390/mi14081641.

Abstract

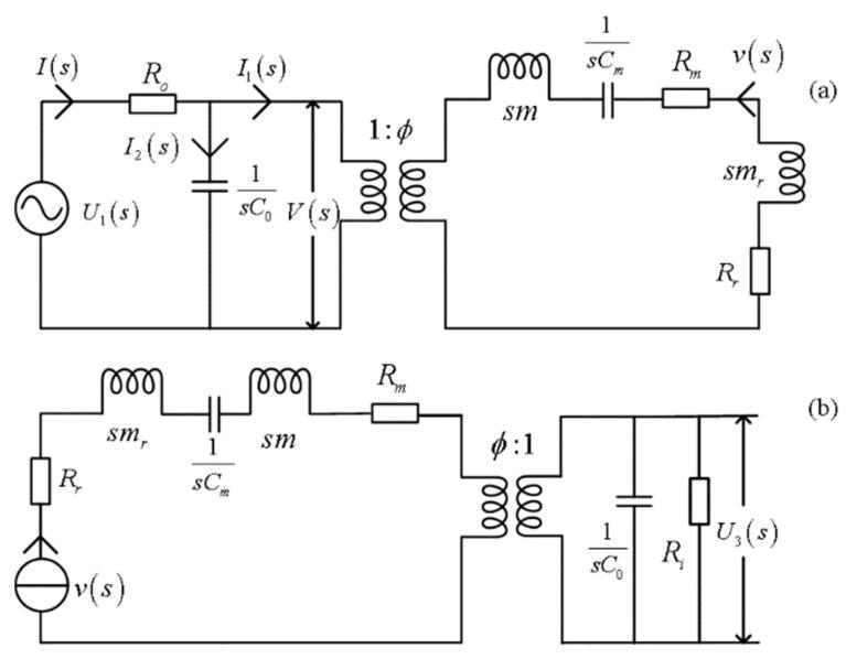
This paper is concerned with electric-acoustic/acoustic-electric conversions of thin-wafer piezoelectric transducers polarized in the thickness direction. By introducing two mechanical components with frequency-dependent values, i.e., radiation resistance and radiation mass, into the equivalent circuit of the thin-wafer piezoelectric transducer, we established a frequency-dependent dynamic mechanic-electric equivalent network with four terminals for an arbitrary given frequency, an enhancement from the conventional circuit networks. We derived the analytic expressions of its electric-acoustic and acoustic-electric conversion impulse responses using the four-terminal equivalent circuit to replace the traditional six-terminal equivalent circuit for a thin-wafer transducer with harmonic vibrational motion. For multifrequency electrical/acoustic signals acting on the transducer, we established parallel electric-acoustic/acoustic-electric conversion transmission networks. These two transmission network models have simple structures and clear physical and mathematical descriptions of thin-wafer transducers for electric-acoustic/acoustic-electric conversion when excited by a multifrequency electric/acoustic signal wavelet. The calculated results showed that the transducer's center frequency shift relates to its mechanical load and vibration state. The method reported in this paper can be applied to conventional-sized and small-sized piezoelectric transducers with universal applicability.

摘要

本文关注的是沿厚度方向极化的薄晶片压电换能器的电 - 声/声 - 电转换。通过将两个具有频率相关值的机械元件,即辐射电阻和辐射质量,引入薄晶片压电换能器的等效电路中,我们建立了一个针对任意给定频率的具有四个端子的频率相关动态机电等效网络,这是对传统电路网络的一种改进。我们使用四端子等效电路取代传统的六端子等效电路来推导薄晶片换能器在谐波振动下的电 - 声和声 - 电转换脉冲响应的解析表达式。对于作用在换能器上的多频电/声信号,我们建立了并行的电 - 声/声 - 电转换传输网络。这两个传输网络模型结构简单,对薄晶片换能器在多频电/声信号小波激励下的电 - 声/声 - 电转换具有清晰的物理和数学描述。计算结果表明,换能器的中心频率偏移与其机械负载和振动状态有关。本文报道的方法可应用于常规尺寸和小尺寸的压电换能器,具有普遍适用性。

https://cdn.ncbi.nlm.nih.gov/pmc/blobs/388a/10456616/6c4852e2bf84/micromachines-14-01641-g001.jpg

相似文献

3
Study on the radial composite piezoelectric ceramic transducer in radial vibration.
Ultrasonics. 2007 Mar;46(1):51-9. doi: 10.1016/j.ultras.2006.10.005. Epub 2006 Nov 27.
4
Radiation impedance and equivalent circuit for piezoelectric ultrasonic composite transducers of vibrational mode-conversion.
IEEE Trans Ultrason Ferroelectr Freq Control. 2012 Jan;59(1):139-49. doi: 10.1109/TUFFC.2012.2165.
5
An Exact and Practical Analyzing Model for Radial Vibration of Piezoelectric Spherical Transducers With Arbitrary Wall Thickness.
IEEE Trans Ultrason Ferroelectr Freq Control. 2021 Mar;68(3):760-766. doi: 10.1109/TUFFC.2020.3014437. Epub 2021 Feb 25.
6
Thermoacoustic power conversion using a piezoelectric transducer.
J Acoust Soc Am. 2010 Jul;128(1):98-103. doi: 10.1121/1.3409370.
7
Piezoelectric ceramic rectangular transducers in flexural vibration.
IEEE Trans Ultrason Ferroelectr Freq Control. 2004 Jul;51(7):865-70. doi: 10.1109/tuffc.2004.1320746.
8
Systematic design and experimental realization of a radially cascaded spherical piezoelectric transducer.
J Acoust Soc Am. 2023 Sep 1;154(3):1838-1849. doi: 10.1121/10.0021073.
10
Study on the bending vibration of bimorph rectangular transducer based on type 2-2 piezoelectric composites.
Ultrasonics. 2021 Dec;117:106546. doi: 10.1016/j.ultras.2021.106546. Epub 2021 Aug 2.

本文引用的文献

2
Understanding the physical mechanism of intrinsic noise inside viscous isotropic solids.
Sci Rep. 2022 Sep 23;12(1):15878. doi: 10.1038/s41598-022-20228-1.
3
Calibration of Ultrasonic Transducer Based on Ultrasonic Logging Instrument for Shaft Sinking.
Sensors (Basel). 2022 Sep 11;22(18):6867. doi: 10.3390/s22186867.
4
Investigation of the Physical Mechanism of Acoustic Attenuation in Viscous Isotropic Solids.
Micromachines (Basel). 2022 Sep 15;13(9):1526. doi: 10.3390/mi13091526.
6
7
Near-ideal electromechanical coupling in textured piezoelectric ceramics.
Nat Commun. 2022 Jun 22;13(1):3565. doi: 10.1038/s41467-022-31165-y.

文献AI研究员

20分钟写一篇综述,助力文献阅读效率提升50倍。

立即体验

用中文搜PubMed

大模型驱动的PubMed中文搜索引擎

马上搜索

文档翻译

学术文献翻译模型,支持多种主流文档格式。

立即体验