Suppr超能文献

用于超宽带雷达传感器应用的可控半导体开关的分析与实现

Analysis and Implementation of Controlled Semiconductor Switch for Ultra-Wideband Radar Sensor Applications.

作者信息

Jurik Patrik, Sokol Miroslav, Galajda Pavol, Drutarovsky Milos

机构信息

Department of Electronics and Multimedia Telecommunications, Technical University of Košice, 042 00 Kosice, Slovakia.

出版信息

Sensors (Basel). 2023 Aug 24;23(17):7392. doi: 10.3390/s23177392.

Abstract

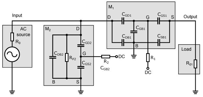
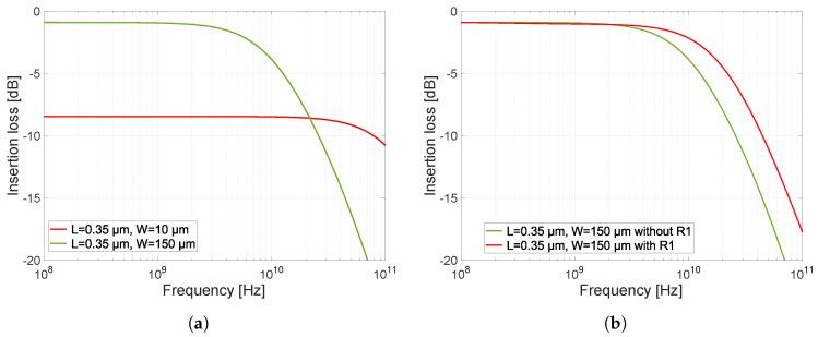
All ultra-wideband (UWB) sensor applications require hardware designed directly for their specific application. The switching of broadband radio frequency and microwave signals is an integral part of almost every piece of high-frequency equipment, whether in commercial operation or laboratory conditions. The trend of integrating various circuit structures and systems on a chip (SoC) or in a single package (SiP) is also related to the need to design these integrated switches for various measuring devices and instruments in laboratories, paradoxically for their further development. Another possible use is switching high-frequency signals in telecommunications devices, whether mobile or fixed networks, for example, for switching signals from several antennas. Based on these requirements, a high-frequency semiconductor integrated switch with NMOS transistors was designed. With these transistors, it is possible to achieve higher integration than with bipolar ones. Even though MOSFET transistors have worse frequency characteristics, we can compensate them to some extent with the precise design of the circuit and layout of the chip. This article describes the analysis and design of a high-frequency semiconductor integrated switch for UWB applications consisting of three series-parallel switches controlled by CMOS logic signals. They are primarily intended for UWB sensor systems, e.g., when switching and configuring the antenna MIMO system or when switching calibration tools. The design of the switch was implemented in low-cost 0.35 µm SiGe BiCMOS technology with an emphasis on the smallest possible attenuation and the largest possible bandwidth and isolation. The reason for choosing this technology was also that other circuit structures of UWB systems were realized in this technology. Through the simulations, individual parameters of the circuit were simulated, the layout of the chip was also created, and the parameters of the circuit were simulated with the parasitic extraction and the inclusion of parasitic elements (post-layout simulations). Subsequently, the chip was manufactured and its parameters were measured and evaluated. Based on these measurements, the designed and fabricated UWB switch was found to have the following parameters: a supply current of 2 mA at 3.3 V, a bandwidth of 6 GHz, an insertion loss (at 1 GHz) of -2.2 dB, and isolation (at 1 GHz) of -33 dB, which satisfy the requirements for our UWB sensor applications.

摘要

所有超宽带(UWB)传感器应用都需要直接针对其特定应用设计的硬件。宽带射频和微波信号的切换几乎是每一台高频设备不可或缺的一部分,无论是在商业运行还是实验室条件下。将各种电路结构和系统集成在芯片(SoC)或单个封装(SiP)中的趋势,也与为实验室中的各种测量设备和仪器设计这些集成开关的需求相关,矛盾的是,这也是为了它们的进一步发展。另一个可能的用途是在电信设备中切换高频信号,无论是移动网络还是固定网络,例如,用于切换来自多个天线的信号。基于这些要求,设计了一种采用NMOS晶体管的高频半导体集成开关。使用这些晶体管,可以实现比双极晶体管更高的集成度。尽管MOSFET晶体管的频率特性较差,但我们可以通过精确的电路设计和芯片布局在一定程度上对其进行补偿。本文描述了一种用于UWB应用的高频半导体集成开关的分析与设计,该开关由三个受CMOS逻辑信号控制的串并联开关组成。它们主要用于UWB传感器系统,例如,在切换和配置天线MIMO系统或切换校准工具时。该开关的设计采用低成本的0.35μm SiGe BiCMOS技术实现,重点是尽可能小的衰减、尽可能大的带宽和隔离度。选择这种技术的原因还在于UWB系统的其他电路结构也是在该技术中实现的。通过仿真,对电路的各个参数进行了模拟,还创建了芯片布局,并在考虑寄生效应提取和包含寄生元件的情况下对电路参数进行了模拟(布局后仿真)。随后,制造了芯片并对其参数进行了测量和评估。基于这些测量结果,发现所设计和制造的UWB开关具有以下参数:在3.3V时的电源电流为2mA,带宽为6GHz,插入损耗(在1GHz时)为-2.2dB,隔离度(在1GHz时)为-33dB,这些参数满足我们UWB传感器应用的要求。

https://cdn.ncbi.nlm.nih.gov/pmc/blobs/7aa9/10490770/2ca820212beb/sensors-23-07392-g001.jpg

文献AI研究员

20分钟写一篇综述,助力文献阅读效率提升50倍。

立即体验

用中文搜PubMed

大模型驱动的PubMed中文搜索引擎

马上搜索

文档翻译

学术文献翻译模型,支持多种主流文档格式。

立即体验