• 文献检索
  • 文档翻译
  • 深度研究
  • 学术资讯
  • Suppr Zotero 插件Zotero 插件
  • 邀请有礼
  • 套餐&价格
  • 历史记录
应用&插件
Suppr Zotero 插件Zotero 插件浏览器插件Mac 客户端Windows 客户端微信小程序
定价
高级版会员购买积分包购买API积分包
服务
文献检索文档翻译深度研究API 文档MCP 服务
关于我们
关于 Suppr公司介绍联系我们用户协议隐私条款
关注我们

Suppr 超能文献

核心技术专利:CN118964589B侵权必究
粤ICP备2023148730 号-1Suppr @ 2026

文献检索

告别复杂PubMed语法,用中文像聊天一样搜索,搜遍4000万医学文献。AI智能推荐,让科研检索更轻松。

立即免费搜索

文件翻译

保留排版,准确专业,支持PDF/Word/PPT等文件格式,支持 12+语言互译。

免费翻译文档

深度研究

AI帮你快速写综述,25分钟生成高质量综述,智能提取关键信息,辅助科研写作。

立即免费体验

肾移植后特发性门静脉高压症(窦周纤维化)

Idiopathic portal hypertension (perisinusoidal fibrosis) after renal transplantation.

作者信息

Nataf C, Feldmann G, Lebrec D, Degott C, Descamps J M, Rueff B, Benhamou J P

出版信息

Gut. 1979 Jun;20(6):531-7. doi: 10.1136/gut.20.6.531.

DOI:10.1136/gut.20.6.531
PMID:381128
原文链接:https://pmc.ncbi.nlm.nih.gov/articles/PMC1412455/
Abstract

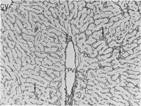
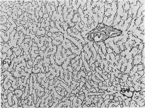
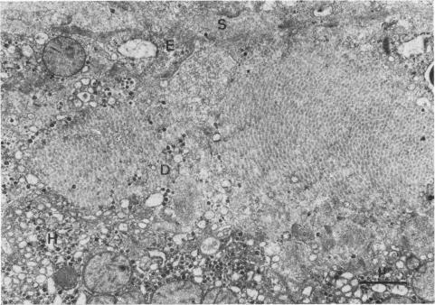
We report the cases of two renal transplant recipients suffering from idopathic portal hypertension, a condition characterised by increased portal venous pressure in the absence of both histological lesion of the liver and obstruction of the portal vein. In these two patients, perisnusoidal fibrosis, invisible by light microscopy, was demonstrated by electron microscopy; it is suggested that partial obstruction of hepatic sinusoids by perisinusoidal fibrosis could be the mechanism for increased portal venous pressure in all the patients with idiopathic portal hypertension. In these two patients, who received 6-mercaptopurine and azathioprine, perisinusoidal fibrosis might be the consequence of prolonged administration of these drugs.

摘要

我们报告了两例患有特发性门静脉高压症的肾移植受者病例,该病症的特征是在没有肝脏组织学病变和门静脉阻塞的情况下门静脉压力升高。在这两名患者中,光镜下不可见的窦周纤维化通过电子显微镜得以证实;有人提出,窦周纤维化导致的肝血窦部分阻塞可能是所有特发性门静脉高压症患者门静脉压力升高的机制。在这两名接受6-巯基嘌呤和硫唑嘌呤治疗的患者中,窦周纤维化可能是长期使用这些药物的结果。

https://cdn.ncbi.nlm.nih.gov/pmc/blobs/b511/1412455/0317ac120128/gut00451-0080-b.jpg
https://cdn.ncbi.nlm.nih.gov/pmc/blobs/b511/1412455/4dbd57ecb9e2/gut00451-0078-a.jpg
https://cdn.ncbi.nlm.nih.gov/pmc/blobs/b511/1412455/8cd58f8b7a1c/gut00451-0078-b.jpg
https://cdn.ncbi.nlm.nih.gov/pmc/blobs/b511/1412455/0cb8d2e16b5b/gut00451-0079-a.jpg
https://cdn.ncbi.nlm.nih.gov/pmc/blobs/b511/1412455/342c23988800/gut00451-0080-a.jpg
https://cdn.ncbi.nlm.nih.gov/pmc/blobs/b511/1412455/0317ac120128/gut00451-0080-b.jpg
https://cdn.ncbi.nlm.nih.gov/pmc/blobs/b511/1412455/4dbd57ecb9e2/gut00451-0078-a.jpg
https://cdn.ncbi.nlm.nih.gov/pmc/blobs/b511/1412455/8cd58f8b7a1c/gut00451-0078-b.jpg
https://cdn.ncbi.nlm.nih.gov/pmc/blobs/b511/1412455/0cb8d2e16b5b/gut00451-0079-a.jpg
https://cdn.ncbi.nlm.nih.gov/pmc/blobs/b511/1412455/342c23988800/gut00451-0080-a.jpg
https://cdn.ncbi.nlm.nih.gov/pmc/blobs/b511/1412455/0317ac120128/gut00451-0080-b.jpg

相似文献

1
Idiopathic portal hypertension (perisinusoidal fibrosis) after renal transplantation.肾移植后特发性门静脉高压症(窦周纤维化)
Gut. 1979 Jun;20(6):531-7. doi: 10.1136/gut.20.6.531.
2
A case of idiopathic portal hypertension after renal transplantation.肾移植术后特发性门静脉高压症1例。
Gastroenterol Jpn. 1990 Oct;25(5):643-8. doi: 10.1007/BF02779367.
3
Idiopathic portal hypertension in a renal transplant recipient.一名肾移植受者的特发性门静脉高压症。
J Clin Gastroenterol. 1982 Apr;4(2):157-61. doi: 10.1097/00004836-198204000-00012.
4
Idiopathic portal hypertension in renal transplant recipients: report of two cases.肾移植受者的特发性门静脉高压症:两例报告。
Surg Today. 1994;24(12):1111-4. doi: 10.1007/BF01367468.
5
Idiopathic portal hypertension associated with cytotoxic drugs.与细胞毒性药物相关的特发性门静脉高压症。
J Clin Pathol. 1990 Mar;43(3):206-10. doi: 10.1136/jcp.43.3.206.
6
Hepatic vascular disease after kidney transplantation: report of two cases and review of the literature.肾移植术后肝血管疾病:两例报告并文献复习
Nephrol Dial Transplant. 1987;2(3):183-8.
7
Role of endothelial cell injury in the spectrum of azathioprine-induced liver disease after renal transplant: light microscopy and ultrastructural observations.内皮细胞损伤在肾移植后硫唑嘌呤诱导的肝病谱中的作用:光镜和超微结构观察
Am J Gastroenterol. 1988 Mar;83(3):256-61.
8
Idiopathic portal hypertension in a renal transplant patient after long-term azathioprine therapy.长期使用硫唑嘌呤治疗后肾移植患者发生的特发性门静脉高压症。
Clin Investig. 1992 Feb;70(2):152-5. doi: 10.1007/BF00227358.
9
[Nodular regenerative hyperplasia of the liver associated with azathioprine therapy].[与硫唑嘌呤治疗相关的肝脏结节性再生性增生]
Gastroenterol Clin Biol. 1991;15(12):968-73.
10
Portal hypertension following renal transplantation.肾移植后的门静脉高压症
Surgery. 1978 Sep;84(3):322-8.

引用本文的文献

1
Sinusoidal and pericellular fibrosis in adult post-transplant liver biopsies: association with hepatic stellate cell activation and patient outcome.成人肝移植后活检中的窦周和细胞周纤维化:与肝星状细胞激活和患者预后的关系。
Virchows Arch. 2019 Aug;475(2):233-243. doi: 10.1007/s00428-019-02585-x. Epub 2019 Jun 14.
2
Idiopathic non-cirrhotic intrahepatic portal hypertension in the West: a re-evaluation in 28 patients.西方特发性非肝硬化性肝内门静脉高压症:28例患者的重新评估
Gut. 2002 Aug;51(2):275-80. doi: 10.1136/gut.51.2.275.
3
Familial occurrence of nodular regenerative hyperplasia of the liver: a report on three families.

本文引用的文献

1
Portal hypertension in the absence of both liver disease and vascular obstruction.无肝脏疾病和血管阻塞情况下的门静脉高压。
Am J Dig Dis. 1962 May;7:442-8. doi: 10.1007/BF02232363.
2
[Essential portal hypertension].[原发性门脉高压症]
Presse Med (1893). 1962 Nov 21;70:2397-9.
3
Portal hypertension and bleeding esophageal varices; their occurrence in the absence of both intrahepatic and extrahepatic obstruction of the portal vein.门静脉高压症与食管静脉曲张破裂出血;它们在门静脉无肝内和肝外梗阻的情况下发生。
家族性肝结节状再生性增生:三例家族报告
Gut. 1999 Aug;45(2):289-94. doi: 10.1136/gut.45.2.289.
4
Mixed connective tissue disease associated with idiopathic portal hypertension and chronic thyroiditis.混合性结缔组织病伴特发性门静脉高压症和慢性甲状腺炎。
J Gastroenterol. 1997 Dec;32(6):808-11. doi: 10.1007/BF02936959.
5
Idiopathic portal hypertension in renal transplant recipients: report of two cases.肾移植受者的特发性门静脉高压症:两例报告。
Surg Today. 1994;24(12):1111-4. doi: 10.1007/BF01367468.
6
Veno-occlusive disease of the liver in patients receiving immunosuppressive therapy.接受免疫抑制治疗患者的肝静脉闭塞病
Virchows Arch A Pathol Anat Histol. 1982;395(3):245-56. doi: 10.1007/BF00429351.
7
Nodular regenerative hyperplasia of the liver following renal transplantation.肾移植后肝脏的结节性再生性增生
Dig Dis Sci. 1981 Mar;26(3):271-4. doi: 10.1007/BF01391642.
8
Ultrastructural lesions of the liver in human peliosis. A report of 12 cases.人类肝紫癜症的肝脏超微结构病变。12例报告。
Am J Pathol. 1984 Mar;114(3):349-59.
9
Relationship between degree of portal hypertension and liver histologic lesions in patients with alcoholic cirrhosis. Effect of acute alcoholic hepatitis on portal hypertension.
Dig Dis Sci. 1987 Apr;32(4):337-43. doi: 10.1007/BF01296284.
10
Portal hypertension secondary to azathioprine in myasthenia gravis.重症肌无力患者使用硫唑嘌呤继发门静脉高压
Postgrad Med J. 1988 Dec;64(758):950-2. doi: 10.1136/pgmj.64.758.950.
N Engl J Med. 1959 Jul 30;261(5):209-18. doi: 10.1056/NEJM195907302610501.
4
Idiopathic portal hypertension. Comparison with the portal hypertension of cirrhosis and extrahepatic portal vein obstruction.特发性门静脉高压症。与肝硬化门静脉高压症及肝外门静脉阻塞的比较。
Ann Intern Med. 1967 Jan;66(1):41-68. doi: 10.7326/0003-4819-66-1-41.
5
Hepatic fibrosis in a child possibly due to prolonged methotrexate.一名儿童的肝纤维化可能归因于长期使用甲氨蝶呤。
J Clin Pathol. 1966 Jan;19(1):81-2. doi: 10.1136/jcp.19.1.81.
6
Extra- and intrahepatic portal hypertension without cirrhosis (hepatoportal sclerosis).无肝硬化的肝内外门静脉高压症(肝门静脉硬化症)
Ann Surg. 1965 Oct;162(4):602-20. doi: 10.1097/00000658-196510000-00006.
7
Obliterative portal venopathy of the liver and "idiopathic portal hypertension".肝脏闭塞性门静脉病与“特发性门静脉高压症”
Ann Intern Med. 1969 Sep;71(3):660-1. doi: 10.7326/0003-4819-71-3-660.
8
[Intrahepatic blocks not including common cirrhosis. Results of portacaval anastomosis].[不包括普通肝硬化的肝内阻塞。门腔静脉吻合术的结果]
Bull Mem Soc Med Hop Paris. 1967;118(12):1069-74.
9
Ultrastructure of the liver in non-cirrhotic portal fibrosis with portal hypertension.伴有门静脉高压的非肝硬化性门静脉纤维化的肝脏超微结构
Gut. 1970 Nov;11(11):905-10. doi: 10.1136/gut.11.11.905.
10
Sinusoidal portal hypertension.窦性门静脉高压症。
Surgery. 1970 Aug;68(2):294-300.