• 文献检索
  • 文档翻译
  • 深度研究
  • 学术资讯
  • Suppr Zotero 插件Zotero 插件
  • 邀请有礼
  • 套餐&价格
  • 历史记录
应用&插件
Suppr Zotero 插件Zotero 插件浏览器插件Mac 客户端Windows 客户端微信小程序
定价
高级版会员购买积分包购买API积分包
服务
文献检索文档翻译深度研究API 文档MCP 服务
关于我们
关于 Suppr公司介绍联系我们用户协议隐私条款
关注我们

Suppr 超能文献

核心技术专利:CN118964589B侵权必究
粤ICP备2023148730 号-1Suppr @ 2026

文献检索

告别复杂PubMed语法,用中文像聊天一样搜索,搜遍4000万医学文献。AI智能推荐,让科研检索更轻松。

立即免费搜索

文件翻译

保留排版,准确专业,支持PDF/Word/PPT等文件格式,支持 12+语言互译。

免费翻译文档

深度研究

AI帮你快速写综述,25分钟生成高质量综述,智能提取关键信息,辅助科研写作。

立即免费体验

基于相位配置脉宽调制(PWM)控制拓扑:一种用于电力电子应用的新型少开关多电平逆变器。

Phase disposition PWM control topology based: A novel multilevel inverter with reduced switch for power electronics applications.

作者信息

Y Vijaya Sambhavi, R Vijayapriya

机构信息

School of Electrical Engineering, Vellore Institute of Technology, Vellore, India.

出版信息

Heliyon. 2024 Oct 28;10(21):e39856. doi: 10.1016/j.heliyon.2024.e39856. eCollection 2024 Nov 15.

DOI:10.1016/j.heliyon.2024.e39856
PMID:39553693
原文链接:https://pmc.ncbi.nlm.nih.gov/articles/PMC11565019/
Abstract

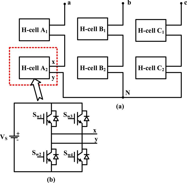
In the field of industrial drive applications, a neutral point clamped multilevel inverter (NPC MLI) is an extensively used option. The NPC MLI architecture involves more number of components for higher level and higher switching frequency operation. In this work paper, a novel three-phase 3-Level MLI is proposed evading the usage of clamping diodes and quadratic switches. Additionally, phase disposition pulse width modulation (PD-PWM) control technique is also employed for the proposed MLI. In comparison to NPC MLI, proposed MLI reduces the voltage switching stress as only one switch is operated per inverter leg. Another feature is that there is a considerable reduction in power losses as the current flows only through fewer elements. The proposed 3L inverter topology is explored thoroughly using the MATLAB simulation model. The evaluation of results is also demonstrated concerning the proposed PD-PWM technique by comparing its performance with the conventional sinusoidal PWM method. The Real-Time hardware-in-loop (HIL) simulator is also used to validate the simulation outcomes of the proposed model.

摘要

在工业驱动应用领域,中性点钳位多电平逆变器(NPC MLI)是一种广泛使用的选择。NPC MLI架构在更高电平及更高开关频率运行时需要更多数量的元件。在本工作论文中,提出了一种新型三相三电平MLI,避免了钳位二极管和二次开关的使用。此外,所提出的MLI还采用了相移脉宽调制(PD - PWM)控制技术。与NPC MLI相比,所提出的MLI降低了电压开关应力,因为每个逆变器桥臂仅一个开关动作。另一个特点是功率损耗显著降低,因为电流仅流过较少元件。利用MATLAB仿真模型对所提出的三电平逆变器拓扑进行了深入研究。通过将其性能与传统正弦脉宽调制方法进行比较,还展示了对所提出的PD - PWM技术结果的评估。实时硬件在环(HIL)模拟器也用于验证所提出模型的仿真结果。

https://cdn.ncbi.nlm.nih.gov/pmc/blobs/e427/11565019/ffb8fef8ee3d/gr31.jpg
https://cdn.ncbi.nlm.nih.gov/pmc/blobs/e427/11565019/078d27975829/gr1.jpg
https://cdn.ncbi.nlm.nih.gov/pmc/blobs/e427/11565019/d19ca37be190/gr2.jpg
https://cdn.ncbi.nlm.nih.gov/pmc/blobs/e427/11565019/0e62cfaf85d6/gr3.jpg
https://cdn.ncbi.nlm.nih.gov/pmc/blobs/e427/11565019/9372e3bf12ed/gr4.jpg
https://cdn.ncbi.nlm.nih.gov/pmc/blobs/e427/11565019/487548264d91/gr5.jpg
https://cdn.ncbi.nlm.nih.gov/pmc/blobs/e427/11565019/f912082b717c/gr6.jpg
https://cdn.ncbi.nlm.nih.gov/pmc/blobs/e427/11565019/7110ab606f0e/gr7.jpg
https://cdn.ncbi.nlm.nih.gov/pmc/blobs/e427/11565019/a2d3bb227e9c/gr8.jpg
https://cdn.ncbi.nlm.nih.gov/pmc/blobs/e427/11565019/e16455fc0561/gr9.jpg
https://cdn.ncbi.nlm.nih.gov/pmc/blobs/e427/11565019/a085e648115c/gr10.jpg
https://cdn.ncbi.nlm.nih.gov/pmc/blobs/e427/11565019/767af46385be/gr11.jpg
https://cdn.ncbi.nlm.nih.gov/pmc/blobs/e427/11565019/73b6ef0265bc/gr12a.jpg
https://cdn.ncbi.nlm.nih.gov/pmc/blobs/e427/11565019/11f4b44b0c21/gr13.jpg
https://cdn.ncbi.nlm.nih.gov/pmc/blobs/e427/11565019/5a9d2964cad8/gr14.jpg
https://cdn.ncbi.nlm.nih.gov/pmc/blobs/e427/11565019/06e6b9eec4a8/gr15.jpg
https://cdn.ncbi.nlm.nih.gov/pmc/blobs/e427/11565019/2d47c3ed5304/gr16.jpg
https://cdn.ncbi.nlm.nih.gov/pmc/blobs/e427/11565019/83fd34d715b7/gr17.jpg
https://cdn.ncbi.nlm.nih.gov/pmc/blobs/e427/11565019/f91d87852049/gr18.jpg
https://cdn.ncbi.nlm.nih.gov/pmc/blobs/e427/11565019/b767467fa2a1/gr19.jpg
https://cdn.ncbi.nlm.nih.gov/pmc/blobs/e427/11565019/0243915c6275/gr20.jpg
https://cdn.ncbi.nlm.nih.gov/pmc/blobs/e427/11565019/624c9528d7e1/gr21.jpg
https://cdn.ncbi.nlm.nih.gov/pmc/blobs/e427/11565019/688a0dca387d/gr22.jpg
https://cdn.ncbi.nlm.nih.gov/pmc/blobs/e427/11565019/19cffa989de5/gr23.jpg
https://cdn.ncbi.nlm.nih.gov/pmc/blobs/e427/11565019/4e164a7fef30/gr24.jpg
https://cdn.ncbi.nlm.nih.gov/pmc/blobs/e427/11565019/08a077bc88e8/gr25.jpg
https://cdn.ncbi.nlm.nih.gov/pmc/blobs/e427/11565019/fdb9b1a8b88b/gr26.jpg
https://cdn.ncbi.nlm.nih.gov/pmc/blobs/e427/11565019/1b89880c1754/gr27.jpg
https://cdn.ncbi.nlm.nih.gov/pmc/blobs/e427/11565019/57e452ceb7cd/gr28.jpg
https://cdn.ncbi.nlm.nih.gov/pmc/blobs/e427/11565019/0929ef5000b9/gr29.jpg
https://cdn.ncbi.nlm.nih.gov/pmc/blobs/e427/11565019/68593d828191/gr30.jpg
https://cdn.ncbi.nlm.nih.gov/pmc/blobs/e427/11565019/ffb8fef8ee3d/gr31.jpg
https://cdn.ncbi.nlm.nih.gov/pmc/blobs/e427/11565019/078d27975829/gr1.jpg
https://cdn.ncbi.nlm.nih.gov/pmc/blobs/e427/11565019/d19ca37be190/gr2.jpg
https://cdn.ncbi.nlm.nih.gov/pmc/blobs/e427/11565019/0e62cfaf85d6/gr3.jpg
https://cdn.ncbi.nlm.nih.gov/pmc/blobs/e427/11565019/9372e3bf12ed/gr4.jpg
https://cdn.ncbi.nlm.nih.gov/pmc/blobs/e427/11565019/487548264d91/gr5.jpg
https://cdn.ncbi.nlm.nih.gov/pmc/blobs/e427/11565019/f912082b717c/gr6.jpg
https://cdn.ncbi.nlm.nih.gov/pmc/blobs/e427/11565019/7110ab606f0e/gr7.jpg
https://cdn.ncbi.nlm.nih.gov/pmc/blobs/e427/11565019/a2d3bb227e9c/gr8.jpg
https://cdn.ncbi.nlm.nih.gov/pmc/blobs/e427/11565019/e16455fc0561/gr9.jpg
https://cdn.ncbi.nlm.nih.gov/pmc/blobs/e427/11565019/a085e648115c/gr10.jpg
https://cdn.ncbi.nlm.nih.gov/pmc/blobs/e427/11565019/767af46385be/gr11.jpg
https://cdn.ncbi.nlm.nih.gov/pmc/blobs/e427/11565019/73b6ef0265bc/gr12a.jpg
https://cdn.ncbi.nlm.nih.gov/pmc/blobs/e427/11565019/11f4b44b0c21/gr13.jpg
https://cdn.ncbi.nlm.nih.gov/pmc/blobs/e427/11565019/5a9d2964cad8/gr14.jpg
https://cdn.ncbi.nlm.nih.gov/pmc/blobs/e427/11565019/06e6b9eec4a8/gr15.jpg
https://cdn.ncbi.nlm.nih.gov/pmc/blobs/e427/11565019/2d47c3ed5304/gr16.jpg
https://cdn.ncbi.nlm.nih.gov/pmc/blobs/e427/11565019/83fd34d715b7/gr17.jpg
https://cdn.ncbi.nlm.nih.gov/pmc/blobs/e427/11565019/f91d87852049/gr18.jpg
https://cdn.ncbi.nlm.nih.gov/pmc/blobs/e427/11565019/b767467fa2a1/gr19.jpg
https://cdn.ncbi.nlm.nih.gov/pmc/blobs/e427/11565019/0243915c6275/gr20.jpg
https://cdn.ncbi.nlm.nih.gov/pmc/blobs/e427/11565019/624c9528d7e1/gr21.jpg
https://cdn.ncbi.nlm.nih.gov/pmc/blobs/e427/11565019/688a0dca387d/gr22.jpg
https://cdn.ncbi.nlm.nih.gov/pmc/blobs/e427/11565019/19cffa989de5/gr23.jpg
https://cdn.ncbi.nlm.nih.gov/pmc/blobs/e427/11565019/4e164a7fef30/gr24.jpg
https://cdn.ncbi.nlm.nih.gov/pmc/blobs/e427/11565019/08a077bc88e8/gr25.jpg
https://cdn.ncbi.nlm.nih.gov/pmc/blobs/e427/11565019/fdb9b1a8b88b/gr26.jpg
https://cdn.ncbi.nlm.nih.gov/pmc/blobs/e427/11565019/1b89880c1754/gr27.jpg
https://cdn.ncbi.nlm.nih.gov/pmc/blobs/e427/11565019/57e452ceb7cd/gr28.jpg
https://cdn.ncbi.nlm.nih.gov/pmc/blobs/e427/11565019/0929ef5000b9/gr29.jpg
https://cdn.ncbi.nlm.nih.gov/pmc/blobs/e427/11565019/68593d828191/gr30.jpg
https://cdn.ncbi.nlm.nih.gov/pmc/blobs/e427/11565019/ffb8fef8ee3d/gr31.jpg

相似文献

1
Phase disposition PWM control topology based: A novel multilevel inverter with reduced switch for power electronics applications.基于相位配置脉宽调制(PWM)控制拓扑:一种用于电力电子应用的新型少开关多电平逆变器。
Heliyon. 2024 Oct 28;10(21):e39856. doi: 10.1016/j.heliyon.2024.e39856. eCollection 2024 Nov 15.
2
A 31 L multilevel inverter topology with less switching devices for hybrid electric vehicle applications.一种用于混合动力电动汽车应用的、具有较少开关器件的31L多电平逆变器拓扑结构。
Sci Rep. 2024 Nov 10;14(1):27459. doi: 10.1038/s41598-024-78529-6.
3
An innovative 11-level multilevel inverter topology with rotating trapezoidal SPWM for industrial and renewable applications.一种用于工业和可再生应用的具有旋转梯形正弦脉宽调制(SPWM)的创新型11电平多电平逆变器拓扑结构。
Sci Rep. 2024 Sep 27;14(1):22359. doi: 10.1038/s41598-024-73791-0.
4
Evaluation of a multiphase cascaded H-bridge inverter for induction motor operation.用于感应电机运行的多相级联H桥逆变器的评估。
Sci Rep. 2024 Aug 22;14(1):19486. doi: 10.1038/s41598-024-68713-z.
5
An energy efficient control method of a photovoltaic system using a new three-phase inverter with a reduced common mode voltage.一种使用具有降低共模电压的新型三相逆变器的光伏系统节能控制方法。
Heliyon. 2024 Jun 14;10(12):e33008. doi: 10.1016/j.heliyon.2024.e33008. eCollection 2024 Jun 30.
6
Robust PWM control scheme for switched-capacitor MLI with leakage current suppression in grid-connected renewable energy application.用于并网可再生能源应用中具有漏电流抑制功能的开关电容多电平逆变器的鲁棒脉宽调制控制方案。
Heliyon. 2024 May 31;10(11):e32214. doi: 10.1016/j.heliyon.2024.e32214. eCollection 2024 Jun 15.
7
SVPWM control strategy for Novel Interleaved High Gain DC converter fed 3-level NPC Inverter for Renewable Energy Applications.用于可再生能源应用的新型交错式高增益直流变换器供电的三电平中点钳位逆变器的空间矢量脉宽调制(SVPWM)控制策略
ISA Trans. 2023 Sep;140:426-437. doi: 10.1016/j.isatra.2023.05.019. Epub 2023 May 30.
8
Modified W-type configuration for a single-phase reduced parts count 81-level inverter.单相减少部件数 81 电平逆变器的改进 W 型配置。
PLoS One. 2022 Jun 22;17(6):e0269714. doi: 10.1371/journal.pone.0269714. eCollection 2022.
9
Design and implementation of single DC-link based three-phase multilevel inverter with CB-PWM techniques.基于载波移相脉宽调制(CB-PWM)技术的单直流母线三相多电平逆变器的设计与实现。
Sci Rep. 2024 Aug 5;14(1):18078. doi: 10.1038/s41598-024-68293-y.
10
Three-Phase Six-Level Multilevel Voltage Source Inverter: Modeling and Experimental Validation.三相六电平多电平电压源逆变器:建模与实验验证
Micromachines (Basel). 2021 Sep 21;12(9):1133. doi: 10.3390/mi12091133.

本文引用的文献

1
An enhanced proportional resonance controller design for the PMSM based electric vehicle drive system.一种用于基于永磁同步电机(PMSM)的电动汽车驱动系统的增强型比例谐振控制器设计。
Heliyon. 2024 Jul 27;10(15):e35244. doi: 10.1016/j.heliyon.2024.e35244. eCollection 2024 Aug 15.