Suppr超能文献

产肠毒素大肠杆菌CFA/I抗原的纯化与特性分析

Purification and characterization of the CFA/I antigen of enterotoxigenic Escherichia coli.

作者信息

Evans D G, Evans D J, Clegg S, Pauley J A

出版信息

Infect Immun. 1979 Aug;25(2):738-48. doi: 10.1128/iai.25.2.738-748.1979.

Abstract

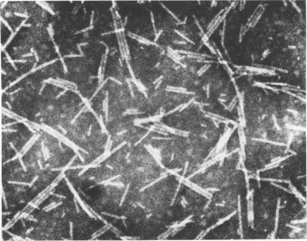
The fimbral colonization factor antigen CFA/I of enterotoxigenic Escherichia coli was purified and characterized. The initial purification step was release of these fimbriae from the bacterial cells by homogenization with a Waring blender. Common fimbriae and flagellar antigen were avoided by careful control of growth conditions and the use of a nonmotile (H-) mutant of the prototype strain H-10407 (O78:H11). The essential purification steps were membrane filtration (Millipore Corp.), ammonium sulfate fractionation, and negative diethylaminoethyl-Sephadex column chromatography. Yields were approximately 4.0 mg of CFA/I protein per g (wet weight) of bacteria. Purified CFA/I is a fimbrial molecule 7.0 nm in diameter and has an average molecular weight of 1.6 X 10(6), as determined by sedimentation equilibrium. CFA/I is a polymer of identical subunits of molecular weight 23,800 with an N-terminal valine, 37% hydrophobic amino acid residues, and 11 residues of proline per mol. The purified antigen retains its morphology, antigenicity, and biological activity. Purified antigen retains its morphology, antigenicity, and biological activity. Purified CFA/I exhibits mannose-resistant hemagglutination of human group A, bovine, and chicken erythrocytes, as do CFA/I-positive bacteria. This was demonstrated by sensitizing latex microbeads with the purified antigen since cell-free CFA/I fimbriae do not hemagglutinate erythrocytes. Thus, CFA/I detached from the bacteria are monovalent; however, purified CFA/I antigen retains an affinity for the epithelial cells of rabbit small intestine and blocks adhesion of CFA/I-positive bacteria. These results demonstrate that purified CFA/I is a good candidate for use in an oral vaccine for immunoprotection against diarrhea caused by CFA/I-positive enterotoxigenic E. coli.

摘要

对产肠毒素大肠杆菌的菌毛定居因子抗原CFA/I进行了纯化和特性鉴定。最初的纯化步骤是通过用韦林氏搅切器匀浆从细菌细胞中释放这些菌毛。通过仔细控制生长条件并使用原型菌株H - 10407(O78:H11)的非运动性(H -)突变体,避免了普通菌毛和鞭毛抗原。基本的纯化步骤是膜过滤(密理博公司)、硫酸铵分级分离和阴离子二乙氨基乙基 - 葡聚糖柱色谱。产量约为每克(湿重)细菌产生4.0毫克CFA/I蛋白。通过沉降平衡测定,纯化的CFA/I是一种直径为7.0纳米的菌毛分子,平均分子量为1.6×10⁶。CFA/I是分子量为23,800的相同亚基的聚合物,每个分子含有N - 末端缬氨酸、37%的疏水氨基酸残基和11个脯氨酸残基。纯化的抗原保留了其形态、抗原性和生物活性。纯化的CFA/I与人A血型、牛和鸡的红细胞表现出甘露糖抗性血凝,CFA/I阳性细菌也是如此。用纯化抗原致敏乳胶微珠证明了这一点,因为无细胞的CFA/I菌毛不会使红细胞发生血凝。因此,从细菌上分离的CFA/I是单价的;然而,纯化的CFA/I抗原对兔小肠上皮细胞仍具有亲和力,并能阻断CFA/I阳性细菌的黏附。这些结果表明,纯化的CFA/I是用于口服疫苗免疫保护以预防由CFA/I阳性产肠毒素大肠杆菌引起的腹泻的良好候选物。

https://cdn.ncbi.nlm.nih.gov/pmc/blobs/774f/414505/2db2f1f2bb8c/iai00188-0266-a.jpg

文献检索

告别复杂PubMed语法,用中文像聊天一样搜索,搜遍4000万医学文献。AI智能推荐,让科研检索更轻松。

立即免费搜索

文件翻译

保留排版,准确专业,支持PDF/Word/PPT等文件格式,支持 12+语言互译。

免费翻译文档

深度研究

AI帮你快速写综述,25分钟生成高质量综述,智能提取关键信息,辅助科研写作。

立即免费体验