Kassie Tamiru Demelash, Geremew Mebratu Sintie, Chanie Kassahun Ashagrie
Department of Electrical & Computer Engineering, College of Engineering and Technology, Mizan-Tepi University, Tepi, Ethiopia.
PLoS One. 2025 Feb 5;20(2):e0317600. doi: 10.1371/journal.pone.0317600. eCollection 2025.
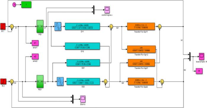
Due to the nonlinear characteristics of the valves and the interactions between the controlled variables, designing a control system for coupled tanks is a difficult task. This paper deals with the comparative study between Fuzzy-PID and GA-PID controllers for decoupling level and flow rate control of two tank systems for beverage factories with minimum time optimal operation. In most process control industries, each process requires multiple control variables. Here two input two output (TITO) systems are considered highly interacting multivariable control systems. The decoupling control scheme (Pre-compensator (dynamic) decoupling) is used to reduce the correlation between the controlled and manipulated variables by diagonalizing the system. The two independent SISO systems are further controlled by different controllers so that the system can trace the set point and yield a good time response. Two radically different control approaches are presented and compared for this system's dynamics, motivated by a desire to provide precise liquid-level control and regulate the flow rate. MATLAB /Simulink model and tuning algorithm (GA) are used for simulation. As the simulation result ensured, the GA-PID controller is the used for the specified system which is based on the transient and steady-state specifications. Quantitatively; the GA-PID controller has 39.167ms rise time, 8.50sec settling time, and -0.393% overshoot; whereas FLC-PID has 118.101ms rise time, 8.65sec settling time, and -0.033% overshoot. But in GA with PID controllers, the external disturbance tolerance capability of the proposed scheme, meaning robustness against external disturbance has a slight difference and FLC-PID has perfectly achieved the robustness. Depending on the result, FLC-PID has more result than GA-PID controller based on the set of specifications. Hence robustness is more important than time performances.