Suppr超能文献

用于电动汽车应用的集成最大功率点跟踪和双向直流-直流转换器以及精简开关多电平逆变器。

Integrated MPPT and bidirectional DC DC converter with reduced switch multilevel inverters for electric vehicles applications.

作者信息

Dhineshkumar K, Vengadachalam N, Muthusamy Suresh, Khan Baseem

机构信息

Department of Electrical and Electronics Engineering, KIT - Kalaignar Karunanidhi Institute of Technology (Autonomous), Coimbatore, Tamil Nadu, India.

Department of Electrical and Electronics Engineering , Annasaheb Dange College of Engineering and Technology (Autonomous), Ashta, Sangli, Maharashtra, India.

出版信息

Sci Rep. 2025 Jul 11;15(1):25053. doi: 10.1038/s41598-025-08700-0.

Abstract

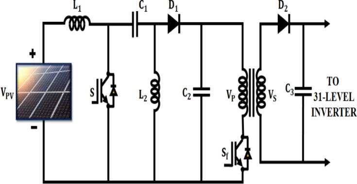
The necessity for a clean and sustainable Renewable Energy Source (RES) is fueled by the intensifying environmental issue and steady decline of fossil resources. Additionally, expanding use of Electric Vehicles (EVs) across the globe is a result of rising carbon emissions and oil consumption. PV powered EV charging system has the ability to substantially reduce greenhouse emissions when compared with conventional sources-based EV charging system. However, existing PV based EV charging systems lack efficient approaches for adapting optimally to varying environmental conditions. Moreover, the power conversion efficiency may not be optimized leading to lower energy output. Hence, in this work, a Single Ended Primary Inductance Converter (SEPIC) Integrated Isolated Flyback Converter (SIIFC) and Machine Learning Radial Basis Function Neural Network Maximum Power Point Tracking (ML RBFNN MPPT) are used to maximize PV power extraction. EV motor and the grid are powered by a reduced switch 31 level inverter and a 1 Voltage Source Inverter (VSI). In order to effectively synchronize the grid voltage and guarantee that the EV motor runs at the desired speed, an adaptive proportional integral (PI) controller is used. For validating the effectiveness of proposed PV based EV charging station, MATLAB simulations and experimental validations are used. Experimental results demonstrate that the proposed SIIFC and RBFNN MPPT offer an efficiency of 95.4% and 96% respectively. Moreover, the proposed 31-level inverter design increases the reliability and reduces the THD to 2.16%.

摘要

日益严重的环境问题以及化石资源的不断减少,凸显了对清洁且可持续的可再生能源(RES)的需求。此外,全球范围内电动汽车(EV)使用量的增加,是碳排放和石油消耗上升的结果。与传统基于化石能源的电动汽车充电系统相比,光伏供电的电动汽车充电系统能够大幅减少温室气体排放。然而,现有的基于光伏的电动汽车充电系统缺乏有效方法来最佳地适应不断变化的环境条件。此外,功率转换效率可能未得到优化,导致能量输出较低。因此,在这项工作中,采用了单端初级电感变换器(SEPIC)集成隔离反激变换器(SIIFC)和机器学习径向基函数神经网络最大功率点跟踪(ML RBFNN MPPT)来最大化光伏功率提取。电动汽车电机和电网由一个精简开关31电平逆变器和一个1电压源逆变器(VSI)供电。为了有效同步电网电压并确保电动汽车电机以期望速度运行,采用了自适应比例积分(PI)控制器。为了验证所提出的基于光伏的电动汽车充电站的有效性,使用了MATLAB仿真和实验验证。实验结果表明,所提出的SIIFC和RBFNN MPPT的效率分别为95.4%和96%。此外,所提出的31电平逆变器设计提高了可靠性,并将总谐波失真降低到2.16%。

https://cdn.ncbi.nlm.nih.gov/pmc/blobs/f9b7/12254513/438f1d363ce0/41598_2025_8700_Fig1_HTML.jpg

文献检索

告别复杂PubMed语法,用中文像聊天一样搜索,搜遍4000万医学文献。AI智能推荐,让科研检索更轻松。

立即免费搜索

文件翻译

保留排版,准确专业,支持PDF/Word/PPT等文件格式,支持 12+语言互译。

免费翻译文档

深度研究

AI帮你快速写综述,25分钟生成高质量综述,智能提取关键信息,辅助科研写作。

立即免费体验