Suppr超能文献

Cell death during the development of the truncus and conus of the chick embryo heart.

作者信息

Hurle J M, Ojeda J L

出版信息

J Anat. 1979 Sep;129(Pt 2):427-39.

Abstract

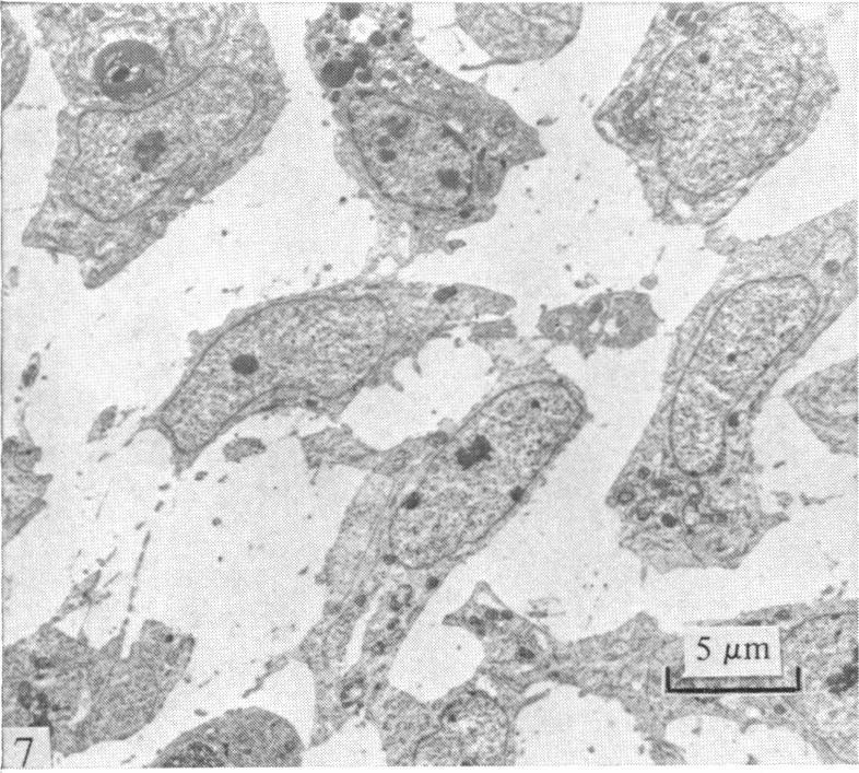
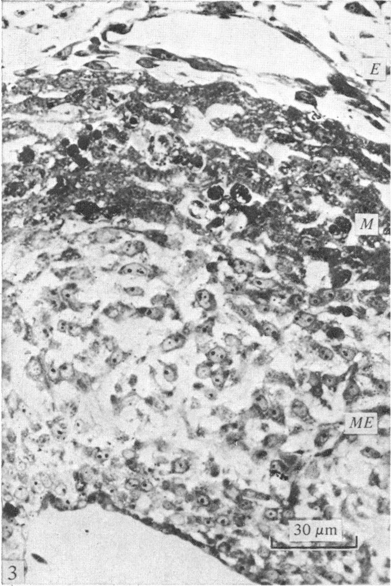
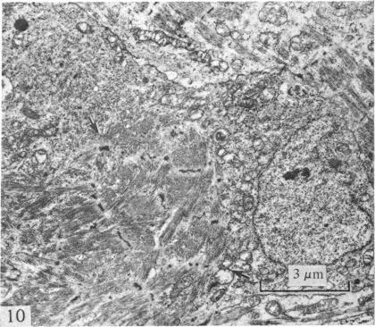
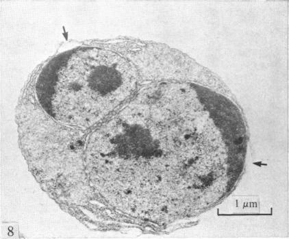
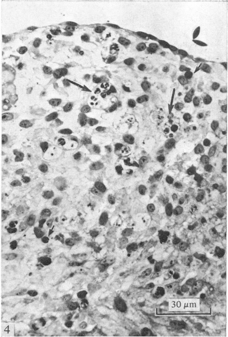
The presence of cell death in the walls of the truncus and conus of the developing chick heart was investigated by a variety of light and electron microscopic techniques. Necrotic areas were observed in the myocardial layer of the truncus and conus and within the mesenchymal cells of the truncoconal ridges and aortopulmonary septum. These necrotic zones appeared first at Stage 25-26 and reached their maximum extent at Stages 29-32 undergoing later progressive disappearance. The morphological changes of the degenerating cells detectable under both transmission and scanning electron microscopy are also reported. The possible role of cell death in the morphogenesis of the truncus and conus is discussed.

摘要
https://cdn.ncbi.nlm.nih.gov/pmc/blobs/438f/1233059/04f90505c69f/janat00238-0201-a.jpg

文献AI研究员

20分钟写一篇综述,助力文献阅读效率提升50倍。

立即体验

用中文搜PubMed

大模型驱动的PubMed中文搜索引擎

马上搜索

文档翻译

学术文献翻译模型,支持多种主流文档格式。

立即体验