Changeux J P, Ryter A, Leuzinger W, Barrand P, Podleski T
Proc Natl Acad Sci U S A. 1969 Mar;62(3):986-93. doi: 10.1073/pnas.62.3.986.
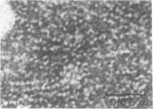
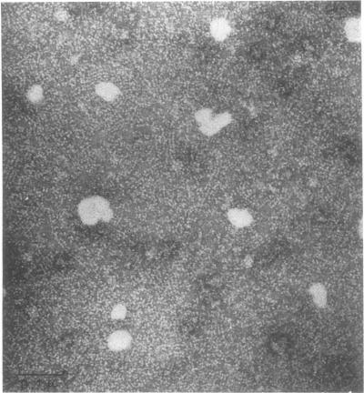
In studies of several polypeptide antibiotics with a high affinity for a variety of biological membranes, tyrocidine was found to bind specifically to acetylcholinesterase, an enzyme localized in excitable membranes. Several other polypeptides tested were not bound. Tyrocidine reversibly inhibits acetylcholinesterase formed by homogeneous protein, but seems to have no effect on the activity of the enzyme bound to the eel electroplax membrane. This inhibition is accompanied by a reversible association of the soluble enzyme in to ordered and rapidly sedimenting aggregates of large molecular weight. Electron micrographs of acetylcholinesterase are shown which are consistent with the chemical evidence of the existence of four subunits.
在对几种对多种生物膜具有高亲和力的多肽抗生素的研究中,发现短杆菌酪肽能特异性结合乙酰胆碱酯酶,该酶位于可兴奋膜中。测试的其他几种多肽未发生结合。短杆菌酪肽能可逆地抑制由纯蛋白形成的乙酰胆碱酯酶,但似乎对与鳗鱼电板膜结合的该酶的活性没有影响。这种抑制伴随着可溶性酶可逆地缔合形成有序且快速沉降的大分子量聚集体。文中展示了与存在四个亚基的化学证据相符的乙酰胆碱酯酶的电子显微镜照片。