• 文献检索
  • 文档翻译
  • 深度研究
  • 学术资讯
  • Suppr Zotero 插件Zotero 插件
  • 邀请有礼
  • 套餐&价格
  • 历史记录
应用&插件
Suppr Zotero 插件Zotero 插件浏览器插件Mac 客户端Windows 客户端微信小程序
定价
高级版会员购买积分包购买API积分包
服务
文献检索文档翻译深度研究API 文档MCP 服务
关于我们
关于 Suppr公司介绍联系我们用户协议隐私条款
关注我们

Suppr 超能文献

核心技术专利:CN118964589B侵权必究
粤ICP备2023148730 号-1Suppr @ 2026

文献检索

告别复杂PubMed语法,用中文像聊天一样搜索,搜遍4000万医学文献。AI智能推荐,让科研检索更轻松。

立即免费搜索

文件翻译

保留排版,准确专业,支持PDF/Word/PPT等文件格式,支持 12+语言互译。

免费翻译文档

深度研究

AI帮你快速写综述,25分钟生成高质量综述,智能提取关键信息,辅助科研写作。

立即免费体验

人骨髓冰冻切片的酶组织化学分析。

Enzyme histochemical analysis on cryostat sections of human bone marrow.

作者信息

Chilosi M, Pizzolo G, Janossy G, Bofill M, Fiore-Donati L

出版信息

J Clin Pathol. 1982 Nov;35(11):1220-6. doi: 10.1136/jcp.35.11.1220.

DOI:10.1136/jcp.35.11.1220
PMID:7142430
原文链接:https://pmc.ncbi.nlm.nih.gov/articles/PMC497931/
Abstract

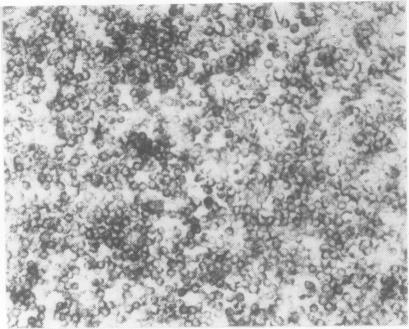
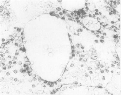
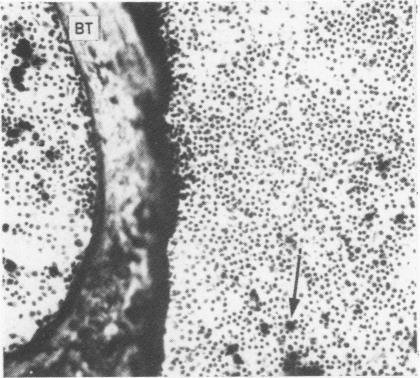
A recently developed procedure, that has been shown to be suitable for detailed immunohistological analysis, has been used to prepare cryostat sections of bone marrow to investigate whether enzyme-histochemical techniques are also feasible on such material. A selected group of enzymes, some of which are inhibited or destroyed in paraffin- or plastic-embedded samples, have been demonstrated. The morphological details obtained were satisfactory in the preparations. The enzymes were dipeptidyl(amino)peptidase IV (for T lymphocytes); tartrate-resistant acid phosphatase (for hairy cell leukaemia); acid phosphatase and non-specific esterase (for macrophages and monocytes); ATPase and 5'nucleotidase (for B lymphocytes); and peroxidase or chloroacetate esterase (for granulocytic cells). In these preparations strong enzyme activities were shown. In adjacent sections the immunological analysis of membrane markers could also be performed contributing to a comprehensive study of the normal and malignant bone marrow cells.

摘要

最近开发的一种程序已被证明适用于详细的免疫组织学分析,现用于制备骨髓冰冻切片,以研究酶组织化学技术在此类材料上是否也可行。已证实了一组选定的酶,其中一些酶在石蜡或塑料包埋样本中会被抑制或破坏。所获得的形态学细节在制备物中令人满意。这些酶包括二肽基(氨基)肽酶IV(用于T淋巴细胞);抗酒石酸酸性磷酸酶(用于毛细胞白血病);酸性磷酸酶和非特异性酯酶(用于巨噬细胞和单核细胞);ATP酶和5'核苷酸酶(用于B淋巴细胞);以及过氧化物酶或氯乙酸酯酶(用于粒细胞)。在这些制备物中显示出较强的酶活性。在相邻切片中,还可以进行膜标志物的免疫分析,有助于对正常和恶性骨髓细胞进行全面研究。

https://cdn.ncbi.nlm.nih.gov/pmc/blobs/361f/497931/f56ab06f637b/jclinpath00504-0056-b.jpg
https://cdn.ncbi.nlm.nih.gov/pmc/blobs/361f/497931/6aef003c59e8/jclinpath00504-0054-a.jpg
https://cdn.ncbi.nlm.nih.gov/pmc/blobs/361f/497931/835db56ca36f/jclinpath00504-0054-b.jpg
https://cdn.ncbi.nlm.nih.gov/pmc/blobs/361f/497931/bd8c95ef1bc4/jclinpath00504-0055-a.jpg
https://cdn.ncbi.nlm.nih.gov/pmc/blobs/361f/497931/d849b97fcad0/jclinpath00504-0055-b.jpg
https://cdn.ncbi.nlm.nih.gov/pmc/blobs/361f/497931/8c566a5eb2f9/jclinpath00504-0056-a.jpg
https://cdn.ncbi.nlm.nih.gov/pmc/blobs/361f/497931/f56ab06f637b/jclinpath00504-0056-b.jpg
https://cdn.ncbi.nlm.nih.gov/pmc/blobs/361f/497931/6aef003c59e8/jclinpath00504-0054-a.jpg
https://cdn.ncbi.nlm.nih.gov/pmc/blobs/361f/497931/835db56ca36f/jclinpath00504-0054-b.jpg
https://cdn.ncbi.nlm.nih.gov/pmc/blobs/361f/497931/bd8c95ef1bc4/jclinpath00504-0055-a.jpg
https://cdn.ncbi.nlm.nih.gov/pmc/blobs/361f/497931/d849b97fcad0/jclinpath00504-0055-b.jpg
https://cdn.ncbi.nlm.nih.gov/pmc/blobs/361f/497931/8c566a5eb2f9/jclinpath00504-0056-a.jpg
https://cdn.ncbi.nlm.nih.gov/pmc/blobs/361f/497931/f56ab06f637b/jclinpath00504-0056-b.jpg

相似文献

1
Enzyme histochemical analysis on cryostat sections of human bone marrow.人骨髓冰冻切片的酶组织化学分析。
J Clin Pathol. 1982 Nov;35(11):1220-6. doi: 10.1136/jcp.35.11.1220.
2
Routine immunofluorescent and histochemical analysis of bone marrow involvement of lymphoma/leukaemia: the use of cryostat sections.淋巴瘤/白血病骨髓受累的常规免疫荧光和组织化学分析:冷冻切片的应用
Br J Cancer. 1983 Dec;48(6):763-775. doi: 10.1038/bjc.1983.265.
3
Enzyme histochemistry on normal and pathologic paraffin-embedded lymphoid tissues.
Am J Clin Pathol. 1981 Dec;76(6):729-36. doi: 10.1093/ajcp/76.6.729.
4
Dipeptidyl peptidase IV in human T-lymphocytes: cytochemical and histochemical investigations in patients with non-Hodgkin's lymphoma.人T淋巴细胞中的二肽基肽酶IV:非霍奇金淋巴瘤患者的细胞化学和组织化学研究
Acta Histochem Suppl. 1986;33:131-8.
5
Cytochemical comparison of immunologically characterized human leukaemia/lymphoma cell lines representing different levels of maturation.代表不同成熟水平的经免疫特征化的人白血病/淋巴瘤细胞系的细胞化学比较。
Br J Cancer. 1983 Jun;47(6):771-9. doi: 10.1038/bjc.1983.130.
6
Diagnosis of hairy-cell leukaemia by tartrate-resistant acid phosphatase activity in paraffin-embedded tissue sections.通过石蜡包埋组织切片中的抗酒石酸酸性磷酸酶活性诊断毛细胞白血病。
J Clin Pathol. 1980 Jun;33(6):552-4. doi: 10.1136/jcp.33.6.552.
7
[Evaluation of tartrate-resistant acid phosphatase activity in lymphoma cells of the bone marrow].
Acta Haematol Pol. 1985 Jul-Dec;16(3-4):122-6.
8
Enzyme histochemistry and immunohistochemistry on biopsy specimens of pathologic human bone marrow.对人类病理性骨髓活检标本进行酶组织化学和免疫组织化学检测。
Blood. 1981 Jun;57(6):1088-98.
9
Immunohistological analysis of bone marrow involvement in lymphoproliferative disorders. The use of cryostat sections from trephine biopsies.淋巴增生性疾病骨髓受累的免疫组织学分析。使用来自环钻活检的冷冻切片。
Haematologia (Budap). 1984;17(2):247-57.
10
Demonstration of tartrate-resistant acid phosphatase in un-decalcified, glycolmethacrylate-embedded mouse bone: a possible marker for (pre)osteoclast identification.
J Histochem Cytochem. 1986 Oct;34(10):1317-23. doi: 10.1177/34.10.3745910.

引用本文的文献

1
Routine immunofluorescent and histochemical analysis of bone marrow involvement of lymphoma/leukaemia: the use of cryostat sections.淋巴瘤/白血病骨髓受累的常规免疫荧光和组织化学分析:冷冻切片的应用
Br J Cancer. 1983 Dec;48(6):763-775. doi: 10.1038/bjc.1983.265.
2
Demonstration of lymphoid antigens in decalcified bone marrow trephines.脱钙骨髓活检组织中淋巴样抗原的显示
J Clin Pathol. 1987 Aug;40(8):870-3. doi: 10.1136/jcp.40.8.870.

本文引用的文献

1
Esterase activity in leukocytes demonstrated by the use of naphthol AS-D chloroacetate substrate.通过使用萘酚AS-D氯乙酸酯底物所显示的白细胞中的酯酶活性。
J Histochem Cytochem. 1960 May;8:200-7. doi: 10.1177/8.3.200.
2
Diagnosis of hairy-cell leukaemia by tartrate-resistant acid phosphatase activity in paraffin-embedded tissue sections.通过石蜡包埋组织切片中的抗酒石酸酸性磷酸酶活性诊断毛细胞白血病。
J Clin Pathol. 1980 Jun;33(6):552-4. doi: 10.1136/jcp.33.6.552.
3
Enzyme histochemistry on bone marrow biopsies: reactions useful in the differential diagnosis of leukemia and lymphoma applied to 2-micron plastic sections.
Blood. 1980 Mar;55(3):386-94.
4
Enzyme histochemistry on bone marrow sections after embedding in methacrylate at low temperature.低温下包埋于甲基丙烯酸酯中的骨髓切片的酶组织化学。
Histochemistry. 1981;70(2):95-105. doi: 10.1007/BF00493201.
5
Immuno-histological analysis of bone marrow involvement in lymphoproliferative disorders.淋巴细胞增生性疾病骨髓受累的免疫组织学分析。
Br J Haematol. 1982 Jan;50(1):95-100. doi: 10.1111/j.1365-2141.1982.tb01894.x.
6
Immunohistologic studies of lymphoma: past, present, and future.淋巴瘤的免疫组织学研究:过去、现在与未来。
J Histochem Cytochem. 1980 Aug;28(8):777-87. doi: 10.1177/28.8.7003004.
7
Immunohistologic analysis of the organization of normal lymphoid tissue and non-Hodgkin's lymphomas.正常淋巴组织和非霍奇金淋巴瘤组织结构的免疫组织学分析。
J Histochem Cytochem. 1980 Aug;28(8):746-60. doi: 10.1177/28.8.7003001.
8
Specificity and polymorphism of diaminopeptidase IV in normal and neoplastic T mu lymphocytes.正常和肿瘤性Tμ淋巴细胞中二肽基肽酶IV的特异性和多态性
J Cancer Res Clin Oncol. 1981;101(1):59-63. doi: 10.1007/BF00405064.
9
Fluoride resistant alpha-naphthyl acetate esterase and combined enzyme histochemistry in the study of normal and pathologic lymphoid tissues.耐氟α-萘乙酸酯酶及联合酶组织化学在正常及病理淋巴组织研究中的应用
Basic Appl Histochem. 1981;25(1):39-50.
10
Distribution of t lymphocyte subsets in the human bone marrow and thymus: an analysis with monoclonal antibodies.人类骨髓和胸腺中T淋巴细胞亚群的分布:单克隆抗体分析
J Immunol. 1981 Apr;126(4):1608-13.