Suppr超能文献

人类关节软骨中的胶原纤维组织。

The collagen fibril organization in human articular cartilage.

作者信息

Minns R J, Steven F S

出版信息

J Anat. 1977 Apr;123(Pt 2):437-57.

Abstract

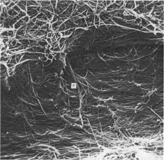
In this scanning electron microscopic study blocks of collagen fibrils were prepared from human articular cartilage, using two techinques which selectively removed either the proteoglycans alone, or both the proteoglycans and the collagen fibrils, of the non-calcified cartilage layer. Amino acid analysis of the fibrils confirmed the purity of the collagen after proteoglycan extraction. The cartilage was scanned in four different ways: (1) normal to the articular surface, (2) in superficial sections, (3) on surfaces of blocks which had been broken in planes parallel to artificial splits make by the insertion of a pin, and (4) on fracture surfaces which traversed the calcified cartilage and the subchondral bone. Five features of the organization of the collagen fibrils were specially noted: (1) Individual fibrils within the trabeculae joined to form small fibre bundles which became grouped into larger bundles at the calcified/uncalcified interface. (2) Fibrils in the deep and middle zones which, exhibiting the characteristic surface periodicity of collagen, were generally oriented towars the articular surface in large bundles approximately 55 micronm across. (3) In the superficial zone, fibrils ran parallel to the surface. (4) The surface fibrils had random orientation, even at the bases of empty lacunae vacated by chondrocytes during specimen preparation. (5) The collagen fibrils of the lacunar walls appeared to be thinner and more closely packed than thos between the lacunae. The fine collagen fibrils associated with the lacunar walls were frequently observed to pass through a large lacunar space, resulting in the formation of two or more compartments, each of which was presumably filled with a chondrocyte in the living cartilage.

摘要

在这项扫描电子显微镜研究中,从人关节软骨制备胶原纤维块,采用两种技术分别选择性去除非钙化软骨层中的蛋白聚糖,或同时去除蛋白聚糖和胶原纤维。对纤维进行氨基酸分析证实了蛋白聚糖提取后胶原的纯度。以四种不同方式对软骨进行扫描:(1) 垂直于关节表面;(2) 在表层切片中;(3) 在通过插入销钉形成的平行于人工劈裂面的平面上断裂的块体表面;(4) 在穿过钙化软骨和软骨下骨的断裂面上。特别注意到胶原纤维组织的五个特征:(1) 小梁内的单个纤维连接形成小纤维束,这些小纤维束在钙化/非钙化界面处聚集成更大的束。(2) 深部和中部区域的纤维呈现出胶原特有的表面周期性,通常以大约55微米宽的大束朝向关节表面排列。(3) 在表层区域,纤维平行于表面排列。(4) 表面纤维具有随机取向,即使在标本制备过程中软骨细胞腾出的空陷窝底部也是如此。(5) 陷窝壁的胶原纤维似乎比陷窝之间的更细且排列更紧密。经常观察到与陷窝壁相关的细胶原纤维穿过大的陷窝空间,导致形成两个或更多个隔室,每个隔室在活软骨中可能都填充有一个软骨细胞。

https://cdn.ncbi.nlm.nih.gov/pmc/blobs/0a7e/1234543/d64565155001/janat00366-0162-a.jpg

相似文献

9
Ultrastructure of adult human articular cartilage matrix after cryotechnical processing.
Microsc Res Tech. 1997 May 15;37(4):271-84. doi: 10.1002/(SICI)1097-0029(19970515)37:4<271::AID-JEMT3>3.0.CO;2-O.

引用本文的文献

2
Hypotrochoidal scaffolds for cartilage regeneration.
Mater Today Bio. 2023 Oct 14;23:100830. doi: 10.1016/j.mtbio.2023.100830. eCollection 2023 Dec.
4
Future Directions in Patellofemoral Imaging and 3D Modeling.
Curr Rev Musculoskelet Med. 2022 Apr;15(2):82-89. doi: 10.1007/s12178-022-09746-7. Epub 2022 Apr 26.
5
Human articular cartilage is orthotropic where microstructure, micromechanics, and chemistry vary with depth and split-line orientation.
Osteoarthritis Cartilage. 2020 Oct;28(10):1362-1372. doi: 10.1016/j.joca.2020.06.007. Epub 2020 Jul 6.
6
Biomaterials to Mimic and Heal Connective Tissues.
Adv Mater. 2019 May;31(19):e1806695. doi: 10.1002/adma.201806695. Epub 2019 Mar 25.
7
Subwavelength hyperspectral THz studies of articular cartilage.
Sci Rep. 2018 May 2;8(1):6924. doi: 10.1038/s41598-018-25057-9.
8
Physiology and Engineering of the Graded Interfaces of Musculoskeletal Junctions.
Annu Rev Biomed Eng. 2018 Jun 4;20:403-429. doi: 10.1146/annurev-bioeng-062117-121113. Epub 2018 Apr 11.
9
Hip chondrolabral mechanics during activities of daily living: Role of the labrum and interstitial fluid pressurization.
J Biomech. 2018 Mar 1;69:113-120. doi: 10.1016/j.jbiomech.2018.01.001. Epub 2018 Jan 16.
10
Effect of frequency on crack growth in articular cartilage.
J Mech Behav Biomed Mater. 2018 Jan;77:40-46. doi: 10.1016/j.jmbbm.2017.08.036. Epub 2017 Sep 1.

本文引用的文献

2
The vascular contribution to osteogenesis. II. Studies with the electron microscope.
J Bone Joint Surg Br. 1960 May;42-B:367-76. doi: 10.1302/0301-620X.42B2.367.
3
A note upon tensile stresses in the collagen fibers of articular cartilage.
Med Electron Biol Eng. 1965 Oct;3(4):447-8. doi: 10.1007/BF02476145.
4
The significance of the fine structure of articular cartilage.
J Bone Joint Surg Br. 1968 Nov;50(4):852-7.
5
An ultrastructural study of normal young adult human articular cartilage.
J Bone Joint Surg Am. 1968 Jun;50(4):663-74. doi: 10.2106/00004623-196850040-00002.
10
Scanning electron microscopy of superficial defects in articular cartilage.
Ann Rheum Dis. 1974 Jul;33(4):327-32. doi: 10.1136/ard.33.4.327.

文献AI研究员

20分钟写一篇综述,助力文献阅读效率提升50倍。

立即体验

用中文搜PubMed

大模型驱动的PubMed中文搜索引擎

马上搜索

文档翻译

学术文献翻译模型,支持多种主流文档格式。

立即体验