20分钟写一篇综述,助力文献阅读效率提升50倍。
大模型驱动的PubMed中文搜索引擎
学术文献翻译模型,支持多种主流文档格式。
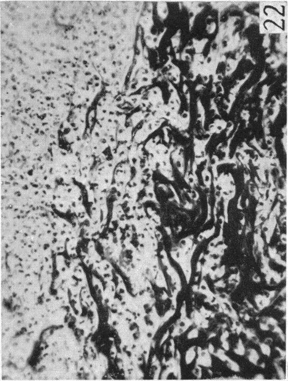
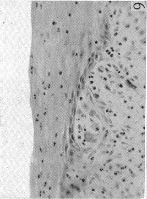
Gibson T, Medawar P B
Mr Clark's Surgical Unit, Glasgow Royal Infirmary.
J Anat. 1943 Jul;77(Pt 4):299-310.4.