• 文献检索
  • 文档翻译
  • 深度研究
  • 学术资讯
  • Suppr Zotero 插件Zotero 插件
  • 邀请有礼
  • 套餐&价格
  • 历史记录
应用&插件
Suppr Zotero 插件Zotero 插件浏览器插件Mac 客户端Windows 客户端微信小程序
定价
高级版会员购买积分包购买API积分包
服务
文献检索文档翻译深度研究API 文档MCP 服务
关于我们
关于 Suppr公司介绍联系我们用户协议隐私条款
关注我们

Suppr 超能文献

核心技术专利:CN118964589B侵权必究
粤ICP备2023148730 号-1Suppr @ 2026

文献检索

告别复杂PubMed语法,用中文像聊天一样搜索,搜遍4000万医学文献。AI智能推荐,让科研检索更轻松。

立即免费搜索

文件翻译

保留排版,准确专业,支持PDF/Word/PPT等文件格式,支持 12+语言互译。

免费翻译文档

深度研究

AI帮你快速写综述,25分钟生成高质量综述,智能提取关键信息,辅助科研写作。

立即免费体验

缝隙连接与晶状体中相互嵌合的球窝结构选择性相关,而与突起无关。

Gap junctions are selectively associated with interlocking ball-and-sockets but not protrusions in the lens.

作者信息

Biswas Sondip K, Lee Jai Eun, Brako Lawrence, Jiang Jean X, Lo Woo-Kuen

机构信息

Department of Neurobiology, Morehouse School of Medicine, Atlanta, GA 30310, USA.

出版信息

Mol Vis. 2010 Nov 9;16:2328-41.

PMID:21139982
原文链接:https://pmc.ncbi.nlm.nih.gov/articles/PMC2994765/
Abstract

PURPOSE

Ball-and-sockets and protrusions are specialized interlocking membrane domains between lens fibers of all species studied. Ball-and-sockets and protrusions are similar in their shape, size, and surface morphology, and are traditionally believed to play a key role in maintaining fiber-to-fiber stability. Here, we evaluate the hypothesis that ball-and-sockets and protrusions possess important structural and functional differences during fiber cell differentiation and maturation.

METHODS

Intact lenses of leghorn chickens (E7 days to P62 weeks old) and rhesus monkeys (1.5-20 years old) were studied with SEM, freeze-fracture TEM, freeze-fracture immunogold labeling (FRIL), and filipin cytochemistry for membrane cholesterol detection.

RESULTS

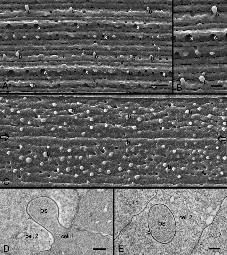
SEM showed that ball-and-sockets were distributed along the long and short sides of hexagonal fiber cells, whereas protrusions were located along the cell corners, from superficial to deep cortical regions in both chicken and monkey lenses. Importantly, by freeze-fracture TEM, we discovered the selective association of gap junctions with all ball-and-sockets examined, but not with protrusions, in both species. In the embryonic chicken lens (E18), the abundant distribution of ball-and-socket gap junctions was regularly found in an approximate zone extending at least 300 μm deep from the equatorial surface of the superficial cortical fibers. Many ball-and-socket gap junctions often protruded deeply into neighboring cells. However, in the mature fibers of monkey lenses, several ball-and-sockets exhibited only partial occupancy of gap junctions with disorganized connexons, possibly due to degradation of gap junctions during fiber maturation and aging. FRIL analysis confirmed that both connexin46 (Cx46) and connexin50 (Cx50) antibodies specifically labeled ball-and-socket gap junctions, but not protrusions. Furthermore, filipin cytochemistry revealed that the ball-and-socket gap junctions contained different amounts of cholesterol (i.e., cholesterol-rich versus cholesterol-free) as seen with the filipin-cholesterol-complexes (FCC) in different cortical regions during maturation. In contrast, the protrusions contained consistently high cholesterol amounts (i.e., 402 FCCs/μm2 membrane) which were approximately two times greater than that of the cholesterol-rich gap junctions (i.e., 188 FCCs/μm2 membrane) found in ball-and-sockets.

CONCLUSIONS

Gap junctions are regularly associated with all ball-and-sockets examined in metabolically active young cortical fibers, but not with protrusions, in both chicken and monkey lenses. Since these unique gap junctions often protrude deeply into neighboring cells to increase membrane surface areas, they may significantly facilitate cell-to-cell communication between young cortical fiber cells. In particular, the large number of ball-and-socket gap junctions found near the equatorial region may effectively facilitate the flow of outward current toward the equatorial surface for internal circulation of ions in the lens. In contrast, a consistent distribution of high concentrations of cholesterol in protrusions would make the protrusion membrane less deformable and would be more suitable for maintaining fiber-to-fiber stability during visual accommodation. Thus, the ball-and-sockets and protrusions are two structurally and functionally distinct membrane domains in the lens.

摘要

目的

球窝和突起是所有已研究物种的晶状体纤维之间特化的互锁膜结构域。球窝和突起在形状、大小和表面形态上相似,传统上认为它们在维持纤维间稳定性方面起关键作用。在此,我们评估这样一种假说,即球窝和突起在纤维细胞分化和成熟过程中具有重要的结构和功能差异。

方法

使用扫描电子显微镜(SEM)、冷冻断裂透射电子显微镜(freeze - fracture TEM)、冷冻断裂免疫金标记(FRIL)以及用于膜胆固醇检测的制霉菌素细胞化学方法,对来亨鸡(胚胎期7天至出生后62周龄)和恒河猴(1.5 - 20岁)的完整晶状体进行研究。

结果

SEM显示,球窝沿六边形纤维细胞的长边和短边分布,而突起位于细胞角,在鸡和猴的晶状体中从浅皮质区域到深皮质区域均有。重要的是,通过冷冻断裂TEM,我们发现在这两个物种中,缝隙连接与所有检测的球窝选择性相关,但与突起无关。在胚胎期鸡的晶状体(E18)中,在从浅皮质纤维赤道表面至少深入300μm的大致区域内,经常能发现丰富分布的球窝缝隙连接。许多球窝缝隙连接常常深深突入相邻细胞。然而,在猴晶状体的成熟纤维中,一些球窝仅显示缝隙连接的部分占据且连接子排列紊乱,这可能是由于缝隙连接在纤维成熟和老化过程中发生了降解。FRIL分析证实,连接蛋白46(Cx46)和连接蛋白50(Cx50)抗体特异性标记球窝缝隙连接,而不标记突起。此外,制霉菌素细胞化学显示,随着晶状体成熟,在不同皮质区域,球窝缝隙连接含有不同量的胆固醇(即富含胆固醇与不含胆固醇),这可通过制霉菌素 - 胆固醇复合物(FCC)观察到。相比之下,突起含有始终较高的胆固醇量(即402个FCCs/μm²膜),约为球窝中富含胆固醇的缝隙连接(即188个FCCs/μm²膜)的两倍。

结论

在鸡和猴的晶状体中,缝隙连接与代谢活跃的年轻皮质纤维中所有检测的球窝有规律地相关,但与突起无关。由于这些独特的缝隙连接常常深深突入相邻细胞以增加膜表面积,它们可能显著促进年轻皮质纤维细胞之间的细胞间通讯。特别是,在赤道区域附近发现的大量球窝缝隙连接可能有效地促进外向电流流向赤道表面,以实现晶状体中离子的内部循环。相反,突起中高浓度胆固醇的一致分布会使突起膜的可变形性降低,更适合在视觉调节过程中维持纤维间稳定性。因此,球窝和突起是晶状体中两个结构和功能不同的膜结构域。

https://cdn.ncbi.nlm.nih.gov/pmc/blobs/efb6/2994765/7956ee50d290/mv-v16-2328-f9.jpg
https://cdn.ncbi.nlm.nih.gov/pmc/blobs/efb6/2994765/59664edb6055/mv-v16-2328-f1.jpg
https://cdn.ncbi.nlm.nih.gov/pmc/blobs/efb6/2994765/2e5e0e8b1bdb/mv-v16-2328-f2.jpg
https://cdn.ncbi.nlm.nih.gov/pmc/blobs/efb6/2994765/8c22cbc0e54d/mv-v16-2328-f3.jpg
https://cdn.ncbi.nlm.nih.gov/pmc/blobs/efb6/2994765/8d920088512c/mv-v16-2328-f4.jpg
https://cdn.ncbi.nlm.nih.gov/pmc/blobs/efb6/2994765/7e1bf9c2a223/mv-v16-2328-f5.jpg
https://cdn.ncbi.nlm.nih.gov/pmc/blobs/efb6/2994765/1955ddd07a7d/mv-v16-2328-f6.jpg
https://cdn.ncbi.nlm.nih.gov/pmc/blobs/efb6/2994765/1e39f15c09de/mv-v16-2328-f7.jpg
https://cdn.ncbi.nlm.nih.gov/pmc/blobs/efb6/2994765/615c07d6f3d9/mv-v16-2328-f8.jpg
https://cdn.ncbi.nlm.nih.gov/pmc/blobs/efb6/2994765/7956ee50d290/mv-v16-2328-f9.jpg
https://cdn.ncbi.nlm.nih.gov/pmc/blobs/efb6/2994765/59664edb6055/mv-v16-2328-f1.jpg
https://cdn.ncbi.nlm.nih.gov/pmc/blobs/efb6/2994765/2e5e0e8b1bdb/mv-v16-2328-f2.jpg
https://cdn.ncbi.nlm.nih.gov/pmc/blobs/efb6/2994765/8c22cbc0e54d/mv-v16-2328-f3.jpg
https://cdn.ncbi.nlm.nih.gov/pmc/blobs/efb6/2994765/8d920088512c/mv-v16-2328-f4.jpg
https://cdn.ncbi.nlm.nih.gov/pmc/blobs/efb6/2994765/7e1bf9c2a223/mv-v16-2328-f5.jpg
https://cdn.ncbi.nlm.nih.gov/pmc/blobs/efb6/2994765/1955ddd07a7d/mv-v16-2328-f6.jpg
https://cdn.ncbi.nlm.nih.gov/pmc/blobs/efb6/2994765/1e39f15c09de/mv-v16-2328-f7.jpg
https://cdn.ncbi.nlm.nih.gov/pmc/blobs/efb6/2994765/615c07d6f3d9/mv-v16-2328-f8.jpg
https://cdn.ncbi.nlm.nih.gov/pmc/blobs/efb6/2994765/7956ee50d290/mv-v16-2328-f9.jpg

相似文献

1
Gap junctions are selectively associated with interlocking ball-and-sockets but not protrusions in the lens.缝隙连接与晶状体中相互嵌合的球窝结构选择性相关,而与突起无关。
Mol Vis. 2010 Nov 9;16:2328-41.
2
Gap junction remodeling associated with cholesterol redistribution during fiber cell maturation in the adult chicken lens.成年鸡晶状体纤维细胞成熟过程中与胆固醇重新分布相关的缝隙连接重塑
Mol Vis. 2009 Aug 4;15:1492-508.
3
Gap junctions contain different amounts of cholesterol which undergo unique sequestering processes during fiber cell differentiation in the embryonic chicken lens.缝隙连接含有不同量的胆固醇,在胚胎鸡晶状体纤维细胞分化过程中,这些胆固醇会经历独特的隔离过程。
Mol Vis. 2007 Mar 9;13:345-59.
4
Breakdown of interlocking domains may contribute to formation of membranous globules and lens opacity in ephrin-A5(-/-) mice.在ephrin - A5基因敲除小鼠中,连锁结构域的破坏可能导致膜性小球的形成和晶状体混浊。
Exp Eye Res. 2016 Apr;145:130-139. doi: 10.1016/j.exer.2015.11.017. Epub 2015 Nov 28.
5
Regulation of lens cell-to-cell communication by activation of PKCgamma and disassembly of Cx50 channels.通过蛋白激酶Cγ激活和Cx50通道解聚来调节晶状体细胞间通讯
Invest Ophthalmol Vis Sci. 2005 Sep;46(9):3247-55. doi: 10.1167/iovs.04-1504.
6
Gap junction structures and distribution patterns of immunoreactive connexins 46 and 50 in lens regrowths of Rhesus monkeys.恒河猴晶状体再生中缝隙连接结构及免疫反应性连接蛋白46和50的分布模式
Exp Eye Res. 1996 Feb;62(2):171-80. doi: 10.1006/exer.1996.0021.
7
Knock-in of Cx46 partially rescues fiber defects in lenses lacking Cx50.Cx46的敲入部分挽救了缺乏Cx50的晶状体中的纤维缺陷。
Mol Vis. 2017 Mar 24;23:160-170. eCollection 2017.
8
Connexin 50 Regulates Surface Ball-and-Socket Structures and Fiber Cell Organization.连接蛋白50调节表面球窝结构和纤维细胞组织。
Invest Ophthalmol Vis Sci. 2016 Jun 1;57(7):3039-46. doi: 10.1167/iovs.16-19521.
9
The surface morphology of embryonic and adult chick lens-fiber cells.胚胎期和成年期鸡晶状体纤维细胞的表面形态
Am J Anat. 1980 Dec;159(4):395-410. doi: 10.1002/aja.1001590406.
10
An ultrastructural analysis of the epithelial-fiber interface (EFI) in primate lenses.灵长类动物晶状体上皮-纤维界面(EFI)的超微结构分析。
Exp Eye Res. 1995 Nov;61(5):579-97. doi: 10.1016/s0014-4835(05)80052-1.

引用本文的文献

1
Tissue, cellular, and molecular level determinants for eye lens stiffness and elasticity.晶状体硬度和弹性的组织、细胞及分子水平决定因素。
Front Ophthalmol (Lausanne). 2024 Aug 8;4:1456474. doi: 10.3389/fopht.2024.1456474. eCollection 2024.
2
Self-formation of concentric zones of telencephalic and ocular tissues and directional retinal ganglion cell axons.脑和眼部组织的同心区的自我形成和定向视网膜神经节细胞轴突。
Elife. 2023 Sep 4;12:RP87306. doi: 10.7554/eLife.87306.
3
Spatially Resolved Proteomics Reveals Lens Suture-Related Cell-Cell Junctional Protein Distributions.空间分辨蛋白质组学揭示晶状体缝合线相关细胞-细胞连接蛋白的分布。
Invest Ophthalmol Vis Sci. 2023 Aug 1;64(11):28. doi: 10.1167/iovs.64.11.28.
4
Preparation and Immunofluorescence Staining of Bundles and Single Fiber Cells from the Cortex and Nucleus of the Eye Lens.从眼晶状体皮质和核中制备束状和单细胞纤维并进行免疫荧光染色。
J Vis Exp. 2023 Jun 9(196). doi: 10.3791/65638.
5
Self-formation of concentric zones of telencephalic and ocular tissues and directional retinal ganglion cell axons.端脑和眼组织同心区的自我形成以及视网膜神经节细胞轴突的定向
bioRxiv. 2023 Jun 20:2023.03.22.533827. doi: 10.1101/2023.03.22.533827.
6
Patch clamp studies on TRPV4-dependent hemichannel activation in lens epithelium.关于晶状体上皮细胞中TRPV4依赖性半通道激活的膜片钳研究。
Front Pharmacol. 2023 Feb 24;14:1101498. doi: 10.3389/fphar.2023.1101498. eCollection 2023.
7
Charged multivesicular body protein 4b forms complexes with gap junction proteins during lens fiber cell differentiation.带电荷的多泡体蛋白 4b 在晶状体纤维细胞分化过程中与间隙连接蛋白形成复合物。
FASEB J. 2023 Apr;37(4):e22801. doi: 10.1096/fj.202201368RR.
8
Quantification of Age-Related Changes in the Lateral Organization of the Lipid Portion of the Intact Membranes Isolated from the Left and Right Eye Lenses of the Same Human Donor.对从同一人类供体的左右眼晶状体分离出的完整膜脂质部分横向组织中与年龄相关变化的量化。
Membranes (Basel). 2023 Feb 3;13(2):189. doi: 10.3390/membranes13020189.
9
Pre-hyperglycemia immune cell trafficking underlies subclinical diabetic cataractogenesis.高血糖前免疫细胞迁移是亚临床糖尿病性白内障发生的基础。
J Biomed Sci. 2023 Jan 24;30(1):6. doi: 10.1186/s12929-023-00895-6.
10
Arvcf Dependent Adherens Junction Stability is Required to Prevent Age-Related Cortical Cataracts.维持与肌动蛋白丝交联蛋白相关的黏附连接稳定性对于预防年龄相关性皮质性白内障是必需的。
Front Cell Dev Biol. 2022 Jul 6;10:840129. doi: 10.3389/fcell.2022.840129. eCollection 2022.

本文引用的文献

1
Lens gap junctions in growth, differentiation, and homeostasis.晶状体间隙连接在生长、分化和动态平衡中的作用。
Physiol Rev. 2010 Jan;90(1):179-206. doi: 10.1152/physrev.00034.2009.
2
Gap junction remodeling associated with cholesterol redistribution during fiber cell maturation in the adult chicken lens.成年鸡晶状体纤维细胞成熟过程中与胆固醇重新分布相关的缝隙连接重塑
Mol Vis. 2009 Aug 4;15:1492-508.
3
Loss of ephrin-A5 function disrupts lens fiber cell packing and leads to cataract.Ephrin-A5功能丧失会破坏晶状体纤维细胞的排列并导致白内障。
Proc Natl Acad Sci U S A. 2008 Oct 28;105(43):16620-5. doi: 10.1073/pnas.0808987105. Epub 2008 Oct 23.
4
Differential requirement for beta-catenin in epithelial and fiber cells during lens development.晶状体发育过程中上皮细胞和纤维细胞对β-连环蛋白的不同需求。
Dev Biol. 2008 Sep 15;321(2):420-33. doi: 10.1016/j.ydbio.2008.07.002. Epub 2008 Jul 9.
5
The lens circulation.晶状体循环。
J Membr Biol. 2007 Mar;216(1):1-16. doi: 10.1007/s00232-007-9019-y. Epub 2007 Jun 14.
6
Gap junctions contain different amounts of cholesterol which undergo unique sequestering processes during fiber cell differentiation in the embryonic chicken lens.缝隙连接含有不同量的胆固醇,在胚胎鸡晶状体纤维细胞分化过程中,这些胆固醇会经历独特的隔离过程。
Mol Vis. 2007 Mar 9;13:345-59.
7
Connections between connexins, calcium, and cataracts in the lens.晶状体中连接蛋白、钙与白内障之间的联系。
J Gen Physiol. 2004 Oct;124(4):289-300. doi: 10.1085/jgp.200409121.
8
A novel cell-cell junction system: the cortex adhaerens mosaic of lens fiber cells.一种新型的细胞间连接系统:晶状体纤维细胞的皮质粘连镶嵌结构。
J Cell Sci. 2003 Dec 15;116(Pt 24):4985-95. doi: 10.1242/jcs.00815.
9
THE ELECTRON MICROSCOPY OF THE NORMAL HUMAN LENS.正常人晶状体的电子显微镜检查
Invest Ophthalmol. 1965 Aug;4:433-46.
10
Association of clathrin, AP-2 adaptor and actin cytoskeleton with developing interlocking membrane domains of lens fibre cells.网格蛋白、AP-2衔接蛋白和肌动蛋白细胞骨架与晶状体纤维细胞发育中的连锁膜结构域的关联。
Exp Eye Res. 2003 Oct;77(4):423-32. doi: 10.1016/s0014-4835(03)00171-4.