Suppr超能文献

用于放疗临床实施深吸气屏气技术的基于激光的呼吸门控系统的设计与构建

Design and Construction of A Laser-Based Respiratory Gating System For Implementation of Deep Inspiration Breathe Hold Technique in Radiotherapy Clinics.

作者信息

Farzaneh Mohammad Javad Keikhai, Nasseri Shahrokh, Momennezhad Mehdi, Salek Roham

机构信息

Department of Medical Physics, Faculty of Medicine, Imam Reza Hospital, Mashhad University of Medical Sciences, Mashhad, Iran.

Medical Physics Research Center, Imam Reza Hospital, Mashhad University of Medical Sciences, Mashhad, Iran.

出版信息

J Med Signals Sens. 2018 Oct-Dec;8(4):253-262. doi: 10.4103/jmss.JMSS_35_18.

Abstract

BACKGROUND

Deep inspiration breath-hold (DIBH) is known as a radiotherapy method for the treatment of patients with left-sided breast cancer. In this method, patient is under exposure only while he/she is at the end of a deep inspiration cycle and holds his/her breath. In this situation, the volume of the lung tissue is enhanced and the heart tissue is pushed away from the treating breast. Therefore, heart dose of these patients, using DIBH, experiences a considerable decline compared to free breathing treatment. There are a few commercialized systems for implementation of DIBH in invasive or noninvasive manners.

METHODS

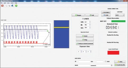
We present a novel constructed noninvasive DIBH device relied on a manufacturing near-field laser distance meter. This in-house constructed system is composed of a CD22-100AM122 laser sensor combined with a data acquisition system for monitoring the breathing curve. Qt Creator (a cross-platform JavaScript, QML, and C++-integrated development environment that is part of the SDK for development of the Qt Graphical User Interface application framework) and Keil MDK-ARM (a programming software where users can write in C and C++ and assemble for ARM-based microcontrollers) are used for composing computer and microcontroller programs, respectively.

RESULTS

This system could be mounted in treatment or computed tomography (CT) room at suitable cost; it is also easy to use and needs a little training for personnel and patients. The system can assess the location of chest wall or abdomen in real time with high precision and frequency. The performance of CD22-100AM122 demonstrates promise for respiratory monitoring for its fast sampling rate as well as high precision. It can also deliver reasonable spatial and temporal accuracy. The patient observes his/her breathing waveform through a 7" 1024 × 600 liquid crystal display and gets some instructions during treatment and CT sessions by an exploited algorithm called "interaction scenario" in this study. The system is also noninvasive and well sustainable for patients.

CONCLUSIONS

The constructed system has true real-time operation and is rapid enough for delivering clear contiguous monitoring. In addition, in this system, we have provided an interaction scenario option between patient and CT or Linac operator. In addition, the constructed system has the capability of sending triggers for turning on and off CT or Linac facilities. In this concern, the system has the superiority of combining a plenty of characteristics.

摘要

背景

深吸气屏气(DIBH)是一种用于治疗左侧乳腺癌患者的放射治疗方法。在这种方法中,患者仅在深吸气周期结束并屏气时处于照射状态。在这种情况下,肺组织体积增大,心脏组织被推离治疗侧乳房。因此,与自由呼吸治疗相比,采用DIBH的这些患者的心脏剂量显著下降。有一些以侵入性或非侵入性方式实施DIBH的商业化系统。

方法

我们展示了一种基于自制近场激光测距仪构建的新型非侵入性DIBH设备。这个自制系统由一个CD22 - 100AM122激光传感器与一个用于监测呼吸曲线的数据采集系统组成。Qt Creator(一个跨平台的JavaScript、QML和C++集成开发环境,是用于开发Qt图形用户界面应用框架的SDK的一部分)和Keil MDK - ARM(一种编程软件,用户可以用C和C++编写代码并为基于ARM的微控制器进行汇编)分别用于编写计算机程序和微控制器程序。

结果

该系统可以以合适的成本安装在治疗室或计算机断层扫描(CT)室;它也易于使用,对工作人员和患者只需少量培训。该系统能够以高精度和高频率实时评估胸壁或腹部的位置。CD22 - 100AM122的性能因其快速采样率和高精度而在呼吸监测方面展现出前景。它还能提供合理的空间和时间精度。患者通过一个7英寸1024×600的液晶显示器观察自己的呼吸波形,并在治疗和CT扫描过程中通过本研究中开发的一种名为“交互场景”的算法获得一些指示。该系统对患者也是非侵入性的且可持续性良好。

结论

构建的系统具有真正的实时操作能力,并且速度足够快,能够进行清晰连续的监测。此外,在这个系统中,我们提供了患者与CT或直线加速器操作员之间的交互场景选项。此外,构建的系统具有发送触发信号以开启和关闭CT或直线加速器设备的能力。在这方面,该系统具有结合多种特性的优势。

https://cdn.ncbi.nlm.nih.gov/pmc/blobs/7b7f/6293641/32f47cc7365f/JMSS-8-253-g001.jpg

文献AI研究员

20分钟写一篇综述,助力文献阅读效率提升50倍。

立即体验

用中文搜PubMed

大模型驱动的PubMed中文搜索引擎

马上搜索

文档翻译

学术文献翻译模型,支持多种主流文档格式。

立即体验