Suppr超能文献

基于高精度相对位置和姿态模型的磁悬浮隔振系统跟踪控制

Tracking Control of a Maglev Vibration Isolation System Based on a High-Precision Relative Position and Attitude Model.

作者信息

Wu Qianqian, Liu Bilong, Cui Ning, Zhao Sifang

机构信息

School of Mechanical and Automotive Engineering, Qingdao University of Technology, Qingdao 266520, China.

College of Aerospace and Civil Engineering, Harbin Engineering University, Harbin 150001, China.

出版信息

Sensors (Basel). 2019 Aug 1;19(15):3375. doi: 10.3390/s19153375.

Abstract

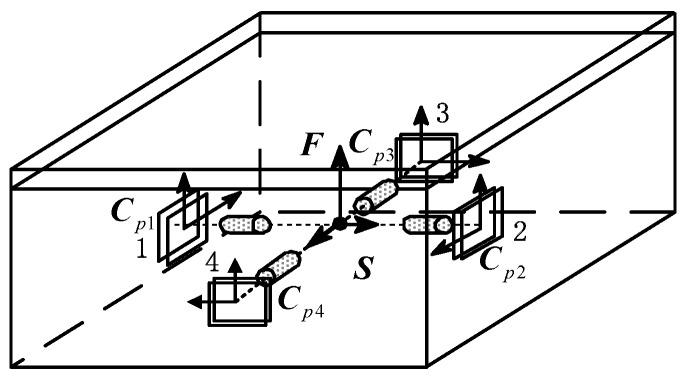
The maglev vibration isolation system exhibits excellent micro-vibration isolation performance (0.01 Hz to 100 Hz band) in the space environment. However, a collision between the base and the floating platform may occur in an ultra-low frequency range (≤0.01 Hz). To avoid collision, the relative position and attitude between the base and the floating platform needs to be accurately tracked and controlled. In this study, a novel measurement method with four groups of two-dimensional position-sensitive detectors equipped with four laser light sources was proposed. A high-precision relative position and attitude measurement model was established based on the geometric relationship of space coordinates. A proportional-differential (PD) fixed-point control algorithm was adopted to realize tracking control. The control performance of the system was evaluated through simulation. Experiments were also carried out to verify the stability of the system and the precision of the control algorithm. A maglev vibration isolation system prototype was constructed and a test system was established. The proposed relative position and attitude measurement model was verified and the six degrees of freedom relative position and attitude response of the system was tested. Based on the measurement model, the tracking control of the system was proven to have high precision.

摘要

磁悬浮隔振系统在空间环境中表现出优异的微振动隔离性能(0.01 Hz至100 Hz频段)。然而,在超低频范围(≤0.01 Hz)内,基座与浮动平台之间可能会发生碰撞。为避免碰撞,需要精确跟踪和控制基座与浮动平台之间的相对位置和姿态。在本研究中,提出了一种采用四组配备四个激光光源的二维位置敏感探测器的新型测量方法。基于空间坐标的几何关系建立了高精度相对位置和姿态测量模型。采用比例微分(PD)定点控制算法实现跟踪控制。通过仿真评估了系统的控制性能。还进行了实验以验证系统的稳定性和控制算法的精度。构建了磁悬浮隔振系统原型并建立了测试系统。验证了所提出的相对位置和姿态测量模型,并测试了系统的六自由度相对位置和姿态响应。基于测量模型,证明系统的跟踪控制具有高精度。

https://cdn.ncbi.nlm.nih.gov/pmc/blobs/51bf/6696066/61048ff3bfe2/sensors-19-03375-g001.jpg

文献检索

告别复杂PubMed语法,用中文像聊天一样搜索,搜遍4000万医学文献。AI智能推荐,让科研检索更轻松。

立即免费搜索

文件翻译

保留排版,准确专业,支持PDF/Word/PPT等文件格式,支持 12+语言互译。

免费翻译文档

深度研究

AI帮你快速写综述,25分钟生成高质量综述,智能提取关键信息,辅助科研写作。

立即免费体验