Suppr超能文献

负载瑞舒伐他汀-鞣花酸纳米传递体原位凝胶的制备及优化以增强抗增殖活性

Preparation and Optimization of In Situ Gel Loaded with Rosuvastatin-Ellagic Acid Nanotransfersomes to Enhance the Anti-Proliferative Activity.

作者信息

Hosny Khaled M, Rizg Waleed Y, Khallaf Rasha A

机构信息

Department of Pharmaceutics, Faculty of Pharmacy, King Abdulaziz University, Jeddah 21589, Saudi Arabia.

Department of Pharmaceutics and Industrial Pharmacy, Faculty of Pharmacy, Beni-Suef University, Beni-Suef 62511, Egypt.

出版信息

Pharmaceutics. 2020 Mar 13;12(3):263. doi: 10.3390/pharmaceutics12030263.

Abstract

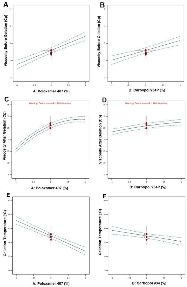
The objective of this study was to develop an optimized sustained-release nanotransfersomes (NTS) based in situ gel formulation of rosuvastatin (RO) combined with ellagic acid (EA) antioxidant, to enhance cytotoxic and anti-proliferative activity against tongue carcinoma. The concentrations of lecithin, Tween 80, and d-tocopherol polyethylene glycol succinate (TPGS) were considered as independent variables. Particle size, entrapment, and stability were selected as dependent variables. The obtained formulation containing 25% lecithin, 20% Tween 80, and TPGS 15% fulfilled the prerequisites of the optimum formulation. RO-NTS loaded in situ gel was prepared and optimized for concentrations of Poloxamer 407, and Carbopol, using statistical design. Drug release from in situ gel showed a sustained release profile. The RO IC50 was decreased by half for the in situ gel in comparison to plain RO and RO-EA-NTS. A significant amount of caspase-3 was detected in all the formulation treatments. The studies indicated that EA's synergistic anti-oxidant effect owing to a high affinity to the PGP efflux transporter and higher penetration in the RO-NTS formulation led to a higher inhibition against human chondrosarcome-3 cancer cell lines. RO-EA NTS-loaded in situ gel had a sustained release that could be significant in localized therapy as an alternative to surgery in the treatment of aggressive tongue carcinoma.

摘要

本研究的目的是开发一种优化的基于纳米传递体(NTS)的瑞舒伐他汀(RO)原位凝胶制剂,并结合鞣花酸(EA)抗氧化剂,以增强对舌癌的细胞毒性和抗增殖活性。将卵磷脂、吐温80和聚乙二醇琥珀酸维生素E(TPGS)的浓度视为自变量。选择粒径、包封率和稳定性作为因变量。所获得的含有25%卵磷脂、20%吐温80和15%TPGS的制剂满足了最佳制剂的要求。使用统计设计制备并优化了负载于原位凝胶中的RO-NTS,以确定泊洛沙姆407和卡波姆的浓度。原位凝胶的药物释放呈现出缓释特性。与普通RO和RO-EA-NTS相比,原位凝胶的RO IC50降低了一半。在所有制剂处理中均检测到大量的半胱天冬酶-3。研究表明,EA由于对PGP外排转运体具有高亲和力且在RO-NTS制剂中具有更高的渗透性,其协同抗氧化作用导致对人软骨肉瘤-3癌细胞系具有更高抑制作用。负载RO-EA NTS的原位凝胶具有缓释特性,在侵袭性舌癌的局部治疗中作为手术替代方案可能具有重要意义。

https://cdn.ncbi.nlm.nih.gov/pmc/blobs/6da0/7151021/7436df77f3ec/pharmaceutics-12-00263-g001.jpg

文献检索

告别复杂PubMed语法,用中文像聊天一样搜索,搜遍4000万医学文献。AI智能推荐,让科研检索更轻松。

立即免费搜索

文件翻译

保留排版,准确专业,支持PDF/Word/PPT等文件格式,支持 12+语言互译。

免费翻译文档

深度研究

AI帮你快速写综述,25分钟生成高质量综述,智能提取关键信息,辅助科研写作。

立即免费体验