• 文献检索
  • 文档翻译
  • 深度研究
  • 学术资讯
  • Suppr Zotero 插件Zotero 插件
  • 邀请有礼
  • 套餐&价格
  • 历史记录
应用&插件
Suppr Zotero 插件Zotero 插件浏览器插件Mac 客户端Windows 客户端微信小程序
定价
高级版会员购买积分包购买API积分包
服务
文献检索文档翻译深度研究API 文档MCP 服务
关于我们
关于 Suppr公司介绍联系我们用户协议隐私条款
关注我们

Suppr 超能文献

核心技术专利:CN118964589B侵权必究
粤ICP备2023148730 号-1Suppr @ 2026

文献检索

告别复杂PubMed语法,用中文像聊天一样搜索,搜遍4000万医学文献。AI智能推荐,让科研检索更轻松。

立即免费搜索

文件翻译

保留排版,准确专业,支持PDF/Word/PPT等文件格式,支持 12+语言互译。

免费翻译文档

深度研究

AI帮你快速写综述,25分钟生成高质量综述,智能提取关键信息,辅助科研写作。

立即免费体验

化学改性木质素增强聚乳酸生物复合材料的制备及其3D打印性能

Preparation of Chemically Modified Lignin-Reinforced PLA Biocomposites and Their 3D Printing Performance.

作者信息

Hong Seo-Hwa, Park Jin Hwan, Kim Oh Young, Hwang Seok-Ho

机构信息

Materials Chemistry & Engineering Laboratory, School of Polymer System Engineering, Dankook University, Yongin, Gyeonggi-do 16890, Korea.

出版信息

Polymers (Basel). 2021 Feb 23;13(4):667. doi: 10.3390/polym13040667.

DOI:10.3390/polym13040667
PMID:33672347
原文链接:https://pmc.ncbi.nlm.nih.gov/articles/PMC7926467/
Abstract

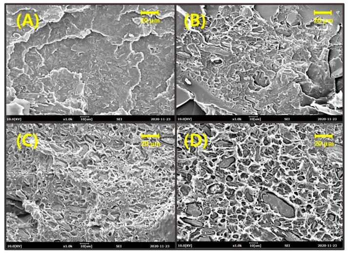
Using a simple esterification reaction of a hydroxyl group with an anhydride group, pristine lignin was successfully converted to a new lignin (COOH-lignin) modified with a terminal carboxyl group. This chemical modification of pristine lignin was confirmed by the appearance of new absorption bands in the FT-IR spectrum. Then, the pristine lignin and COOH-lignin were successfully incorporated into a poly(lactic acid) (PLA) matrix by a typical melt-mixing process. When applied to the COOH-lignin, interfacial adhesion performance between the lignin filler and PLA matrix was better and stronger than pristine lignin. Based on these results for the COOH-lignin/PLA biocomposites, the cost of printing PLA 3D filaments can be reduced without changing their thermal and mechanical properties. Furthermore, the potential of lignin as a component in PLA biocomposites adequate for 3D printing was demonstrated.

摘要

通过羟基与酸酐基团的简单酯化反应,原始木质素成功转化为一种末端带有羧基的新型木质素(COOH-木质素)。FT-IR光谱中出现的新吸收带证实了原始木质素的这种化学改性。然后,通过典型的熔融共混工艺,原始木质素和COOH-木质素成功地掺入聚乳酸(PLA)基体中。当应用于COOH-木质素时,木质素填料与PLA基体之间的界面粘附性能比原始木质素更好、更强。基于COOH-木质素/PLA生物复合材料的这些结果,在不改变其热性能和机械性能的情况下,可以降低打印PLA 3D长丝的成本。此外,还证明了木质素作为适用于3D打印的PLA生物复合材料成分的潜力。

https://cdn.ncbi.nlm.nih.gov/pmc/blobs/5820/7926467/8de1cc103ff3/polymers-13-00667-g006.jpg
https://cdn.ncbi.nlm.nih.gov/pmc/blobs/5820/7926467/f412669e7a00/polymers-13-00667-sch001.jpg
https://cdn.ncbi.nlm.nih.gov/pmc/blobs/5820/7926467/b4fab54c184a/polymers-13-00667-g001.jpg
https://cdn.ncbi.nlm.nih.gov/pmc/blobs/5820/7926467/22481764f1d3/polymers-13-00667-g002.jpg
https://cdn.ncbi.nlm.nih.gov/pmc/blobs/5820/7926467/a6ccd7b6f335/polymers-13-00667-g003.jpg
https://cdn.ncbi.nlm.nih.gov/pmc/blobs/5820/7926467/79f3c6c57251/polymers-13-00667-g004.jpg
https://cdn.ncbi.nlm.nih.gov/pmc/blobs/5820/7926467/1c9b431dce04/polymers-13-00667-g005.jpg
https://cdn.ncbi.nlm.nih.gov/pmc/blobs/5820/7926467/8de1cc103ff3/polymers-13-00667-g006.jpg
https://cdn.ncbi.nlm.nih.gov/pmc/blobs/5820/7926467/f412669e7a00/polymers-13-00667-sch001.jpg
https://cdn.ncbi.nlm.nih.gov/pmc/blobs/5820/7926467/b4fab54c184a/polymers-13-00667-g001.jpg
https://cdn.ncbi.nlm.nih.gov/pmc/blobs/5820/7926467/22481764f1d3/polymers-13-00667-g002.jpg
https://cdn.ncbi.nlm.nih.gov/pmc/blobs/5820/7926467/a6ccd7b6f335/polymers-13-00667-g003.jpg
https://cdn.ncbi.nlm.nih.gov/pmc/blobs/5820/7926467/79f3c6c57251/polymers-13-00667-g004.jpg
https://cdn.ncbi.nlm.nih.gov/pmc/blobs/5820/7926467/1c9b431dce04/polymers-13-00667-g005.jpg
https://cdn.ncbi.nlm.nih.gov/pmc/blobs/5820/7926467/8de1cc103ff3/polymers-13-00667-g006.jpg

相似文献

1
Preparation of Chemically Modified Lignin-Reinforced PLA Biocomposites and Their 3D Printing Performance.化学改性木质素增强聚乳酸生物复合材料的制备及其3D打印性能
Polymers (Basel). 2021 Feb 23;13(4):667. doi: 10.3390/polym13040667.
2
Evaluating the Stability of PLA-Lignin Filament Produced by Bench-Top Extruder for Sustainable 3D Printing.评估台式挤出机生产的聚乳酸-木质素长丝用于可持续3D打印的稳定性
Materials (Basel). 2023 Feb 22;16(5):1793. doi: 10.3390/ma16051793.
3
Effects of Rice Straw Powder (RSP) Size and Pretreatment on Properties of FDM 3D-Printed RSP/Poly(Lactic Acid) Biocomposites.稻秸秆粉(RSP)粒径和预处理对 RSP/聚乳酸(PLA)纤维增材制造(FDM)生物复合材料性能的影响。
Molecules. 2021 May 27;26(11):3234. doi: 10.3390/molecules26113234.
4
Utilization of lignin upon successive fractionation and esterification in polylactic acid (PLA)/lignin biocomposite.木质素在聚乳酸(PLA)/木质素生物复合材料中连续分馏和酯化后的利用情况
Int J Biol Macromol. 2022 Apr 1;203:49-57. doi: 10.1016/j.ijbiomac.2022.01.041. Epub 2022 Jan 14.
5
The Influence of Compatibility on the Structure and Properties of PLA/Lignin Biocomposites by Chemical Modification.化学改性对PLA/木质素生物复合材料结构与性能的影响
Polymers (Basel). 2019 Dec 31;12(1):56. doi: 10.3390/polym12010056.
6
Lignin: A Biopolymer from Forestry Biomass for Biocomposites and 3D Printing.木质素:一种源自林业生物质的生物聚合物,用于生物复合材料和3D打印。
Materials (Basel). 2019 Sep 16;12(18):3006. doi: 10.3390/ma12183006.
7
Lignin and holocellulose from pecan nutshell as reinforcing fillers in poly (lactic acid) biocomposites.山核桃壳中的木质素和全纤维素作为增强填料在聚乳酸生物复合材料中的应用。
Int J Biol Macromol. 2018 Aug;115:727-736. doi: 10.1016/j.ijbiomac.2018.04.120. Epub 2018 Apr 24.
8
Effect of Lignin Modification on Properties of Kenaf Core Fiber Reinforced Poly(Butylene Succinate) Biocomposites.木质素改性对红麻芯纤维增强聚丁二酸丁二醇酯生物复合材料性能的影响
Materials (Basel). 2019 Dec 5;12(24):4043. doi: 10.3390/ma12244043.
9
Effect of Maleic Anhydride-Modified Poly(lactic acid) on the Properties of Its Hybrid Fiber Biocomposites.马来酸酐改性聚乳酸对其混杂纤维生物复合材料性能的影响
Polymers (Basel). 2017 May 5;9(5):165. doi: 10.3390/polym9050165.
10
Recycling of waste crab shells into reinforced poly (lactic acid) biocomposites for 3D printing.将废弃蟹壳回收制成用于3D打印的增强聚乳酸生物复合材料。
Int J Biol Macromol. 2023 Apr 15;234:122974. doi: 10.1016/j.ijbiomac.2022.12.193. Epub 2022 Dec 22.

引用本文的文献

1
Novel Softwood Lignin Esters as Advanced Filler to PLA for 3D Printing.新型软木木质素酯作为用于3D打印的聚乳酸高级填料
ACS Omega. 2024 Oct 24;9(44):44559-44567. doi: 10.1021/acsomega.4c06680. eCollection 2024 Nov 5.
2
Bio-Based and Biodegradable Polymeric Materials for a Circular Economy.面向循环经济的生物基和可生物降解高分子材料
Polymers (Basel). 2024 Oct 28;16(21):3015. doi: 10.3390/polym16213015.
3
Improved Performance of Polylactic Acid Biocomposites at High Lignin Loadings through Glycidyl Methacrylate Grafting of Melt-Flowable Organosolv Lignin.

本文引用的文献

1
3D printing of biomass-derived composites: application and characterization approaches.生物质衍生复合材料的3D打印:应用与表征方法
RSC Adv. 2020 Jun 8;10(37):21698-21723. doi: 10.1039/d0ra03620j.
2
Poly-Lactic Acid: Production, Applications, Nanocomposites, and Release Studies.聚乳酸:生产、应用、纳米复合材料及释放研究
Compr Rev Food Sci Food Saf. 2010 Sep;9(5):552-571. doi: 10.1111/j.1541-4337.2010.00126.x.
3
Cellulose, hemicellulose, lignin, and their derivatives as multi-components of bio-based feedstocks for 3D printing.
通过对可熔融流动的有机溶剂木质素进行甲基丙烯酸缩水甘油酯接枝,提高聚乳酸生物复合材料在高木质素负载量下的性能。
ACS Omega. 2024 Aug 6;9(33):35937-35949. doi: 10.1021/acsomega.4c05212. eCollection 2024 Aug 20.
4
Poly-Lactic Acid-Bagasse Based Bio-Composite for Additive Manufacturing.用于增材制造的聚乳酸-甘蔗渣基生物复合材料
Polymers (Basel). 2023 Nov 4;15(21):4323. doi: 10.3390/polym15214323.
5
Development of PLA/Lignin Bio-Composites Compatibilized by Ethylene Glycol Diglycidyl Ether and Poly (ethylene glycol) Diglycidyl Ether.由乙二醇二缩水甘油醚和聚乙二醇二缩水甘油醚增容的聚乳酸/木质素生物复合材料的研制
Polymers (Basel). 2023 Oct 11;15(20):4049. doi: 10.3390/polym15204049.
6
Lignins as Promising Renewable Biopolymers and Bioactive Compounds for High-Performance Materials.木质素作为用于高性能材料的有前景的可再生生物聚合物和生物活性化合物。
Polymers (Basel). 2023 Jul 26;15(15):3177. doi: 10.3390/polym15153177.
7
Optimization of the Electrospray Process to Produce Lignin Nanoparticles for PLA-Based Food Packaging.用于聚乳酸基食品包装的木质素纳米颗粒制备的电喷雾过程优化
Polymers (Basel). 2023 Jul 7;15(13):2973. doi: 10.3390/polym15132973.
8
Polylactic Acid/Lignin Composites: A Review.聚乳酸/木质素复合材料综述
Polymers (Basel). 2023 Jun 25;15(13):2807. doi: 10.3390/polym15132807.
9
3D-Printed Polylactic Acid/Lignin Films with Great Mechanical Properties and Tunable Functionalities towards Superior UV-Shielding, Haze, and Antioxidant Properties.具有优异机械性能和可调节功能的3D打印聚乳酸/木质素薄膜,具备卓越的紫外线屏蔽、雾度和抗氧化性能。
Polymers (Basel). 2023 Jun 24;15(13):2806. doi: 10.3390/polym15132806.
10
Evaluating the Stability of PLA-Lignin Filament Produced by Bench-Top Extruder for Sustainable 3D Printing.评估台式挤出机生产的聚乳酸-木质素长丝用于可持续3D打印的稳定性
Materials (Basel). 2023 Feb 22;16(5):1793. doi: 10.3390/ma16051793.
纤维素、半纤维素、木质素及其衍生物作为生物基原料的多组分用于 3D 打印。
Carbohydr Polym. 2020 Dec 15;250:116881. doi: 10.1016/j.carbpol.2020.116881. Epub 2020 Aug 13.
4
Combination and processing keratin with lignin as biocomposite materials for additive manufacturing technology.将角蛋白与木质素组合并加工成用于增材制造技术的生物复合材料。
Acta Biomater. 2020 Mar 1;104:95-103. doi: 10.1016/j.actbio.2019.12.026. Epub 2019 Dec 23.
5
Lignin: A Biopolymer from Forestry Biomass for Biocomposites and 3D Printing.木质素:一种源自林业生物质的生物聚合物,用于生物复合材料和3D打印。
Materials (Basel). 2019 Sep 16;12(18):3006. doi: 10.3390/ma12183006.
6
Antioxidant PLA Composites Containing Lignin for 3D Printing Applications: A Potential Material for Healthcare Applications.用于3D打印应用的含木质素抗氧化聚乳酸复合材料:一种用于医疗保健应用的潜在材料。
Pharmaceutics. 2019 Apr 4;11(4):165. doi: 10.3390/pharmaceutics11040165.
7
Toughening of biodegradable polylactide/poly(butylene succinate-co-adipate) blends via in situ reactive compatibilization.通过原位反应性增容提高可生物降解聚乳酸/聚(丁二酸丁二醇酯-共-己二酸丁二醇酯)共混物的韧性。
ACS Appl Mater Interfaces. 2013 May 22;5(10):4266-76. doi: 10.1021/am400482f. Epub 2013 May 10.
8
Effect of pretreatment and enzymatic hydrolysis of wheat straw on cell wall composition, hydrophobicity and cellulase adsorption.小麦秸秆预处理和酶解对细胞壁成分、疏水性和纤维素酶吸附的影响。
Bioresour Technol. 2011 May;102(10):5938-46. doi: 10.1016/j.biortech.2011.03.011. Epub 2011 Mar 29.
9
Modification of brittle polylactide by novel hyperbranched polymer-based nanostructures.基于新型超支化聚合物的纳米结构对脆性聚乳酸的改性
Biomacromolecules. 2007 Aug;8(8):2476-84. doi: 10.1021/bm070367x. Epub 2007 Jul 3.
10
Study of biodegradable polylactide/poly(butylene adipate-co-terephthalate) blends.可生物降解聚丙交酯/聚(己二酸丁二醇酯-co-对苯二甲酸丁二醇酯)共混物的研究
Biomacromolecules. 2006 Jan;7(1):199-207. doi: 10.1021/bm050581q.