Suppr超能文献

基于输入前馈和动态补偿的复合PID控制策略在非圆车削中的应用研究

Research on Compound PID Control Strategy Based on Input Feedforward and Dynamic Compensation Applied in Noncircular Turning.

作者信息

Zhang Yong, Huang Yue, Wang Yu

机构信息

School of Advanced Manufacturing Technology, Guangdong Mechanical & Electrical College, Guangzhou 510550, China.

State Key Laboratory of Digital Manufacturing Equipment & Technology, School of Mechanical Science and Engineering, Huazhong University of Science & Technology, Wuhan 430074, China.

出版信息

Micromachines (Basel). 2022 Feb 21;13(2):341. doi: 10.3390/mi13020341.

Abstract

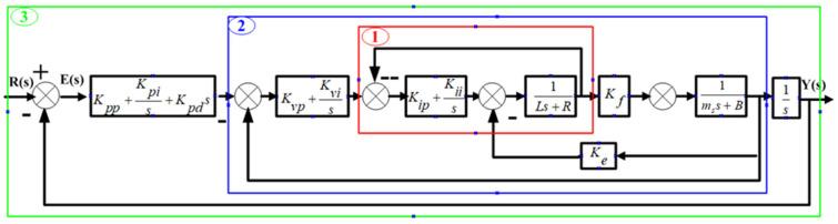
The fast tool servo (FTS) control strategy is the control core of high-speed noncircular turning. This method should ensure high-speed and precision positioning and have the corresponding anti-interference ability in the micro-stroke motion with dynamic changes of tool feed and load. Most of the previous FTS control studies used the repetitive control and speed feedforward control strategy, which achieved promising results under ideal machining conditions. However, this strategy showed some defects in the real-world complex and changeable working conditions such as time-varying cutting force, intermittent cutting and fluctuating machine spindle speed. This paper proposed and implemented a compound proportional integral derivative control strategy based on input feedforward and dynamic compensation in noncircular turning. This technique successfully met the motion requirements of the high responsiveness of micro-stroke in noncircular turning and overcame disturbances from complex time variations of the cutting force, intermittent cutting case of the product and fluctuations of machine spindle speed. According to the findings, the machining tracking error was less than ±2 µm. Experimental results demonstrated the excellent tracking performance and machining effect of this control strategy.

摘要

快速刀具伺服(FTS)控制策略是高速非圆车削的控制核心。该方法应确保高速和精确的定位,并在刀具进给和负载动态变化的微行程运动中具有相应的抗干扰能力。以往大多数FTS控制研究采用重复控制和速度前馈控制策略,在理想加工条件下取得了较好的效果。然而,该策略在时变切削力、断续切削和机床主轴转速波动等实际复杂多变的工况下存在一些缺陷。本文提出并实现了一种基于输入前馈和动态补偿的复合比例积分微分控制策略用于非圆车削。该技术成功满足了非圆车削微行程高响应性的运动要求,克服了切削力复杂时变、产品断续切削情况以及机床主轴转速波动带来的干扰。根据研究结果,加工跟踪误差小于±2 µm。实验结果证明了该控制策略具有优异的跟踪性能和加工效果。

https://cdn.ncbi.nlm.nih.gov/pmc/blobs/67ce/8878366/c9f66e1ecf17/micromachines-13-00341-g001.jpg

文献检索

告别复杂PubMed语法,用中文像聊天一样搜索,搜遍4000万医学文献。AI智能推荐,让科研检索更轻松。

立即免费搜索

文件翻译

保留排版,准确专业,支持PDF/Word/PPT等文件格式,支持 12+语言互译。

免费翻译文档

深度研究

AI帮你快速写综述,25分钟生成高质量综述,智能提取关键信息,辅助科研写作。

立即免费体验