Suppr超能文献

双极膜电渗析耦合超滤模块制备的酪蛋白和酪蛋白酸盐的功能特性

Functional Properties of Casein and Caseinate Produced by Electrodialysis with Bipolar Membrane Coupled to an Ultrafiltration Module.

作者信息

Deschênes Gagnon Rosie, Bazinet Laurent, Mikhaylin Sergey

机构信息

Institute of Nutrition and Functional Foods (INAF), Dairy Science and Technology Research Center (STELA), Food Science Department, Université Laval, Quebec City, QC G1V 0A6, Canada.

Laboratoire de Transformation Alimentaire et Procédés Électromembranaires (LTAPEM/Laboratory of Food Processing and ElectroMembrane Processes), Food Science Department, Université Laval, Quebec City, QC G1V 0A6, Canada.

出版信息

Membranes (Basel). 2022 Feb 26;12(3):270. doi: 10.3390/membranes12030270.

Abstract

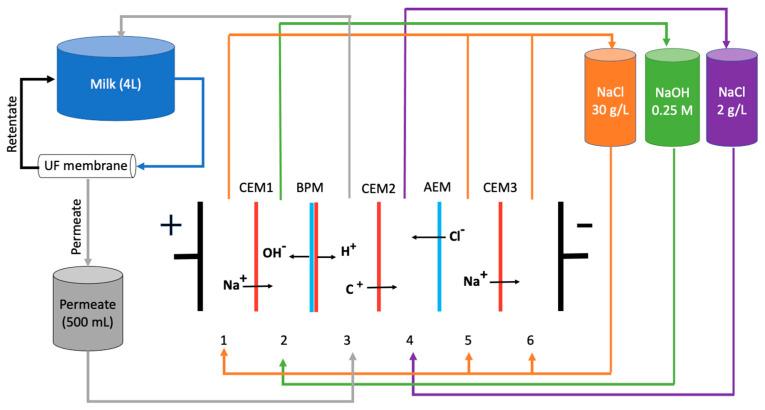
Electrodialysis with a bipolar membrane coupled to an ultrafiltration module (EDBM-UF) is a hybrid technology recently developed as an ecofriendly alternative to chemical acidification to produce casein and caseinate from skim milk. In this study, the composition and functional properties of casein and caseinate obtained by chemical acidification/basification and by the EDBM-UF method from winter and summer milks were analyzed and compared. Results show that the emulsifying properties, solubility, water holding, and gelling capacities are equivalent between casein and caseinate from both methods. However, the foaming properties of EDBM-UF ingredients were improved, and casein was less hygroscopic. Additionally, the season of milk influenced certain functional properties, such as water-holding capacity and hygroscopicity. Therefore, these results allow concluding that EDBM-UF ingredients have equivalent or higher functionality than chemically produced ingredients, and that the EDBM-UF process would be a more eco-efficient alternative to the chemical one.

摘要

双极膜电渗析与超滤模块耦合(EDBM-UF)是一种最近开发的混合技术,作为一种环保替代方法,用于从脱脂牛奶中生产酪蛋白和酪蛋白酸盐,以替代化学酸化法。在本研究中,分析并比较了通过化学酸化/碱化以及EDBM-UF方法从冬季和夏季牛奶中获得的酪蛋白和酪蛋白酸盐的组成和功能特性。结果表明,两种方法得到的酪蛋白和酪蛋白酸盐的乳化特性、溶解性、持水性和凝胶化能力相当。然而,EDBM-UF成分的发泡特性有所改善,且酪蛋白的吸湿性较低。此外,牛奶的季节会影响某些功能特性,如持水性和吸湿性。因此,这些结果可以得出结论,EDBM-UF成分比化学法生产的成分具有同等或更高的功能,并且EDBM-UF工艺将是比化学工艺更具生态效率的替代方法。

https://cdn.ncbi.nlm.nih.gov/pmc/blobs/5ad3/8954009/2e2bdd6e1e84/membranes-12-00270-g001.jpg

文献AI研究员

20分钟写一篇综述,助力文献阅读效率提升50倍。

立即体验

用中文搜PubMed

大模型驱动的PubMed中文搜索引擎

马上搜索

文档翻译

学术文献翻译模型,支持多种主流文档格式。

立即体验