Suppr超能文献

通过盐模板法控制间苯二酚-糠醛气凝胶及其衍生碳气凝胶的微观结构。

Controlling the microstructure of resorcinol-furfural aerogels and derived carbon aerogels the salt templating approach.

作者信息

Zhang Haiming, Feng Junzong, Li Liangjun, Jiang Yonggang, Feng Jian

机构信息

Science and Technology on Advanced Ceramic Fibers and Composites Laboratory, National University of Defense Technology Deya Road 109 Changsha 410073 Hunan China

出版信息

RSC Adv. 2019 Feb 18;9(11):5967-5977. doi: 10.1039/c9ra00238c.

Abstract

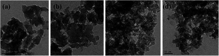
The control strategy for the microstructure of resorcinol-furfural (RF) aerogels and derived carbon aerogels is attracting attention in different applications such as adsorbents, electrochemical electrodes, thermal insulation and so on. In this work, RF aerogels with abundant micropores were synthesized successfully by the sol-gel process using resorcinol (R) and furfural (F) as monomers, methanol (M) as the solvent, hexamethylenetetramine (H) as the catalyst, and zinc chloride (Z) as a salt template. The RF aerogels with micro specific surface area up to 228.28 m g thus obtained have a high specific surface area (547.96 m g), and have a large total pore volume (0.7960 cm g). The carbon aerogels were synthesized by pyrolyzing RF aerogels under a flowing argon atmosphere. Compared with carbon aerogel synthesized without a salt template, carbon aerogels synthesized with a salt template have higher BET specific surface area and larger total pore volume. Moreover, the mean pore size and particle size of carbon aerogels could be greatly reduced by adding the salt template. The influence of M/R ratio (molar ratio of methanol to resorcinol) and Z/R ratio (molar ratio of zinc chloride to resorcinol) on the microstructure of RF aerogels was systematically investigated. The salt templating is an effective approach for controlling the microstructure of RF aerogels and derived carbon aerogels.

摘要

间苯二酚-糠醛(RF)气凝胶及其衍生的碳气凝胶的微观结构控制策略在吸附剂、电化学电极、隔热材料等不同应用领域备受关注。在本工作中,以间苯二酚(R)和糠醛(F)为单体,甲醇(M)为溶剂,六亚甲基四胺(H)为催化剂,氯化锌(Z)为盐模板,通过溶胶-凝胶法成功合成了具有丰富微孔的RF气凝胶。由此获得的比表面积高达228.28 m²/g的RF气凝胶具有高比表面积(547.96 m²/g)和大的总孔体积(0.7960 cm³/g)。在流动氩气气氛下对RF气凝胶进行热解合成了碳气凝胶。与无盐模板合成的碳气凝胶相比,有盐模板合成的碳气凝胶具有更高的BET比表面积和更大的总孔体积。此外,添加盐模板可大幅降低碳气凝胶的平均孔径和粒径。系统研究了M/R比(甲醇与间苯二酚的摩尔比)和Z/R比(氯化锌与间苯二酚的摩尔比)对RF气凝胶微观结构的影响。盐模板法是控制RF气凝胶及其衍生碳气凝胶微观结构的有效方法。

https://cdn.ncbi.nlm.nih.gov/pmc/blobs/2b64/9060908/498fc19a5e2e/c9ra00238c-f1.jpg

文献AI研究员

20分钟写一篇综述,助力文献阅读效率提升50倍。

立即体验

用中文搜PubMed

大模型驱动的PubMed中文搜索引擎

马上搜索

文档翻译

学术文献翻译模型,支持多种主流文档格式。

立即体验